Operation CHARM: Car repair manuals for everyone.
Manuals through 2025 now available!

Our trusted friends have launched a new website named LEMON, which has newer manuals. It also contains all the CHARM manuals.

LEMON is the spiritual successor to CHARM, I recommend you try it!

Link: lemon-manuals.la or lemon-manuals.org.ua

(Some people have issue connecting. LEMON is investigating. For now, use Firefox or change your DNS server)

Or, hide this message: temporarily or permanently

Malfunction Indicator Lamp: Testing and Inspection





2AR-FE ENGINE CONTROL SYSTEM: SFI SYSTEM: MIL Circuit
- MIL Circuit

DESCRIPTION

The MIL (Malfunction Indicator Lamp) is used to indicate vehicle malfunction detections by the ECM. When the ignition switch is turned to ON, power is supplied to the MIL circuit, and the ECM provides the circuit ground which illuminates the MIL.

The MIL operation can be checked visually: When the ignition switch is first turned to ON, the MIL turns on and then turns off. If the MIL remains illuminated or is not illuminated, conduct the following troubleshooting procedure using the Techstream.

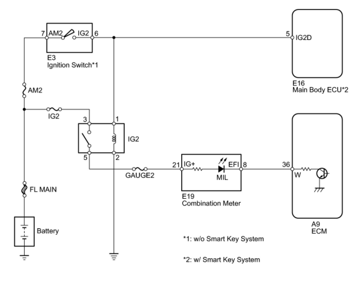
WIRING DIAGRAM





INSPECTION PROCEDURE

NOTICE:
Inspect the fuses of circuits related to this system before performing the following inspection procedure.

PROCEDURE

1. CHECK THAT MIL IS ILLUMINATED

(a) Check the MIL illumination condition.





B -- CHECK THAT MIL IS ILLUMINATED
A -- Continue to next step.

2. CHECK WHETHER MIL TURNS OFF

(a) Connect the Techstream to the DLC3.

(b) Turn the ignition switch to ON.

(c) Turn the Techstream on.

(d) Enter the following menus: Powertrain / Engine and ECT / Trouble Codes.

(e) Check if any DTCs are output. Note down any DTCs.

HINT
Check for DTCs output from other ECUs which relate to the MIL.

(f) Clear the DTCs Reading and Clearing Diagnostic Trouble Codes.

(g) Check if the MIL turns off.

OK:

MIL turns off.

NG -- CHECK HARNESS AND CONNECTOR (CHECK FOR SHORT IN WIRE HARNESS)

OK -- REPAIR CIRCUITS INDICATED BY OUTPUT DTCS SFI System

3. CHECK HARNESS AND CONNECTOR (CHECK FOR SHORT IN WIRE HARNESS)





(a) Disconnect the ECM connector.

(b) Turn the ignition switch to ON.

(c) Check that the MIL is not illuminated.

OK:

MIL is not illuminated.

(d) Reconnect the ECM connector.

NG -- CHECK HARNESS AND CONNECTOR (COMBINATION METER - ECM)

OK -- REPLACE ECM Removal

4. CHECK HARNESS AND CONNECTOR (COMBINATION METER - ECM)





(a) Disconnect the ECM connector.

(b) Disconnect the combination meter connector.

(c) Measure the resistance according to the value(s) in the table below.

Standard Resistance (Check for short):





(d) Reconnect the ECM connector.

(e) Reconnect the combination meter connector.

NG -- REPAIR OR REPLACE HARNESS OR CONNECTOR

OK -- REPLACE COMBINATION METER ASSEMBLY Removal

5. CHECK THAT MIL IS ILLUMINATED

(a) Check if the MIL is illuminated when the ignition switch is turned to ON.

OK:

MIL is illuminated.

NG -- CHECK THAT ENGINE STARTS

OK -- SYSTEM OK

6. CHECK THAT ENGINE STARTS

(a) Turn the ignition switch to ON.

(b) Start the engine.

Result





HINT
*: The Techstream cannot communicate with the ECM.

B -- GO TO VC OUTPUT CIRCUIT Component Tests and General Diagnostics
A -- Continue to next step.

7. CHECK HARNESS AND CONNECTOR (COMBINATION METER - ECM)





(a) Disconnect the ECM connector.

(b) Disconnect the combination meter connector.

(c) Measure the resistance according to the value(s) in the table below.

Standard Resistance (Check for open):





(d) Reconnect the ECM connector.

(e) Reconnect the combination meter connector.

NG -- REPAIR OR REPLACE HARNESS OR CONNECTOR

OK -- REPLACE COMBINATION METER Removal