Operation CHARM: Car repair manuals for everyone.
Manuals through 2025 now available!

Our trusted friends have launched a new website named LEMON, which has newer manuals. It also contains all the CHARM manuals.

LEMON is the spiritual successor to CHARM, I recommend you try it!

Link: lemon-manuals.la or lemon-manuals.org.ua

(Some people have issue connecting. LEMON is investigating. For now, use Firefox or change your DNS server)

Or, hide this message: temporarily or permanently

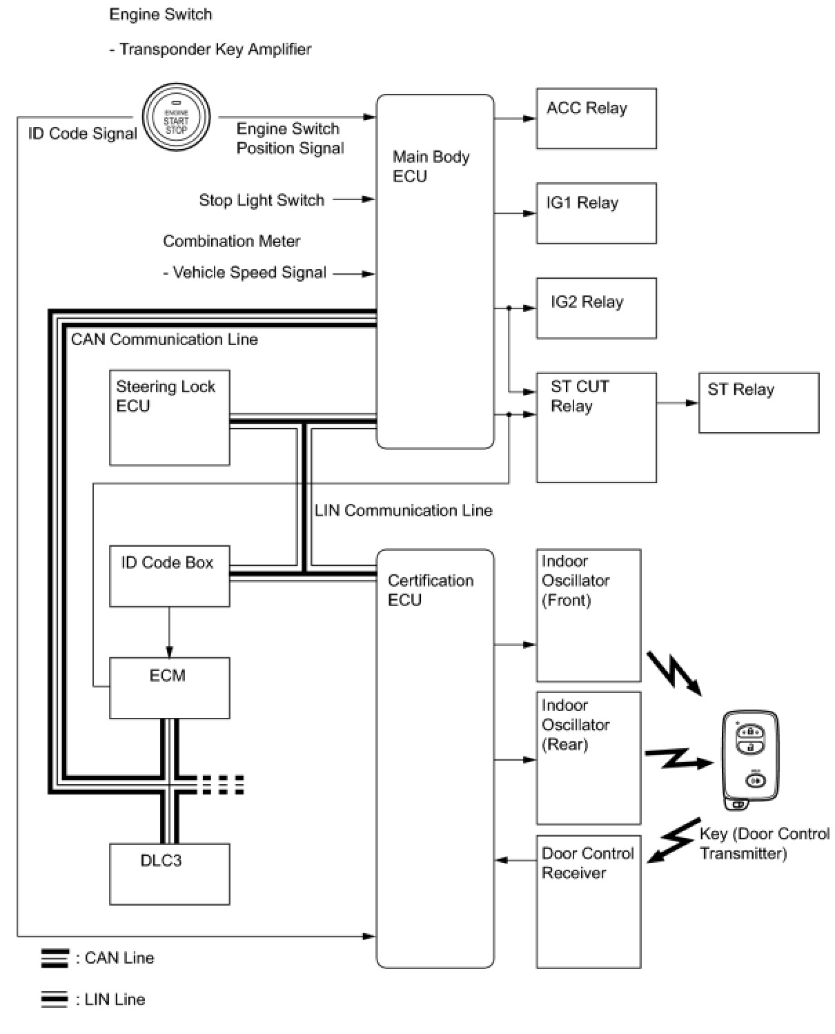
Door Lock - Smart Key System












DOOR LOCK: SMART KEY SYSTEM: SYSTEM DIAGRAM














CAUTION:
If using a pacemaker, be sure to read the manual of the pacemaker before using the key, as the radio waves of the key may affect the pacemaker.

1. SMART KEY SYSTEM

(a) In addition to conventional mechanical key and wireless door lock control functions, the smart key system enables door locking/unlocking, steering lock releasing, engine starting and back door opening without operating the key. The only requirement is that the key is in the user's possession.

This system is controlled by the certification ECU. When the certification ECU detects the presence of the smart key system in one of the detection areas, it identifies and checks the ID code, and outputs operation signals to the related ECU in accordance with their functions.

The detection areas are formed by 5 oscillators and 2 antennas (2 door oscillators, back door oscillator (outer), 2 indoor oscillators and 2 door antennas).

2. DETECTION AREA





(a) Precautions for the entire system:

Be sure to carry the key during inspection of the smart key system.

As weak radio waves are used to detect the key, the key detection area may decrease, or the key may not be detected correctly in the following situations:

* The key battery is depleted.

* Any facilities that generate strong radio waves, such as a TV tower, power plant, broadcast station or gas station, are located near the inspection site.

* A wireless device, such as a cellular phone, is carried with the key.

* The key is in contact with or covered with metal.

* Another wireless door lock control function is operated near the vehicle.

* The key is located near a device that generates high voltage or noise.

The key may be difficult to operate for a reason relating to the vehicle body shape.

The key may not be detected correctly if it is around the vehicle's windows, the door handle or center of the bumper even when it is in the detection area outside the vehicle.

The key may not be detected correctly if it is on the instrument panel, rear package tray or floor, in a cup holder, or in the glove box, etc. even when it is in the detection area inside the vehicle.

The key may not operate if the key is not held properly.

The smart key system does not operate in the following conditions:

* The smart key system is canceled.

* The key battery is completely depleted (the indicator does not blink when pushing any of the buttons on the key).

3. FUNCTION OF MAIN COMPONENTS





4. CONSTRUCTION AND OPERATION

(a) Key:

The key consists of a mechanical key, transmitter for the wireless door lock remote control, transceiver for the smart key system, and transponder chip for the engine immobiliser control.

Upon receiving the LF radio waves that are output by the vehicle interior and exterior antennas, the door control transmitter outputs information including the key ID and vehicle ID by modulating then into RF radio waves.

When the drive presses the lock or unlock switch on the surface of the door control transmitter, the transmitter outputs the description of the operation by modulating it into RF radio waves.

Upon receiving the radio waves that are output by the immobiliser amplifier in the engine switch, the door control transmitter outputs information including the key ID and vehicle ID through immobiliser communication.

Has a built-in mechanical key to unlock the door if the transmitter battery is low.

A total of 7 keys can be registered.





(b) Oscillator (front LH and RH door oscillators, front and rear indoor oscillators, back door oscillator):

Each oscillator transmits the request signal received from the certification ECU, and forms a key detection area to detect the presence of a key. The detection area formed by each door electrical key oscillator and back door electrical key oscillator is approximately 0.7 to 1.0 m (2.3 to 3.3 ft.) from the outside handle of the front LH and RH doors or from the center of the rear bumper.

The detection area of the front LH, front RH and back door oscillators are formed by transmitting a request signal every 0.25 seconds while the engine switch is off and each door is locked. In this way, it detects the proximity of a key. During entry lock, the detection area is formed with the lock switch ON.

The detection area of the indoor electrical key oscillator (front and rear) is formed when the driver door is opened or closed, during ignition start, when a warning is activated, or when the lock switch is ON. It is formed twice until the key can be verified.

The detection area of the front and rear room oscillators are formed when the driver door is opened or closed, during ignition start, when a warning is activated, or when the lock switch is ON.

5. ENTRY FUNCTION OPERATION

(a) The smart key system has the following functions.





6. WIRELESS DOOR LOCK AND UNLOCK AND BACK DOOR OPEN FUNCTION

Push the LOCK/UNLOCK switch on the key to operate each function.

7. ENTRY UNLOCK FUNCTION

(a) The detection area is formed by communication between a door electrical key oscillator and door control receiver when the door is locked in order to detect access of the person carrying the key.

(b) When the person carrying the key enters the detection area around the vehicle, the matching of the ID codes for a door electrical key oscillator and key will automatically be performed. After the matching is completed, the door will enter unlock standby mode.

(c) In unlock standby mode, the antenna built into the outside handle starts sensing. If the outside handle is held (the back side of the handle is touched), the door unlock operation will be performed. At this time, the hazard warning lights blink twice.

(d) If none of the doors are opened within 60 seconds of a door unlock operation, all doors are automatically locked.

8. ENTRY LOCK FUNCTION

(a) After leaving the vehicle carrying the key, push the lock switch on the outside handle when all the doors are closed.

(b) The certification ECU determines whether the key is located inside or outside of the cabin based on the information from a door electrical key oscillator and indoor electrical key oscillator. Then matching of the ID codes is performed.

(c) When the matching result shows that the ID codes of the key and indoor electrical key oscillator do not match and the ID codes of the key and door electrical key oscillator match, the door lock function will operate. At this time, the hazard warning lights blink once.

(d) If the key is located inside of the cabin, the door lock function will not operate and the alarm buzzer (beep sound) will sound for 2 seconds.

9. PREVENTION OF KEY CONFINEMENT FUNCTION

(a) If the user attempts to lock the door through keyless operation (move the lock knob to the lock position and then close the door) with the key in the cabin, the system determines that the key is located in the cabin and unlocks the door.

(b) If the back door is closed with the key in it, the alarm will sound and the back door can be opened only when all the doors are locked in order to prevent key confinement in the vehicle.

10. ENTRY ILLUMINATION FUNCTION

When a person carrying the key enters the detection area, the door will enter unlock standby mode and the room light and foot light will illuminate.

HINT
The entry illumination function operates when the key enters the vehicle exterior detection area from out of the detection area. If the key remains in the detection area for 3 seconds or more, the illumination function does not operate.

11. WARNING FUNCTION

(a) General:

When any of the situations below occur, the smart key system causes the certification ECU to sound the buzzer in the combination meter and the wireless door lock buzzer, and illuminates the smart key system warning light to alert the driver.





(b) Situation A:

In this situation, the following control is performed.





(c) Situation B:

In this situation, the following control is performed.





(d) Situation C:

In this situation, the following control is performed.





(e) Situation D:

In this situation, the following control is performed.





12. BATTERY SAVING

HINT
Leaving the electrical key close to electrical appliances that emit radio waves could cause the key to accidentally respond, which could cause the key battery to become quickly depleted.

(a) Vehicle battery saving function:

In the smart key system, signals are emitted outside of the vehicle at a prescribed interval (0.25 seconds) when the doors are locked. Therefore, the vehicle battery could be drained if the vehicle remains parked for a long time. For this reason, the controls listed below are affected.





Reinstatement conditions

A wireless door lock control signal (lock, unlock, or back door open) is input and the ID code matches.

A user carries the electrical key and pushes a lock switch on an outside door handle.

A door is locked or unlocked by the mechanical key.

(b) Key battery and vehicle battery saving function:

In the smart key system, if the electrical key is constantly located within the vehicle exterior detection area of the doors, the system maintains periodic communication with the electrical key. Therefore, if the vehicle remains parked in that state for a long time, the electrical key battery and the vehicle battery could be drained. For this reason, if this state continues longer than 10 minutes, the smart key system automatically becomes deactivated.

Reinstatement conditions:

A wireless door lock control signal (lock or unlock) is input and the ID code matches.

A user carries the key and pushes a lock switch on an outside handle.

A door is locked or unlocked by the mechanical key.