Operation CHARM: Car repair manuals for everyone.
Manuals through 2025 now available!

Our trusted friends have launched a new website named LEMON, which has newer manuals. It also contains all the CHARM manuals.

LEMON is the spiritual successor to CHARM, I recommend you try it!

Link: lemon-manuals.la or lemon-manuals.org.ua

(Some people have issue connecting. LEMON is investigating. For now, use Firefox or change your DNS server)

Or, hide this message: temporarily or permanently

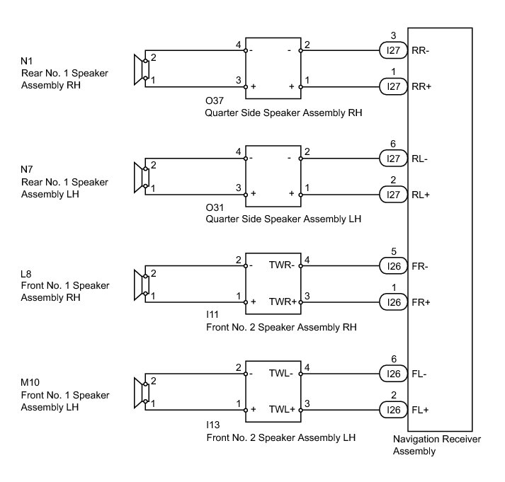
Speaker Circuit





NAVIGATION / MULTI INFO DISPLAY: NAVIGATION SYSTEM (w/o USB Audio System): Speaker Circuit
- Speaker Circuit

DESCRIPTION

The navigation receiver assembly sends sound signals to the speakers.

WIRING DIAGRAM





INSPECTION PROCEDURE

PROCEDURE

1. CHECK SPEAKER

(a) Check which speakers are malfunctioning.

Result





B -- CHECK REAR SIDE SPEAKER
A -- Continue to next step.

2. CHECK FRONT SIDE SPEAKER

(a) Check which speakers are malfunctioning.

Result





B -- INSPECT FRONT NO. 1 SPEAKER ASSEMBLY
A -- Continue to next step.

3. INSPECT FRONT NO. 2 SPEAKER ASSEMBLY

(a) Disconnect the I11*1 and/or I13*2 front No. 2 speaker assembly connector.





*1: for RH

*2: for LH

(b) Measure the resistance according to the value(s) in the table below.

Standard Resistance:

for RH
for LH










NG -- REPLACE FRONT NO. 2 SPEAKER ASSEMBLY Removal
OK -- Continue to next step.

4. CHECK HARNESS AND CONNECTOR (NAVIGATION RECEIVER - FRONT NO. 2 SPEAKER)

(a) Disconnect the I26 navigation receiver assembly connector.





(b) Disconnect the I11*1 and/or I13*2 front No. 2 speaker assembly connector.

*1: for RH

*2: for LH

(c) Measure the resistance according to the value(s) in the table below.

Standard Resistance:

for RH
for LH










NG -- REPAIR OR REPLACE HARNESS OR CONNECTOR

OK -- REPLACE NAVIGATION RECEIVER ASSEMBLY Removal

5. INSPECT FRONT NO. 1 SPEAKER ASSEMBLY

(a) Disconnect the L8*1 and/or M10*2 front No. 1 speaker assembly connector.





*1: for RH

*2: for LH

(b) Measure the resistance according to the value(s) in the table below.

Standard Resistance:





NG -- REPLACE FRONT NO. 1 SPEAKER ASSEMBLY Removal
OK -- Continue to next step.

6. CHECK HARNESS AND CONNECTOR (FRONT NO. 2 SPEAKER - FRONT NO. 1 SPEAKER)

*1: for RH

*2: for LH

(a) Disconnect the I11*1 and/or I13*2 front No. 2 speaker assembly connector.





(b) Disconnect the L8*1 and/or M10*2 front No. 1 speaker assembly connector.

(c) Measure the resistance according to the value(s) in the table below.

Standard Resistance:

for RH
for LH










NG -- REPAIR OR REPLACE HARNESS OR CONNECTOR

OK -- REPLACE NAVIGATION RECEIVER ASSEMBLY Removal

7. CHECK REAR SIDE SPEAKER

(a) Check which speakers are malfunctioning.

Result





B -- INSPECT REAR NO. 1 SPEAKER ASSEMBLY
A -- Continue to next step.

8. INSPECT QUARTER SIDE SPEAKER ASSEMBLY

(a) Disconnect the O37*1 and/or O31*2 quarter side speaker assembly connector.





*1: for RH

*2: for LH

(b) Measure the resistance according to the value(s) in the table below.

Standard Resistance:





NG -- REPLACE QUARTER SIDE SPEAKER ASSEMBLY Removal
OK -- Continue to next step.

9. CHECK HARNESS AND CONNECTOR (NAVIGATION RECEIVER - QUARTER SIDE SPEAKER)

(a) Disconnect the I27 navigation receiver assembly connector.





(b) Disconnect the O37*1 and/or O31*2 quarter side speaker assembly connector.

*1: for RH

*2: for LH

(c) Measure the resistance according to the value(s) in the table below.

Standard Resistance:

for RH
for LH










NG -- REPAIR OR REPLACE HARNESS OR CONNECTOR

OK -- REPLACE NAVIGATION RECEIVER ASSEMBLY Removal

10. INSPECT REAR NO. 1 SPEAKER ASSEMBLY

(a) Disconnect the N1*1 and/or N7*2 rear No. 1 speaker assembly connector.





*1: for RH

*2: for LH

(b) Measure the resistance according to the value(s) in the table below.

Standard Resistance:





NG -- REPLACE REAR NO. 1 SPEAKER ASSEMBLY Removal
OK -- Continue to next step.

11. CHECK HARNESS AND CONNECTOR (QUARTER SIDE SPEAKER - REAR NO. 1 SPEAKER)

*1: for RH

*2: for LH

(a) Disconnect the O37*1 and/or O31*2 quarter side speaker assembly connector.





(b) Disconnect the N1*1 and/or N7*2 rear No. 1 speaker assembly connector.

(c) Measure the resistance according to the value(s) in the table below.

Standard Resistance:

for RH
for LH










NG -- REPAIR OR REPLACE HARNESS OR CONNECTOR

OK -- REPLACE NAVIGATION RECEIVER ASSEMBLY Removal