Operation CHARM: Car repair manuals for everyone.
Manuals through 2025 now available!

Our trusted friends have launched a new website named LEMON, which has newer manuals. It also contains all the CHARM manuals.

LEMON is the spiritual successor to CHARM, I recommend you try it!

Link: lemon-manuals.la or lemon-manuals.org.ua

(Some people have issue connecting. LEMON is investigating. For now, use Firefox or change your DNS server)

Or, hide this message: temporarily or permanently

Distance Control Switch Circuit





CRUISE CONTROL: DYNAMIC LASER CRUISE CONTROL SYSTEM: Distance Control Switch Circuit
- Distance Control Switch Circuit

DESCRIPTION

The distance control switch sets the vehicle-to-vehicle distance mode. The distance control switch is installed in the steering pad switch. The vehicle-to-vehicle distance set value can be changed by operating the steering pad switch (distance control switch) while the dynamic laser cruise control system is in operation.

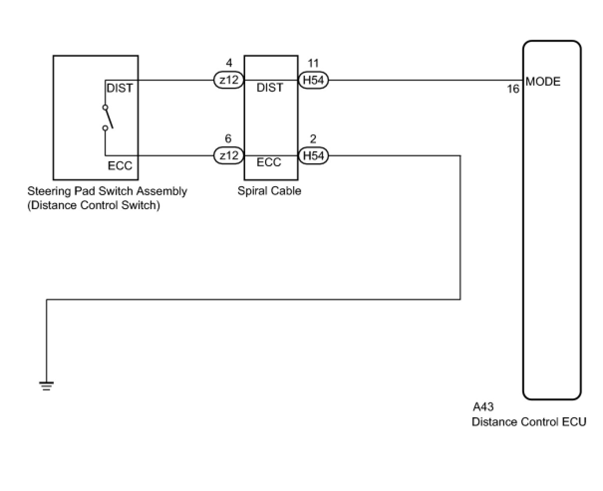
WIRING DIAGRAM





INSPECTION PROCEDURE

PROCEDURE

1. INSPECT STEERING PAD SWITCH ASSEMBLY

(a) Remove the steering pad switch assembly Removal.





(b) Measure the resistance according to the value(s) in the table below.

Standard Resistance:





HINT
When a malfunction is detected in the distance control switch, replace the steering pad switch assembly.

NG -- REPLACE STEERING PAD SWITCH ASSEMBLY Removal
OK -- Continue to next step.

2. INSPECT SPIRAL CABLE

NOTICE:
The spiral cable is an important part of the SRS airbag system. Incorrect removal or installation of the spiral cable may cause airbag deployment. Be sure to read the page shown in the brackets.

HINT
* Removal Removal
* Installation Installation

(a) Remove the spiral cable.





(b) Measure the resistance according to the value(s) in the table below.

Standard Resistance:





HINT
The spiral cable makes a maximum of approximately 5 rotations.

NG -- REPLACE SPIRAL CABLE Removal
OK -- Continue to next step.

3. CHECK HARNESS AND CONNECTOR (DISTANCE CONTROL ECU - SPIRAL CABLE)

(a) Disconnect the A43 distance control ECU connector.





(b) Measure the resistance according to the value(s) in the table below.

Standard Resistance:





NG -- REPAIR OR REPLACE HARNESS OR CONNECTOR
OK -- Continue to next step.

4. CHECK HARNESS AND CONNECTOR (SPIRAL CABLE - BODY GROUND)

(a) Measure the resistance according to the value(s) in the table below.





Standard Resistance:





NG -- REPAIR OR REPLACE HARNESS OR CONNECTOR
OK -- Continue to next step.

5. INSPECT DISTANCE CONTROL ECU

(a) Remove the distance control ECU with the connector.





(b) Turn the ignition switch to ON.

(c) Measure the voltage according to the value(s) in the table below.

Standard Voltage:





NG -- REPLACE DISTANCE CONTROL ECU Removal

OK -- PROCEED TO NEXT CIRCUIT INSPECTION SHOWN IN PROBLEM SYMPTOMS TABLE Dynamic Laser Cruise Control System