Operation CHARM: Car repair manuals for everyone.
Manuals through 2025 now available!

Our trusted friends have launched a new website named LEMON, which has newer manuals. It also contains all the CHARM manuals.

LEMON is the spiritual successor to CHARM, I recommend you try it!

Link: lemon-manuals.la or lemon-manuals.org.ua

(Some people have issue connecting. LEMON is investigating. For now, use Firefox or change your DNS server)

Or, hide this message: temporarily or permanently

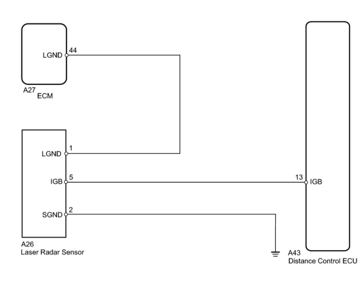
Laser Sensor Power Source Circuit





CRUISE CONTROL: DYNAMIC LASER CRUISE CONTROL SYSTEM: Laser Sensor Power Source Circuit
- Laser Sensor Power Source Circuit

DESCRIPTION

This circuit provides power to the laser radar sensor. The laser radar sensor emits radio waves towards an object in front and measures the distance and direction of the object by receiving the beam reflections. Based on the reflections, the sensor calculates the difference in speed between the vehicle and the object in front. This data is transmitted to the distance control ECU. The ECM recognizes the laser radar sensor via terminals LGND. If an open circuit occurs in the wire harness between terminals LGND, the ECM cannot recognize the laser radar sensor. The ECM will stop the control of the vehicle-to-vehicle distance control mode and only the constant speed control mode can be used.

WIRING DIAGRAM





INSPECTION PROCEDURE

PROCEDURE

1. CHECK HARNESS AND CONNECTOR (IGB VOLTAGE)

(a) Disconnect the A26 laser radar sensor connector.





(b) Measure the voltage according to the value(s) in the table below.

Standard Voltage:





(c) Reconnect the laser radar sensor connector.

NG -- CHECK HARNESS AND CONNECTOR (LASER RADAR SENSOR - DISTANCE CONTROL ECU)
OK -- Continue to next step.

2. CHECK HARNESS AND CONNECTOR (LASER RADAR SENSOR - ECM AND BODY GROUND)

(a) Disconnect the A27 connector from the ECM.





(b) Disconnect the A26 connector from the laser radar sensor.

(c) Measure the resistance according to the value(s) in the table below.

Standard Resistance:





(d) Reconnect the ECM and laser radar sensor connector.

NG -- REPAIR OR REPLACE HARNESS OR CONNECTOR

OK -- PROCEED TO NEXT CIRCUIT INSPECTION SHOWN IN PROBLEM SYMPTOMS TABLE Dynamic Laser Cruise Control System

3. CHECK HARNESS AND CONNECTOR (LASER RADAR SENSOR - DISTANCE CONTROL ECU)

(a) Disconnect the A43 distance control ECU connector.





(b) Disconnect the A26 laser radar sensor connector.

(c) Measure the resistance according to the value(s) in the table below.

Standard Resistance:





(d) Reconnect the ECU and laser radar sensor connector.

NG -- REPAIR OR REPLACE HARNESS OR CONNECTOR

OK -- REPLACE DISTANCE CONTROL ECU Removal