Operation CHARM: Car repair manuals for everyone.
Manuals through 2025 now available!

Our trusted friends have launched a new website named LEMON, which has newer manuals. It also contains all the CHARM manuals.

LEMON is the spiritual successor to CHARM, I recommend you try it!

Link: lemon-manuals.la or lemon-manuals.org.ua

(Some people have issue connecting. LEMON is investigating. For now, use Firefox or change your DNS server)

Or, hide this message: temporarily or permanently

Open In CAN Main Wire





NETWORKING: CAN COMMUNICATION SYSTEM: Open in CAN Main Wire
- Open in CAN Main Wire

DESCRIPTION

There may be an open circuit in the CAN main wire and/or the DLC3 branch wire when the resistance between terminals 6 (CANH) and 14 (CANL) of the DLC3 is 70 Ohms or higher.





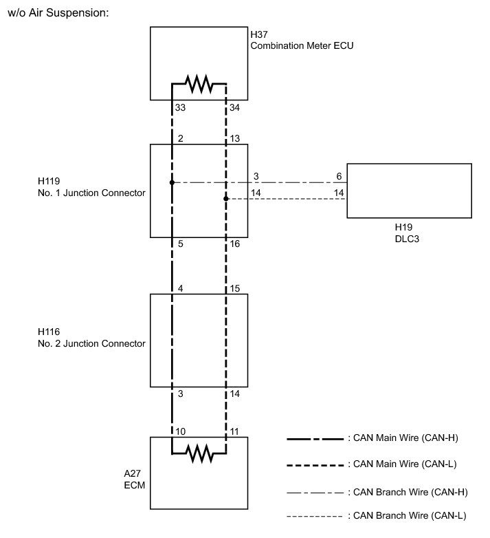
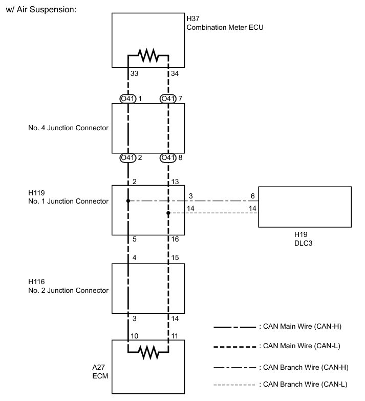
*: w/ Air Suspension

WIRING DIAGRAM









INSPECTION PROCEDURE

HINT
Operating the ignition switch, any other switches or any doors triggers related ECU and sensor communication with the CAN, which causes resistance variation.

PROCEDURE

1. DISCONNECT CABLE FROM NEGATIVE BATTERY TERMINAL

(a) Disconnect the cable from the negative (-) battery terminal before measuring the resistances of the main wire and the branch wire.

CAUTION:
Wait at least 90 seconds after disconnecting the cable from the negative (-) battery terminal to disable the SRS system.

NOTICE:
When disconnecting the cable, some systems need to be initialized after the cable is reconnected Repair Instruction - Initialization.

NEXT -- Continue to next step.

2. CHECK DLC3

(a) Disconnect the H119 No. 1 junction connector.





(b) Measure the resistance according to the value(s) in the table below.

Standard Resistance:





Text in Illustration





NG -- REPAIR OR REPLACE CAN BRANCH WIRE CONNECTED TO DLC3 (CANH, CANL)
OK -- Continue to next step.

3. CHECK FOR OPEN IN CAN BUS MAIN WIRE (NO. 1 JUNCTION CONNECTOR - ECM)

(a) Disconnect the H119 No. 1 junction connector.





(b) Measure the resistance according to the value(s) in the table below.

Standard Resistance:





Text in Illustration





NG -- CONNECT CONNECTOR
OK -- Continue to next step.

4. CHECK FOR OPEN IN CAN BUS MAIN WIRE (NO. 1 JUNCTION CONNECTOR - COMBINATION METER ECU)

(a) Disconnect the H119 No. 1 junction connector.





(b) Measure the resistance according to the value(s) in the table below.

Standard Resistance:





Text in Illustration





Result





C -- CONNECT CONNECTOR

B -- CONNECT CONNECTOR

A -- REPLACE NO. 1 JUNCTION CONNECTOR

5. CONNECT CONNECTOR

(a) Reconnect the H119 No. 1 junction connector.

NEXT -- Continue to next step.

6. CHECK FOR OPEN IN CAN BUS MAIN WIRE (NO. 2 JUNCTION CONNECTOR - ECM)

(a) Disconnect the H116 No. 2 junction connector.





(b) Measure the resistance according to the value(s) in the table below.

Standard Resistance:





Text in Illustration





NG -- CONNECT CONNECTOR
OK -- Continue to next step.

7. CHECK FOR OPEN IN CAN BUS MAIN WIRE (NO. 1 JUNCTION CONNECTOR - NO. 2 JUNCTION CONNECTOR)

(a) Measure the resistance according to the value(s) in the table below.





Standard Resistance:





Text in Illustration





NG -- REPAIR OR REPLACE CAN MAIN WIRE OR CONNECTOR (NO. 1 JUNCTION CONNECTOR - NO. 2 JUNCTION CONNECTOR)

OK -- REPLACE NO. 2 JUNCTION CONNECTOR

8. CONNECT CONNECTOR

(a) Reconnect the H116 No. 2 junction connector.

NEXT -- Continue to next step.

9. CHECK FOR OPEN IN CAN BUS MAIN WIRE (ECM - NO. 2 JUNCTION CONNECTOR)

(a) Disconnect the A27 ECM connector.





(b) Measure the resistance according to the value(s) in the table below.

Standard Resistance:





Text in Illustration





Result





D -- REPLACE ECM Removal

C -- REPLACE ECM Removal

B -- REPLACE ECM Removal

A -- REPAIR OR REPLACE CAN MAIN WIRE CONNECTED TO ECM (ECM - NO. 2 JUNCTION CONNECTOR)

10. CONNECT CONNECTOR

(a) Reconnect the H119 No. 1 junction connector.

NEXT -- Continue to next step.

11. CHECK FOR OPEN IN CAN BUS MAIN WIRE (COMBINATION METER ECU - NO. 1 JUNCTION CONNECTOR)

(a) Disconnect the H37 combination meter ECU connector.





(b) Measure the resistance according to the value(s) in the table below.

Standard Resistance:





Text in Illustration





NG -- REPAIR OR REPLACE CAN MAIN WIRE CONNECTED TO COMBINATION METER ECU (COMBINATION METER ECU - NO. 1 JUNCTION CONNECTOR)

OK -- REPLACE COMBINATION METER ASSEMBLY Removal

12. CONNECT CONNECTOR

(a) Reconnect the H119 No. 1 junction connector.

NEXT -- Continue to next step.

13. CHECK FOR OPEN IN CAN BUS MAIN WIRE (NO. 4 JUNCTION CONNECTOR - COMBINATION METER ECU)

(a) Disconnect the O41 No. 4 junction connector.





(b) Measure the resistance according to the value(s) in the table below.

Standard Resistance:





Text in Illustration





NG -- CONNECT CONNECTOR
OK -- Continue to next step.

14. CHECK FOR OPEN IN CAN BUS MAIN WIRE (NO. 1 JUNCTION CONNECTOR - NO. 4 JUNCTION CONNECTOR)

(a) Measure the resistance according to the value(s) in the table below.





Standard Resistance:





Text in Illustration





NG -- REPAIR OR REPLACE CAN MAIN WIRE OR CONNECTOR (NO. 1 JUNCTION CONNECTOR - NO. 4 JUNCTION CONNECTOR)

OK -- REPLACE NO. 4 JUNCTION CONNECTOR

15. CONNECT CONNECTOR

(a) Reconnect the O41 No. 4 junction connector.

NEXT -- Continue to next step.

16. CHECK FOR OPEN IN CAN BUS MAIN WIRE (COMBINATION METER ECU - NO. 4 JUNCTION CONNECTOR)

(a) Disconnect the H37 combination meter ECU connector.





(b) Measure the resistance according to the value(s) in the table below.

Standard Resistance:





Text in Illustration





NG -- REPAIR OR REPLACE CAN MAIN WIRE CONNECTED TO COMBINATION METER ECU (COMBINATION METER ECU - NO. 4 JUNCTION CONNECTOR)

OK -- REPLACE COMBINATION METER ASSEMBLY Removal