Operation CHARM: Car repair manuals for everyone.
Manuals through 2025 now available!

Our trusted friends have launched a new website named LEMON, which has newer manuals. It also contains all the CHARM manuals.

LEMON is the spiritual successor to CHARM, I recommend you try it!

Link: lemon-manuals.la or lemon-manuals.org.ua

(Some people have issue connecting. LEMON is investigating. For now, use Firefox or change your DNS server)

Or, hide this message: temporarily or permanently

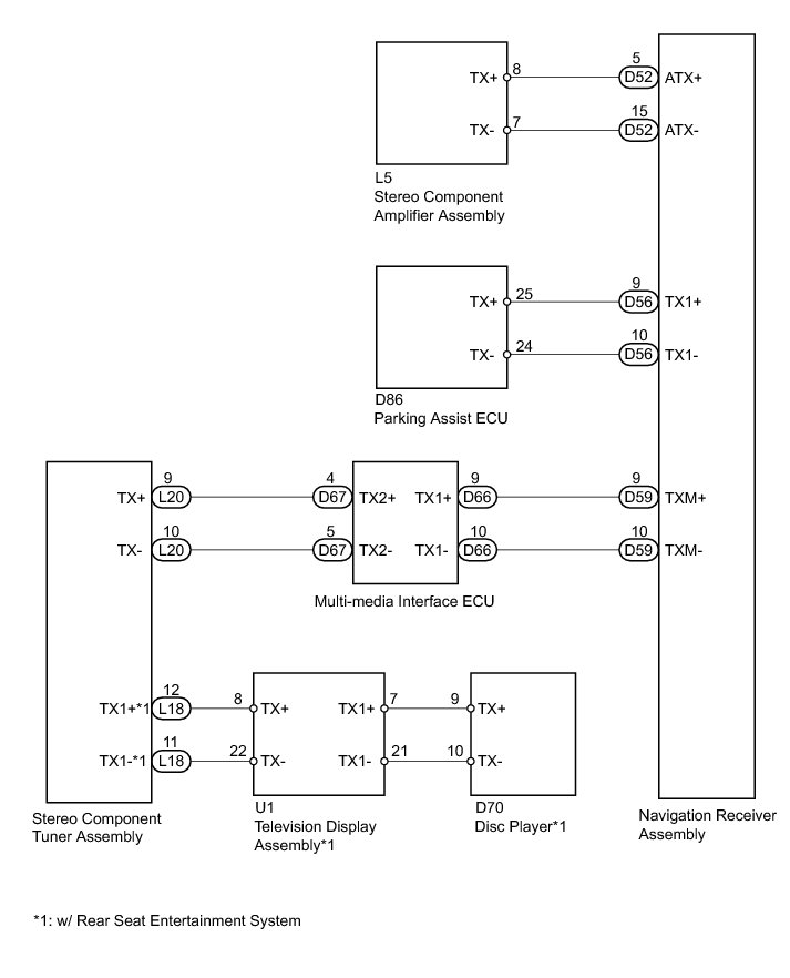
AVC-LAN Circuit





NAVIGATION / MULTI INFO DISPLAY: NAVIGATION SYSTEM (w/ USB Audio System): AVC-LAN Circuit
- AVC-LAN Circuit

DESCRIPTION

Each unit of the navigation system connected to the AVC-LAN (communication bus) transfers switch signals by the audio visual communication local area network.

If a short to +B or short to ground occurs in this AVC-LAN, the navigation system will not function normally as communication is stopped.

WIRING DIAGRAM





INSPECTION PROCEDURE

NOTICE:
* The navigation receiver assembly is the master unit.
* After replacing the stereo component tuner assembly of vehicles subscribed to pay-type satellite radio broadcasts, registration of the XM radio ID is necessary.

PROCEDURE

1. INSPECT NAVIGATION RECEIVER ASSEMBLY

(a) Disconnect the D52, D56 and D59 navigation receiver assembly connectors.





(b) Measure the resistance according to the value(s) in the table below.

Standard Resistance:





Text in Illustration





NG -- REPLACE NAVIGATION RECEIVER ASSEMBLY Removal
OK -- Continue to next step.

2. CHECK HARNESS AND CONNECTOR (NAVIGATION RECEIVER - COMPONENT WHICH HAS STEREO THIS CODE)

HINT
For details of the connectors, refer to Terminals of ECU Navigation System (w/ USB Audio System).

(a) Referring to the AVC-LAN wiring diagram below, check all AVC-LAN circuits.

(1) Disconnect all connectors in all AVC-LAN circuits.

(2) Check for an open or short in all AVC-LAN circuits.

OK:

There is no open or short circuit.

NG -- REPAIR OR REPLACE HARNESS OR CONNECTOR
OK -- Continue to next step.

3. INSPECT MALFUNCTIONING PARTS

(a) Disconnect and reconnect each slave unit one by one until the master unit returns to normal operation.

HINT
* Check all slave units.
* If disconnecting a slave unit causes the master unit to return to normal operation, the slave unit is defective and should be replaced.

OK:

Master unit returns to normal operation.

NG -- REPLACE NAVIGATION RECEIVER ASSEMBLY Removal

OK -- REPLACE MALFUNCTIONING PARTS