Operation CHARM: Car repair manuals for everyone.
Manuals through 2025 now available!

Our trusted friends have launched a new website named LEMON, which has newer manuals. It also contains all the CHARM manuals.

LEMON is the spiritual successor to CHARM, I recommend you try it!

Link: lemon-manuals.la or lemon-manuals.org.ua

(Some people have issue connecting. LEMON is investigating. For now, use Firefox or change your DNS server)

Or, hide this message: temporarily or permanently

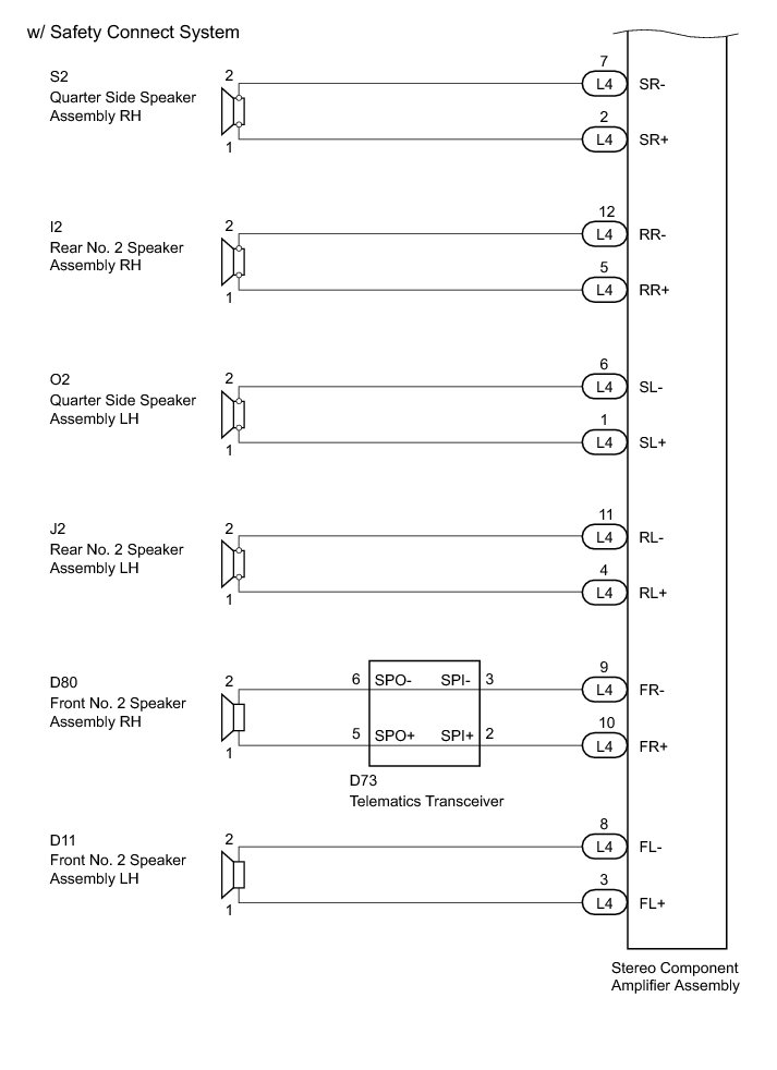
Speaker Circuit





NAVIGATION / MULTI INFO DISPLAY: NAVIGATION SYSTEM (w/ USB Audio System): Speaker Circuit
- Speaker Circuit

DESCRIPTION

The stereo component amplifier assembly sends sound signals to the speaker.

WIRING DIAGRAM













INSPECTION PROCEDURE

NOTICE:
If the telematics transceiver has been replaced, perform the Activate DCM procedure using the Techstream DCM Activation.

PROCEDURE

1. CHECK SPEAKER

(a) Check the malfunctioning speakers.

Result





B -- CHECK SPEAKER
A -- Continue to next step.

2. CHECK SPEAKER

(a) Check the malfunctioning speakers.

Result





C -- INSPECT FRONT NO. 3 SPEAKER ASSEMBLY

B -- INSPECT FRONT NO. 2 SPEAKER ASSEMBLY
A -- Continue to next step.

3. INSPECT FRONT NO. 1 SPEAKER ASSEMBLY

(a) Disconnect the G8*1 and/or H6*2 front No. 1 speaker assembly connector.





*1: for RH

*2: for LH

(b) Measure the resistance according to the value(s) in the table below.

Standard Resistance:





Text in Illustration





NG -- REPLACE FRONT NO. 1 SPEAKER ASSEMBLY Removal
OK -- Continue to next step.

4. CHECK HARNESS AND CONNECTOR (STEREO COMPONENT AMPLIFIER - FRONT NO. 1 SPEAKER)

(a) Disconnect the L3 stereo component amplifier assembly connector.

(b) Disconnect the G8*1 and/or H6*2 front No. 1 speaker assembly connector.

*1: for RH

*2: for LH

(c) Measure the resistance according to the value(s) in the table below.

Standard Resistance:

for RH
for LH










NG -- REPAIR OR REPLACE HARNESS OR CONNECTOR

OK -- REPLACE STEREO COMPONENT AMPLIFIER ASSEMBLY Removal

5. INSPECT FRONT NO. 2 SPEAKER ASSEMBLY

(a) Disconnect the D80*1 and/or D11*2 front No. 2 speaker assembly connector.





*1: for RH

*2: for LH

(b) Measure the resistance according to the value(s) in the table below.

Standard Resistance:





Text in Illustration





NG -- REPLACE FRONT NO. 2 SPEAKER ASSEMBLY Removal
OK -- Continue to next step.

6. SYSTEM CHECK

(a) Check the vehicle specifications.

Result





B -- CHECK HARNESS AND CONNECTOR (STEREO COMPONENT AMPLIFIER - FRONT NO. 2 SPEAKER)
A -- Continue to next step.

7. INSPECT TELEMATICS TRANSCEIVER

(a) Disconnect the D73 telematics transceiver connector.





(b) Measure the resistance according to the value(s) in the table below.

Standard Resistance:





Text in Illustration





(c) Reconnect the telematics transceiver connector.

NG -- REPLACE TELEMATICS TRANSCEIVER Removal
OK -- Continue to next step.

8. CHECK HARNESS AND CONNECTOR (STEREO COMPONENT AMPLIFIER - FRONT NO. 2 SPEAKER)

(a) Disconnect the L4 stereo component amplifier assembly connector.

(b) Disconnect the D80*1 and/or D11*2 front No. 2 speaker assembly connector.

*1: for RH

*2: for LH

(c) Measure the resistance according to the value(s) in the table below.

Standard Resistance:

for RH
for LH










NG -- REPAIR OR REPLACE HARNESS OR CONNECTOR

OK -- REPLACE STEREO COMPONENT AMPLIFIER ASSEMBLY Removal

9. INSPECT FRONT NO. 3 SPEAKER ASSEMBLY

(a) Disconnect the D48 front No. 3 speaker assembly connector.





(b) Measure the resistance according to the value(s) in the table below.

Standard Resistance:





Text in Illustration





NG -- REPLACE FRONT NO. 3 SPEAKER ASSEMBLY Removal
OK -- Continue to next step.

10. CHECK HARNESS AND CONNECTOR (STEREO COMPONENT AMPLIFIER - FRONT NO. 3 SPEAKER)

(a) Disconnect the L3 stereo component amplifier assembly connector.

(b) Disconnect the D48 front No. 3 speaker assembly connector.

(c) Measure the resistance according to the value(s) in the table below.

Standard Resistance:





NG -- REPAIR OR REPLACE HARNESS OR CONNECTOR

OK -- REPLACE STEREO COMPONENT AMPLIFIER ASSEMBLY Removal

11. CHECK SPEAKER

(a) Check the malfunctioning speakers.

Result





C -- INSPECT REAR NO. 3 SPEAKER ASSEMBLY

B -- INSPECT REAR NO. 2 SPEAKER ASSEMBLY
A -- Continue to next step.

12. INSPECT QUARTER SIDE SPEAKER ASSEMBLY

(a) Disconnect the S2*1 and/or O2*2 quarter side speaker assembly connector.





*1: for RH

*2: for LH

(b) Measure the resistance according to the value(s) in the table below.

Standard Resistance:





Text in Illustration





NG -- REPLACE QUARTER SIDE SPEAKER ASSEMBLY Removal
OK -- Continue to next step.

13. CHECK HARNESS AND CONNECTOR (STEREO COMPONENT AMPLIFIER - QUARTER SIDE SPEAKER)

(a) Disconnect the L4 stereo component amplifier assembly connector.

(b) Disconnect the S2*1 and/or O2*2 quarter side speaker assembly connector.

*1: for RH

*2: for LH

(c) Measure the resistance according to the value(s) in the table below.

Standard Resistance:

for RH
for LH










NG -- REPAIR OR REPLACE HARNESS OR CONNECTOR

OK -- REPLACE STEREO COMPONENT AMPLIFIER ASSEMBLY Removal

14. INSPECT REAR NO. 2 SPEAKER ASSEMBLY

(a) Disconnect the I2*1 and/or J2*2 rear No. 2 speaker assembly connector.





*1: for RH

*2: for LH

(b) Measure the resistance according to the value(s) in the table below.

Standard Resistance:





Text in Illustration





NG -- REPLACE REAR NO. 2 SPEAKER ASSEMBLY Removal
OK -- Continue to next step.

15. CHECK HARNESS AND CONNECTOR (STEREO COMPONENT AMPLIFIER - REAR NO. 2 SPEAKER)

(a) Disconnect the L4 stereo component amplifier assembly connector.

(b) Disconnect the I2*1 and/or J2*2 rear No. 2 speaker assembly connector.

*1: for RH

*2: for LH

(c) Measure the resistance according to the value(s) in the table below.

Standard Resistance:

for RH
for LH










NG -- REPAIR OR REPLACE HARNESS OR CONNECTOR

OK -- REPLACE STEREO COMPONENT AMPLIFIER ASSEMBLY Removal

16. INSPECT REAR NO. 3 SPEAKER ASSEMBLY

(a) Disconnect the W16 rear No. 3 speaker assembly connector.





(b) Measure the resistance according to the value(s) in the table below.

Standard Resistance:





Text in Illustration





NG -- REPLACE REAR NO. 3 SPEAKER ASSEMBLY Removal
OK -- Continue to next step.

17. CHECK HARNESS AND CONNECTOR (STEREO COMPONENT AMPLIFIER - REAR NO. 3 SPEAKER)

(a) Disconnect the L3 stereo component amplifier assembly connector.

(b) Disconnect the W16 rear No. 3 speaker assembly connector.

(c) Measure the resistance according to the value(s) in the table below.

Standard Resistance:





NG -- REPAIR OR REPLACE HARNESS OR CONNECTOR

OK -- REPLACE STEREO COMPONENT AMPLIFIER ASSEMBLY Removal