Operation CHARM: Car repair manuals for everyone.
Manuals through 2025 now available!

Our trusted friends have launched a new website named LEMON, which has newer manuals. It also contains all the CHARM manuals.

LEMON is the spiritual successor to CHARM, I recommend you try it!

Link: lemon-manuals.la or lemon-manuals.org.ua

(Some people have issue connecting. LEMON is investigating. For now, use Firefox or change your DNS server)

Or, hide this message: temporarily or permanently

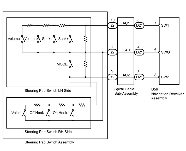
Steering Pad Switch Circuit





NAVIGATION / MULTI INFO DISPLAY: NAVIGATION SYSTEM (w/ USB Audio System): Steering Pad Switch Circuit
- Steering Pad Switch Circuit

DESCRIPTION

This circuit sends an operation signal from the steering pad switch assembly to the navigation receiver assembly.

If there is an open in the circuit, the audio system cannot be operated using the steering pad switch assembly.

If there is a short in the circuit, the same condition as when the switch is continuously depressed occurs.

Therefore, the navigation receiver assembly cannot be operated using the steering pad switch assembly, and the navigation receiver assembly itself cannot function.

WIRING DIAGRAM





INSPECTION PROCEDURE

CAUTION:
The vehicle is equipped with an SRS (Supplemental Restraint System) which includes components such as airbags. Before servicing (including removal or installation of parts), be sure to read the Precaution in the SRS Service Precautions.

PROCEDURE

1. INSPECT STEERING PAD SWITCH ASSEMBLY

(a) Remove the steering pad switch assembly Removal.





Text in Illustration





(b) Measure the resistance according to the value(s) in the table below.

Standard Resistance:





NG -- REPLACE STEERING PAD SWITCH ASSEMBLY Removal
OK -- Continue to next step.

2. INSPECT SPIRAL CABLE SUB-ASSEMBLY

(a) Remove the spiral cable sub-assembly Service Precautions.





(b) Measure the resistance according to the value(s) in the table below.

Standard Resistance:





Text in Illustration





CAUTION:
The spiral cable is an important part of the SRS airbag system. Incorrect removal or installation of the spiral cable may prevent the airbag from deploying. Be sure to read the Precaution in the SRS Removal.

NG -- REPLACE SPIRAL CABLE SUB-ASSEMBLY Removal
OK -- Continue to next step.

3. CHECK HARNESS AND CONNECTOR (NAVIGATION RECEIVER - SPIRAL CABLE)

(a) Disconnect the D56 navigation receiver assembly connector.

(b) Disconnect the D21 spiral cable connector.

(c) Measure the resistance according to the value(s) in the table below.

Standard Resistance:





NG -- REPAIR OR REPLACE HARNESS OR CONNECTOR

OK -- PROCEED TO NEXT SUSPECTED AREA SHOWN IN PROBLEM SYMPTOMS TABLE Problem Symptoms Table