Operation CHARM: Car repair manuals for everyone.
Manuals through 2025 now available!

Our trusted friends have launched a new website named LEMON, which has newer manuals. It also contains all the CHARM manuals.

LEMON is the spiritual successor to CHARM, I recommend you try it!

Link: lemon-manuals.la or lemon-manuals.org.ua

(Some people have issue connecting. LEMON is investigating. For now, use Firefox or change your DNS server)

Or, hide this message: temporarily or permanently

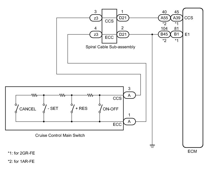
Cruise Control Switch Circuit





CRUISE CONTROL: CRUISE CONTROL SYSTEM: Cruise Control Switch Circuit
- Cruise Control Switch Circuit

DESCRIPTION

The cruise control main switch operates 7 functions: SET, - (COAST), TAP-DOWN, RES (RESUME), + (ACCEL), TAP-UP, and CANCEL. The SET, TAP-DOWN, and - (COAST) functions, and the RES (RESUME), TAP-UP, and + (ACCEL) functions are operated with the same switch. The cruise control main switch is an automatic return type switch which turns on only while operating it in the direction of each arrow and turns off after releasing it. The internal contact point of the cruise control main switch is turned on with the switch operation. Then the ECM reads the voltage value that has been changed by the switch operation to control SET, - (COAST), RES (RESUME), + (ACCEL), and CANCEL.

WIRING DIAGRAM





INSPECTION PROCEDURE

PROCEDURE

1. READ VALUE USING TECHSTREAM

(a) Connect the Techstream to the DLC3.

Text in Illustration









(b) Turn the ignition switch to ON.

(c) Turn the Techstream on.

(d) Enter the following menus: Powertrain / Cruise Control / Data List.

(e) Check the Data List for proper functioning of the cruise control main switch.

Cruise Control (ECM)





OK:

When the cruise control main switch is operated, the display changes as shown above.

Result





C -- REPLACE CRUISE CONTROL MAIN SWITCH Removal

B -- INSPECT CRUISE CONTROL MAIN SWITCH

A -- PROCEED TO NEXT SUSPECTED AREA SHOWN IN PROBLEM SYMPTOMS TABLE Problem Symptoms Table

2. INSPECT CRUISE CONTROL MAIN SWITCH

(a) Remove the cruise control main switch Removal.





Text in Illustration





(b) Measure the resistance according to the value(s) in the table below.

Standard Resistance:





*1: The lever is in the neutral position.

(c) Install the cruise control main switch Installation.

NG -- REPLACE CRUISE CONTROL MAIN SWITCH Removal
OK -- Continue to next step.

3. CHECK HARNESS AND CONNECTOR (CRUISE CONTROL MAIN SWITCH - SPIRAL CABLE SUB-ASSEMBLY)

(a) Disconnect the connector from the spiral cable sub-assembly.





(b) Disconnect the connector from the cruise control main switch.

(c) Measure the resistance according to the value(s) in the table below.

Standard Resistance:





Text in Illustration





(d) Reconnect the connector from the cruise control main switch.

(e) Reconnect the connector from the spiral cable sub-assembly.

NG -- REPAIR OR REPLACE HARNESS OR CONNECTOR
OK -- Continue to next step.

4. INSPECT SPIRAL CABLE SUB-ASSEMBLY

NOTICE:
The spiral cable sub-assembly is an important part of the SRS airbag system. Incorrect removal or installation of the spiral cable sub-assembly may cause airbag deployment. Be sure to read the page shown in the brackets.

(a) Remove the spiral cable sub-assembly Removal.





(b) Measure the resistance according to the value(s) in the table below.

Standard Resistance:





Text in Illustration





HINT
The spiral cable sub-assembly makes a maximum of approximately 5 rotations.

(c) Install the spiral cable sub-assembly Installation.

NG -- REPLACE SPIRAL CABLE SUB-ASSEMBLY Removal
OK -- Continue to next step.

5. SYSTEM CHECK

(a) Check the vehicle specifications.

Result





B -- CHECK HARNESS AND CONNECTOR (SPIRAL CABLE - ECM AND BODY GROUND)
A -- Continue to next step.

6. CHECK HARNESS AND CONNECTOR (SPIRAL CABLE - ECM AND BODY GROUND)

(a) Disconnect the ECM connector.





(b) Disconnect the spiral cable sub-assembly connector.

(c) Measure the resistance according to the value(s) in the table below.

Standard Resistance:





Text in Illustration





(d) Reconnect the spiral cable sub-assembly connector.

(e) Reconnect the ECM connector.

NG -- REPAIR OR REPLACE HARNESS OR CONNECTOR

OK -- REPLACE ECM Removal

7. CHECK HARNESS AND CONNECTOR (SPIRAL CABLE - ECM AND BODY GROUND)

(a) Disconnect the ECM connector.





(b) Disconnect the spiral cable sub-assembly connector.

(c) Measure the resistance according to the value(s) in the table below.

Standard Resistance:





Text in Illustration





(d) Reconnect the spiral cable sub-assembly connector.

(e) Reconnect the ECM connector.

NG -- REPAIR OR REPLACE HARNESS OR CONNECTOR

OK -- REPLACE ECM Removal