Operation CHARM: Car repair manuals for everyone.
Manuals through 2025 now available!

Our trusted friends have launched a new website named LEMON, which has newer manuals. It also contains all the CHARM manuals.

LEMON is the spiritual successor to CHARM, I recommend you try it!

Link: lemon-manuals.la or lemon-manuals.org.ua

(Some people have issue connecting. LEMON is investigating. For now, use Firefox or change your DNS server)

Or, hide this message: temporarily or permanently

Yaw Rate Sensor Communication Stop Mode





NETWORKING: CAN COMMUNICATION SYSTEM: Yaw Rate Sensor Communication Stop Mode
- Yaw Rate Sensor Communication Stop Mode

DESCRIPTION





HINT
For vehicles with VDIM only.

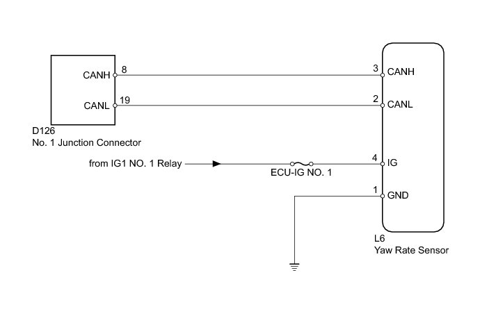
WIRING DIAGRAM





INSPECTION PROCEDURE

NOTICE:
* Turn the ignition switch off before measuring the resistances between CAN bus main wires and between CAN bus branch wires.
* Turn the ignition switch off before inspecting CAN bus wires for a ground short.
* After the ignition switch is turned off, check that the key reminder warning system and light reminder warning system are not operating.
* Before measuring the resistance, leave the vehicle as is for at least 1 minute and do not operate the ignition switch, any other switches or the doors. If any doors need to be opened in order to check connectors, open the doors and leave them open.
* Inspect the fuses for circuits related to this system before performing the following inspection procedure.

HINT
* Operating the ignition switch, any other switches or a door triggers related ECU and sensor communication on the CAN. This communication will cause the resistance value to change.
* Even after DTCs are cleared, if a DTC is stored again after driving the vehicle for a while, the malfunction may be occurring due to vibration of the vehicle. In such a case, wiggling the ECUs or wire harness while performing the inspection below may help determine the cause of the malfunction.

PROCEDURE

1. DISCONNECT CABLE FROM NEGATIVE BATTERY TERMINAL

(a) Disconnect the cable from the negative (-) battery terminal before measuring the resistances of the main wire and the branch wire.

CAUTION:
Wait at least 90 seconds after disconnecting the cable from the negative (-) battery terminal to disable the SRS system.

NOTICE:
When disconnecting the cable, some systems need to be initialized after the cable is reconnected Repair Instruction - Initialization

NEXT -- Continue to next step.

2. CHECK CAN BUS LINE FOR DISCONNECTION (YAW RATE SENSOR BRANCH WIRE)

(a) Turn the ignition switch off.

(b) Disconnect the L6 yaw rate sensor connector.





(c) Measure the resistance according to the value(s) in the table below.

Standard Resistance:





Text in Illustration





NG -- REPAIR OR REPLACE CAN BRANCH WIRE CONNECTED TO YAW RATE SENSOR (CAN-H, CAN-L)
OK -- Continue to next step.

3. CHECK HARNESS AND CONNECTOR (YAW RATE SENSOR - BATTERY AND BODY GROUND)

(a) Connect the cable to the negative (-) battery terminal.

NOTICE:
When disconnecting the cable, some systems need to be initialized after the cable is reconnected Repair Instruction - Initialization

(b) Turn the ignition switch to ON.





(c) Disconnect the L6 yaw rate sensor connector.

(d) Measure the resistance according to the value(s) in the table below.

Standard Resistance:





Text in Illustration





(e) Measure the voltage according to the value(s) in the table below.

Standard Voltage:





NG -- REPAIR OR REPLACE HARNESS OR CONNECTOR

OK -- REPLACE YAW RATE SENSOR Removal