Operation CHARM: Car repair manuals for everyone.
Manuals through 2025 now available!

Our trusted friends have launched a new website named LEMON, which has newer manuals. It also contains all the CHARM manuals.

LEMON is the spiritual successor to CHARM, I recommend you try it!

Link: lemon-manuals.la or lemon-manuals.org.ua

(Some people have issue connecting. LEMON is investigating. For now, use Firefox or change your DNS server)

Or, hide this message: temporarily or permanently

Smart Key System (for Entry Function)





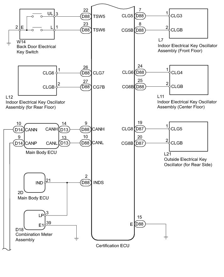
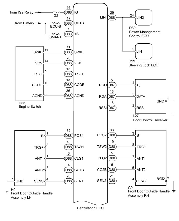
THEFT DETERRENT / KEYLESS ENTRY: SMART KEY SYSTEM (for Entry Function): SYSTEM DIAGRAM









Communication Table


















CAUTION:
If using a pacemaker, be sure to read the manual of the pacemaker before using the key, as the radio waves of the key may affect the pacemaker.





SYSTEM DESCRIPTION

1. SMART KEY SYSTEM DESCRIPTION

(a) In addition to conventional mechanical key and wireless door lock control functions, the smart key system enables door locking/unlocking, steering lock releasing and engine starting without operating the key. The only requirement is that the key is in the user's possession.

This system is controlled by the certification ECU. When the certification ECU detects the presence of the smart key system in one of the detection areas, it identifies and checks the ID code, and outputs operation signals to the related ECU in accordance with their functions.

The detection areas are formed by 6 oscillators (2 door oscillators, 1 outside oscillator and 3 indoor oscillators).

2. DETECTION AREA





Text in Illustration





(a) Precautions for the entire system:

Be sure to carry the key during inspection of the smart key system.

As weak radio waves are used to detect the key, the key detection area may decrease, or the key may not be detected correctly in the following situations:

* The key battery is depleted.

* Any facilities that generate strong radio waves, such as a TV tower, power plant, broadcast station or gas station, are located near the inspection site.

* A wireless device, such as a cell phone, is carried with the key.

* The key is in contact with or covered by metal.

* Electric wave type keyless entry systems are being operated nearby.

* The key is located near a device that generates high voltage or noise.

* Film with some metallic content is applied to the back glass.

HINT
In this case, remove the film or unlock the door using the mechanical key.

Even if the key is in the vehicle exterior key detection area, the key may not operate properly due to the vehicle body design.

The key may not be detected correctly if it is around the vehicle windows, door handles or bumpers, even when it is in the detection area outside the vehicle.

The key may not be detected correctly if it is on the instrument panel or floor, or in the glove box, even when it is in the detection area inside the vehicle.

The key may not operate if the key is not held properly.

The smart key system does not operate under the following conditions:

* The smart key system is canceled.

* The key battery is completely depleted (the indicator does not blink when pushing any of the switches on the key).

3. FUNCTION OF MAIN COMPONENTS





4. CONSTRUCTION AND OPERATION

(a) Key

A total of 7 keys can be registered.

(1) Electrical key transmitter:

The electrical key transmitter consists of a mechanical key, a transmitter function for the wireless door lock control and a transceiver for the smart key system.

The transceiver function for the smart key system receives the signals from the antennas and sends the ID code to the door control receiver.

The transmitter function for the wireless door lock control has a lock switch, unlock switch and glass hatch open switch.

The mechanical key can lock/unlock all the doors. To lock or unlock the doors, remove the cap from the driver door outside handle, insert the key into the door key cylinder, and then turn it to the lock or unlock position.





Text in Illustration





(b) Antenna (front door, front floor, rear floor, inside luggage and outside luggage):

Each antenna transmits the request signal received from the certification ECU, and forms a key detection area to detect the presence of a key. The detection area formed by the front door antenna and outside luggage antenna is approximately 0.7 to 1.0 m (2.30 to 3.28 ft.) from the outside handle of the front door and rear bumper.

The detection area of the front door antenna is formed by transmitting a request signal every 0.25 seconds while the engine switch is off and all the doors are locked. In this way, it detects the proximity of a key. During entry lock, the detection area is formed with the lock sensor on.

The detection area of the outside luggage antenna is formed when the unlock switch is on.

The detection area of the indoor antennas (front floor, rear floor and inside luggage) is formed when the driver door is open or closed, during starting, when a warning is activated, or when the lock sensor is on.

5. ENTRY FUNCTION OPERATION

(a) The smart key system has the following functions:









*: w/ Front power seat System

6. WIRELESS DOOR LOCK CONTROL SYSTEM FUNCTION

Push the lock, unlock, panic, power back door, and power slide door switch on the key to operate each function. For details, Operation Check.

7. ENTRY UNLOCK FUNCTION

(a) When the key enters any exterior detection area of a front door, the certification judges and certifies the key ID code received from the door control receiver assembly.

(b) After the key certification OK is confirmed, the certification ECU transmits an unlock stand-by signal to the touch sensor of the relevant door.

(c) At the same time, the certification ECU transmits the lighting signals to the foot lights on the outside rear view mirror and interior lights (engine switch illumination and interior lights) to turn them on (Entry Illumination Function).

(d) If a touch sensor is touched in this condition, the certification ECU transmits a door unlock request signal to the main body ECU, and unlocks either the driver door or all doors.

The front door outside handle assembly (for driver side) unlocks the driver door.

The front door outside handle assembly (for front passenger side) unlocks all doors.

(e) The main body ECU sounds the wireless door lock buzzer twice, and the main body ECU flashes the hazard warning lights twice, as an answer back for entry unlock.

8. ENTRY LOCK FUNCTION

(a) The entry lock signal is transmitted to the certification ECU when the user (who has the key in their possession) exits the vehicle and touches the lock sensor on the door outside handle assembly or presses the lock switch on the back door electrical key switch.

(b) The certification ECU transmits a request signal for the indoor electrical key oscillators (for front, center and inside luggage), door electrical key oscillators (for driver and front passenger side) and outside electrical key oscillator (for outside luggage) to form detection areas.

(c) The certification ECU judges and certifies the ID code. It then checks the location of the key and, if all doors are closed, the ECU transmits a door lock signal to the main body ECU.

(d) The main body ECU receives this signal and actuates the lock motors.

(e) The main body ECU blinks the hazard warning lights once and the main body ECU sounds the wireless door lock buzzer once as an answer back for the entry lock function.

9. ENTRY BACK DOOR OPEN FUNCTION

(a) The unlock signal is transmitted to the certification ECU from the back door opener switch assembly.

(b) The certification ECU transmits a request signal for the outside electrical key oscillator (for outside luggage) to form detection area.

(c) The key receives this signal and returns the ID code to the door control receiver assembly.

(d) The certification ECU judges and certifies the ID code, and checks the location of the key. The ECU transmits a back door open signal to the main body ECU or power back door ECU.

(e) Any ECU receives this signal and actuates the motor to manually open the back door.

10. SMART POWER SLIDE DOOR OPEN FUNCTION

(a) The smart power slide door signal is transmitted to the certification ECU from the smart power slide door switch.

(b) The certification ECU transmits a request signal for the outside electrical key oscillator (for driver and front passenger side) to form detection area.

(c) If key verification is successful, the smart power slide door operation signal is sent to the main body ECU, which performs the all door unlock while transmitting a slide door open signal to the power slide door ECU, which opens the power slide door.

11. PREVENTION OF KEY CONFINEMENT FUNCTION

(a) The key confinement prevention function prevents the key from being locked in the vehicle.

(1) When the door is locked by the lock knob in the inside door handle while the key is still in the vehicle interior, the main body ECU receives this signal and transmits the door condition signal to the certification ECU.

(2) The certification ECU transmits a request signal for the indoor electrical key oscillators (for front, center and inside luggage) to form detection area.

(3) The key receives this signal and returns the ID code to the door control receiver assembly.

(4) The certification ECU judges and certifies the ID code, and checks the location of the key. The ECU transmits a door unlock signal to the main body ECU.

(5) The main body ECU receives this signal and actuates all door lock assemblies to unlock.

(6) The certification ECU sounds the wireless door lock buzzer and buzzer in the combination meter as an answer back for unlock.

12. ENTRY ILLUMINATION FUNCTION

When a person carrying the key enters the detection area, the door will enter unlock standby mode and the front map light will illuminate.

HINT
The entry illumination function operates when the key enters the exterior detection area from outside the detection area. If the key does not remain out of the detection area for 3 seconds or more, the illumination function does not operate.

13. WARNING FUNCTION

(a) Warning

(1) When any of the situations below occur, the smart key system causes the certification ECU to sound a buzzer in the combination meter assembly and the wireless door lock buzzer, a message to appear on the multi-information display, and the engine switch illumination to operate in order to alert the driver.





(2) Situation A

There are 2 patterns for situation A.

* Pattern 1:

When the engine is left running and the shift lever is in a position other than P, the driver opens the door and attempts to get out of the vehicle.

In this situation, the following control is performed:





* Pattern 2:

Under the situation of pattern 1, the driver closes the door and attempts to leave the vehicle while holding the key.

In this situation, the following control is performed:





(3) Situation B

There are two patterns for situation B.

* Pattern 1:

When the driver door is open, the driver turns the engine switch on (ACC) and attempts to leave the vehicle.

* Pattern 2:

When the driver door is open, the driver turns the engine switch from on (IG) to off and attempts to leave the vehicle.

In these situations, the following control is performed:





(4) Situation C

There are 2 patterns for situation C.

* Pattern 1:

When the engine is left running and the shift lever is in P, the driver closes the driver door and attempts to leave the vehicle while holding the key.

In this situation, the following control is performed:





* Pattern 2:

Under the situation of pattern 1, the driver touches the lock sensor on the door outside handle assembly.

In this situation, the following control is performed:





(5) Situation D

The lock sensor on the door outside handle assembly is touched to perform entry lock with a door open.

In this situation, the following control is performed:





(6) Situation E

When the engine is left running, a passenger leaves the vehicle while holding the key.

In this situation, the following control is performed:





(7) Situation F

When the key is not in the vehicle or the key battery is dead, the driver attempts to start the engine or turn the engine switch on (IG).

In this situation, the following control is performed:





(8) Situation G

There are two patterns for situation G.

* Pattern 1:

The lock sensor on a door outside handle assembly is touched to perform entry lock with the key left in the vehicle.

In this situation, the following control is performed:





* Pattern 2:

With a door open and the key in the cabin, the lock knob is locked and then the door is closed with the door handle being pulled.

In this situation, the following control is performed:





(9) Situation H

The vehicle is driven using a key that has a low battery.

In this situation, the following control is performed:





(10) Situation I

The steering lock cannot be released.

In this situation, the following control is performed:





(11) Situation J

A malfunction of the steering lock ECU (steering lock actuator assembly) is detected.

In this situation, the following control is performed:





(12) Situation K

A malfunction of the power management control ECU is detected.

In this situation, the following control is performed:





(13) Situation L

There are two patterns for situation L.

* Pattern 1:

A warning message appears on the multi-information display when the driver does not follow the proper procedure to start the vehicle.

In this situation, the following control is performed:





* Pattern 2:

A message indicating how to start the engine appears on the multi-information display when the shift lever is in a position in which the engine cannot be started.

In this situation, the following control is performed:





(14) Situation M

There are two patterns for situation M.

* Pattern 1:

When the engine switch is pushed, the key cannot be detected in the vehicle two times in a row.

In this situation, the following control is performed:





* Pattern 2:

The driver attempts to start the engine after performing a driver door key linked unlock operation.

In this situation, the following control is performed:





(15) Situation N

A warning message appears on the multi-information display when the driver attempts to turn the engine switch off with the shift lever in any position other than P or N.

In this situation, the following control is performed:





(16) Situation O

A warning message appears on the multi-information display when automatic power off operation occurs.

In this situation, the following control is performed:





(17) Situation P

A warning message appears on the multi-information display when a key with a depleted battery is touched to the engine switch while depressing the brake.

In this situation, the following control is performed:





*: This situation occurs following situation M.

(18) Situation Q

A warning message appears on the multi-information display when the vehicle starts moving without the registered key in the vehicle interior.

In this situation, the following control is performed:





14. BATTERY SAVING

(a) Vehicle Battery Saving Function

In the smart key system, signals are emitted outside the vehicle at a prescribed interval (0.25 seconds) when the doors are locked. Therefore, the vehicle battery could be drained if the vehicle remains parked for a long time. For this reason, the controls listed below are affected:





Reinstatement Conditions

A wireless door lock control signal (lock, unlock) is input and the ID code matches.

A user carries the key and touches a lock sensor on a door outside handle assembly.

The driver door is locked or unlocked by the mechanical key.

(b) Key Battery and Vehicle Battery Saving Function

In the smart key system, if the key is constantly in the exterior detection area of the doors, the system maintains periodic communication with the key. Therefore, if the vehicle remains parked in that state for a long time, the key battery and vehicle battery could be drained. For this reason, if this state continues longer than 10 minutes, the smart key system automatically becomes deactivated.

Reinstatement Conditions

A wireless door lock control signal (lock, unlock) is input and the ID code matches.

A user carries the key and touches a lock sensor on a door outside handle assembly.

A door is locked or unlocked by the mechanical key.