Operation CHARM: Car repair manuals for everyone.
Manuals through 2025 now available!

Our trusted friends have launched a new website named LEMON, which has newer manuals. It also contains all the CHARM manuals.

LEMON is the spiritual successor to CHARM, I recommend you try it!

Link: lemon-manuals.la or lemon-manuals.org.ua

(Some people have issue connecting. LEMON is investigating. For now, use Firefox or change your DNS server)

Or, hide this message: temporarily or permanently

VC Output Circuit





1AR-FE ENGINE CONTROL: SFI SYSTEM: VC Output Circuit
- VC Output Circuit

DESCRIPTION

The ECM constantly generates 5 V of power from battery voltage supplied to the +B (BATT) terminal to operate the microprocessor. The ECM also provides this power to the sensors through the VC output circuit.





When the VC circuit is shorted, the microprocessor in the ECM and sensors that are supplied with power through the VC circuit are inactivated because the power is not supplied from the VC circuit. Under this condition, the system does not start up and the MIL does not illuminate even if the system malfunctions.

HINT
Under normal conditions, the MIL is illuminated for several seconds when the ignition switch is first turned to ON. The MIL turns off when the engine is started.

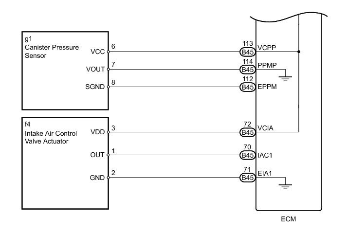
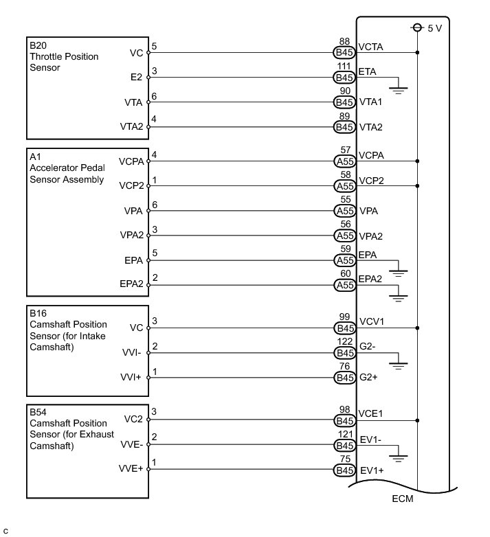
WIRING DIAGRAM









INSPECTION PROCEDURE

PROCEDURE

1. CHECK MIL

(a) Check that the Malfunction Indicator Lamp (MIL) lights up when the ignition switch is turned to ON.

OK:

MIL lights up.

NG -- CHECK COMMUNICATION BETWEEN TECHSTREAM AND ECM

OK -- PROCEED TO NEXT SUSPECTED AREA SHOWN IN PROBLEM SYMPTOMS TABLE Symptom Related Diagnostic Procedures

2. CHECK COMMUNICATION BETWEEN TECHSTREAM AND ECM

(a) Connect the Techstream to the DLC3.

(b) Turn the ignition switch to ON.

(c) Turn the Techstream on.

(d) Check the communication between the Techstream and ECM.

Result





B -- GO TO MIL CIRCUIT Testing and Inspection
A -- Continue to next step.

3. CHECK MIL (THROTTLE POSITION SENSOR)

(a) Disconnect the throttle with motor body assembly connector.

(b) Turn the ignition switch to ON.

(c) Check the MIL.

Result





(d) Reconnect the throttle with motor body assembly connector.

B -- REPLACE THROTTLE WITH MOTOR BODY ASSEMBLY Removal
A -- Continue to next step.

4. CHECK MIL (ACCELERATOR PEDAL POSITION SENSOR)

(a) Disconnect the accelerator pedal position sensor connector.

(b) Turn the ignition switch to ON.

(c) Check the MIL.

Result





(d) Reconnect the accelerator pedal position sensor connector.

B -- REPLACE ACCELERATOR PEDAL ROD ASSEMBLY Removal
A -- Continue to next step.

5. CHECK MIL (CANISTER PUMP MODULE)

(a) Disconnect the canister pump module connector.

(b) Turn the ignition switch to ON.

(c) Check the MIL.

Result





(d) Reconnect the canister pump module connector.

B -- REPLACE CANISTER Removal
A -- Continue to next step.

6. CHECK MIL (CAMSHAFT POSITION SENSOR FOR INTAKE CAMSHAFT)

(a) Disconnect the camshaft position sensor for intake camshaft connector.

(b) Turn the ignition switch to ON.

(c) Check the MIL.

Result





(d) Reconnect the camshaft position sensor for intake camshaft connector.

B -- REPLACE CAMSHAFT POSITION SENSOR (FOR INTAKE CAMSHAFT) Removal
A -- Continue to next step.

7. CHECK MIL (CAMSHAFT POSITION SENSOR FOR EXHAUST CAMSHAFT)

(a) Disconnect the camshaft position sensor for exhaust camshaft connector.

(b) Turn the ignition switch to ON.

(c) Check the MIL.

Result





(d) Reconnect the camshaft position sensor for exhaust camshaft connector.

B -- REPLACE CAMSHAFT POSITION SENSOR (FOR EXHAUST CAMSHAFT) Removal
A -- Continue to next step.

8. CHECK MIL (INTAKE AIR CONTROL VALVE ACTUATOR FOR TUMBLE CONTROL VALVE)

(a) Disconnect the intake air control valve actuator connector.

(b) Turn the ignition switch to ON.

(c) Check the MIL.

Result





(d) Reconnect the intake air control valve actuator connector.

B -- REPLACE INTAKE AIR CONTROL VALVE ACTUATOR (FOR TUMBLE CONTROL VALVE) Removal
A -- Continue to next step.

9. CHECK HARNESS AND CONNECTOR (VC CIRCUIT)

(a) Disconnect the throttle with motor body assembly connector.

(b) Disconnect the accelerator pedal position sensor connector.

(c) Disconnect the canister pump module connector.

(d) Disconnect the camshaft position sensor for intake camshaft connector.

(e) Disconnect the camshaft position sensor for exhaust camshaft connector.

(f) Disconnect the intake air control valve actuator connector.

(g) Disconnect the ECM connectors.

(h) Measure the resistance according to the value(s) in the table below.

Standard Resistance (Check for Short):





(i) Reconnect the throttle with motor body assembly connector.

(j) Reconnect the accelerator pedal position sensor connector.

(k) Reconnect the canister pump module connector.

(l) Reconnect the camshaft position sensor for intake camshaft connector.

(m) Reconnect the camshaft position sensor for exhaust camshaft connector.

(n) Reconnect the intake air control valve actuator connector.

(o) Reconnect the ECM connectors.

NG -- REPAIR OR REPLACE HARNESS OR CONNECTOR

OK -- REPLACE ECM Removal