Operation CHARM: Car repair manuals for everyone.
Manuals through 2025 now available!

Our trusted friends have launched a new website named LEMON, which has newer manuals. It also contains all the CHARM manuals.

LEMON is the spiritual successor to CHARM, I recommend you try it!

Link: lemon-manuals.la or lemon-manuals.org.ua

(Some people have issue connecting. LEMON is investigating. For now, use Firefox or change your DNS server)

Or, hide this message: temporarily or permanently

Component Tests and General Diagnostics





2GR-FE ENGINE CONTROL: SFI SYSTEM: ECM Power Source Circuit
- ECM Power Source Circuit

DESCRIPTION

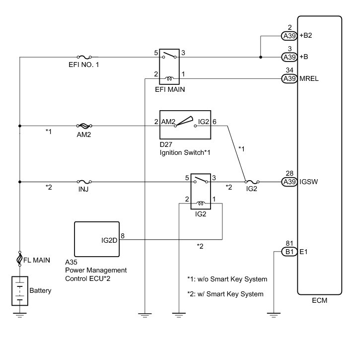
When the ignition switch is turned ON, the battery voltage is applied to IGSW of the ECM. The output signal from the MREL terminal of the ECM causes a current to flow to the coil, closing the contact of the EFI MAIN relay and supplying power to terminals +B and +B2 of the ECM.

WIRING DIAGRAM





INSPECTION PROCEDURE

NOTICE:
Inspect the fuses for circuits related to this system before performing the following inspection procedure.

PROCEDURE

1. CHECK HARNESS AND CONNECTOR (ECM - BODY GROUND)

(a) Disconnect the ECM connector.

(b) Measure the resistance according to the value(s) in the table below.

Standard Resistance:





(c) Reconnect the ECM connector.

NG -- REPAIR OR REPLACE HARNESS OR CONNECTOR
OK -- Continue to next step.

2. INSPECT ECM (IGSW VOLTAGE)

(a) Disconnect the ECM connector.





(b) Turn the ignition switch to ON.

(c) Measure the voltage according to the value(s) in the table below.

Standard Voltage:





Result





Text in Illustration





(d) Reconnect the ECM connector.

C -- INSPECT IGNITION SWITCH (AM2 - IG2)

B -- INSPECT IG2 RELAY
A -- Continue to next step.

3. INSPECT ECM (MREL VOLTAGE)

(a) Remove the EFI MAIN relay.





(b) Turn the ignition switch to ON.

(c) Measure the voltage according to the value(s) in the table below.

Standard Voltage:





Text in Illustration





(d) Reinstall the EFI MAIN relay.

NG -- CHECK HARNESS AND CONNECTOR (EFI MAIN RELAY TERMINAL - ECM)
OK -- Continue to next step.

4. INSPECT EFI MAIN RELAY

(a) Remove the EFI MAIN relay from the engine room relay block.

(b) Inspect the EFI MAIN relay Testing and Inspection.

(c) Reinstall the EFI MAIN relay.

NG -- REPLACE EFI MAIN RELAY
OK -- Continue to next step.

5. CHECK HARNESS AND CONNECTOR (EFI MAIN RELAY)

(a) Remove the EFI MAIN relay from the engine room relay block.

(b) Disconnect the ECM connector.

(c) Measure the resistance according to the value(s) in the table below.

Standard Resistance (Check for Open):





Standard Resistance (Check for Short):





(d) Reconnect the ECM connector.

(e) Reinstall the EFI MAIN relay block assembly.

NG -- REPAIR OR REPLACE HARNESS OR CONNECTOR (EFI MAIN RELAY - ECM)
OK -- Continue to next step.

6. CHECK HARNESS AND CONNECTOR (BATTERY - EFI MAIN RELAY)

(a) Remove the EFI MAIN relay from the engine room relay block.

(b) Disconnect the cable from the negative (-) battery terminal.

(c) Disconnect the cable from the positive (+) battery terminal.

(d) Measure the resistance according to the value(s) in the table below.

Standard Resistance (Check for Open):





Standard Resistance (Check for Short):





(e) Reinstall the EFI MAIN relay.

(f) Reconnect the cable to the positive (+) battery terminal.

(g) Reconnect the cable to the negative (-) battery terminal.

NG -- REPAIR OR REPLACE HARNESS OR CONNECTOR
OK -- Continue to next step.

7. CHECK HARNESS AND CONNECTOR (EFI MAIN RELAY - BODY GROUND)

(a) Remove the EFI MAIN relay from the engine room relay block.

(b) Measure the resistance according to the value(s) in the table below.

Standard Resistance (Check for Open):





(c) Reinstall the EFI MAIN relay.

NG -- REPAIR OR REPLACE HARNESS OR CONNECTOR

OK -- PROCEED TO NEXT SUSPECTED AREA SHOWN IN PROBLEM SYMPTOMS TABLE Symptom Related Diagnostic Procedures

8. CHECK HARNESS AND CONNECTOR (EFI MAIN RELAY TERMINAL - ECM)

(a) Disconnect the ECM connector.

(b) Remove the EFI MAIN relay from the engine room relay block.

(c) Measure the resistance according to the value(s) in the table below.

Standard Resistance (Check for Open):





Standard Resistance (Check for Short):





(d) Reinstall the EFI MAIN relay.

(e) Reconnect the ECM connector.

NG -- REPAIR OR REPLACE HARNESS OR CONNECTOR (EFI MAIN RELAY - ECM)

OK -- REPLACE ECM Removal

9. INSPECT IG2 RELAY

(a) Remove the IG2 relay from the engine room relay block.

(b) Inspect the IG2 relay Testing and Inspection.

(c) Reinstall the IG2 relay.

NG -- REPLACE IG2 RELAY
OK -- Continue to next step.

10. CHECK HARNESS AND CONNECTOR (IG2 RELAY - ECM)

(a) Remove the IG2 relay from the engine room relay block.

(b) Disconnect the ECM connector.

(c) Measure the resistance according to the value(s) in the table below.

Standard Resistance (Check for Open):





Standard Resistance (Check for Short):





(d) Reinstall the IG2 relay.

(e) Reconnect the ECM connector.

NG -- REPAIR OR REPLACE HARNESS OR CONNECTOR
OK -- Continue to next step.

11. CHECK HARNESS AND CONNECTOR (IG2 RELAY POWER SOURCE)

(a) Remove the IG2 relay from the engine room relay block.





(b) Measure the voltage according to the value(s) in the table below.

Standard Voltage:





Text in Illustration





(c) Reinstall the IG2 relay.

NG -- REPAIR OR REPLACE HARNESS OR CONNECTOR (IG2 RELAY - BATTERY)
OK -- Continue to next step.

12. CHECK HARNESS AND CONNECTOR (IG2 RELAY - BODY GROUND)

(a) Remove the IG2 relay from the engine room relay block.

(b) Measure the resistance according to the value(s) in the table below.

Standard Resistance (Check for Open):





(c) Reinstall the IG2 relay.

NG -- REPAIR OR REPLACE HARNESS OR CONNECTOR
OK -- Continue to next step.

13. CHECK HARNESS AND CONNECTOR (IG2 RELAY - POWER MANAGEMENT CONTROL ECU)

(a) Disconnect the power management control ECU connector.

(b) Remove the IG2 relay from the engine room relay block.

(c) Measure the resistance according to the value(s) in the table below.

Standard Resistance (Check for Open):





Standard Resistance (Check for Short):





(d) Reconnect the power management control ECU connector.

(e) Reinstall the IG2 relay.

NG -- REPAIR OR REPLACE HARNESS OR CONNECTOR

OK -- GO TO SMART KEY SYSTEM Problem Symptoms Table

14. INSPECT IGNITION SWITCH (AM2 - IG2)

(a) Remove the ignition switch.

(b) Inspect the ignition switch Testing and Inspection.

(c) Reinstall the ignition switch.

NG -- REPLACE IGNITION SWITCH Removal
OK -- Continue to next step.

15. CHECK HARNESS AND CONNECTOR (IGNITION SWITCH - ECM)

(a) Disconnect the ignition switch connector.

(b) Disconnect the ECM connector.

(c) Measure the resistance according to the value(s) in the table below.

Standard Resistance (Check for Open):





Standard Resistance (Check for Short):





(d) Reconnect the ECM connector.

(e) Reconnect the ignition switch connector.

NG -- REPAIR OR REPLACE HARNESS OR CONNECTOR

OK -- REPAIR OR REPLACE HARNESS OR CONNECTOR (BATTERY - IGNITION SWITCH)