Operation CHARM: Car repair manuals for everyone.
Manuals through 2025 now available!

Our trusted friends have launched a new website named LEMON, which has newer manuals. It also contains all the CHARM manuals.

LEMON is the spiritual successor to CHARM, I recommend you try it!

Link: lemon-manuals.la or lemon-manuals.org.ua

(Some people have issue connecting. LEMON is investigating. For now, use Firefox or change your DNS server)

Or, hide this message: temporarily or permanently

Air Intake Control Circuit





2GR-FE ENGINE CONTROL: SFI SYSTEM: Air Intake Control Circuit
- Air Intake Control Circuit

DESCRIPTION

The air cleaner is equipped with 2 inlets, one of which is opened or closed by the air intake control valve. This system reduces intake noise and increases engine power at low-to-high engine speed ranges.

When the engine is operating in the low-to-mid speed range, this control operates the air intake control valve to close one of the air cleaner inlets. When the engine speed is more than 3600 rpm and the opening angle of the throttle valve is more than 60°, the ECM activates the VSV and opens the air intake control valve.





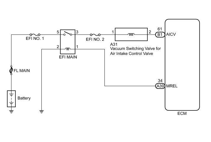
WIRING DIAGRAM





INSPECTION PROCEDURE

NOTICE:
Inspect the fuses for circuits related to this system before performing the following inspection procedure.

PROCEDURE

1. PERFORM ACTIVE TEST USING TECHSTREAM (ACTIVATE THE VSV FOR AICS)

(a) Connect the Techstream to the DLC3.

(b) Turn the ignition switch to ON.

(c) Turn the Techstream on.

(d) Enter the following menus: Powertrain / Engine / Active Test / Activate the VSV for AICS.

(e) Check the operation of the VSV when the VSV is operated using the Techstream.





Text in Illustration





OK:





NG -- CHECK VACUUM SWITCHING VALVE (FOR AIR INTAKE CONTROL VALVE)

OK -- PROCEED TO NEXT SUSPECTED AREA SHOWN IN PROBLEM SYMPTOMS TABLE Symptom Related Diagnostic Procedures

2. CHECK VACUUM SWITCHING VALVE (FOR AIR INTAKE CONTROL VALVE)

(a) Check the vacuum switching valve for air intake control valve Vacuum Switching Valve.

NG -- REPLACE VACUUM SWITCHING VALVE (FOR AIR INTAKE CONTROL VALVE)
OK -- Continue to next step.

3. CHECK TERMINAL VOLTAGE (VACUUM SWITCHING VALVE FOR AIR INTAKE CONTROL VALVE)

(a) Disconnect the vacuum switching valve for air intake control valve connector.





(b) Turn the ignition switch to ON.

(c) Measure the voltage according to the value(s) in the table below.

Standard Voltage:





Text in Illustration





NG -- REPAIR OR REPLACE HARNESS OR CONNECTOR (EFI NO. 2 FUSE - VACUUM SWITCHING VALVE)
OK -- Continue to next step.

4. CHECK HARNESS AND CONNECTOR (VACUUM SWITCHING VALVE FOR AIR INTAKE CONTROL VALVE - ECM)

(a) Disconnect the vacuum switching valve for air intake control valve connector.

(b) Disconnect the ECM connector.

(c) Measure the resistance according to the value(s) in the table below.

Standard Resistance (Check for Open):





Standard Resistance (Check for Short):





(d) Reconnect the ECM connector.

(e) Reconnect the vacuum switching valve for air intake control valve connector.

NG -- REPAIR OR REPLACE HARNESS OR CONNECTOR
OK -- Continue to next step.

5. INSPECT AIR CLEANER CAP SUB-ASSEMBLY (VACUUM SURGE TANK)

(a) Inspect the vacuum surge tank Testing and Inspection.

NG -- REPAIR OR REPLACE AIR CLEANER CAP SUB-ASSEMBLY

OK -- REPLACE ECM Removal