Operation CHARM: Car repair manuals for everyone.
Manuals through 2025 now available!

Our trusted friends have launched a new website named LEMON, which has newer manuals. It also contains all the CHARM manuals.

LEMON is the spiritual successor to CHARM, I recommend you try it!

Link: lemon-manuals.la or lemon-manuals.org.ua

(Some people have issue connecting. LEMON is investigating. For now, use Firefox or change your DNS server)

Or, hide this message: temporarily or permanently

VC Output Circuit





2GR-FE ENGINE CONTROL: SFI SYSTEM: VC Output Circuit
- VC Output Circuit

DESCRIPTION

The ECM constantly uses 5 V from the battery voltages supplied to the +B (BATT) terminal to operate the microprocessor. The ECM also provides this power to the sensors through the VC output circuit.





When the VC circuit is shorted, the microprocessor in the ECM and sensors that are supplied power through the VC circuit are inactivated because the power is not supplied from the VC circuit. Under this condition, the system does not start up and the MIL does not illuminate even if the system malfunctions.

HINT
Under normal conditions, the MIL is illuminated for several seconds when the ignition switch is first turned ON. The MIL goes off when the engine is started.

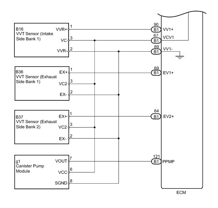
WIRING DIAGRAM









INSPECTION PROCEDURE

HINT
* Bank 1 refers to the bank that includes the No. 1 cylinder.
* Bank 2 refers to the bank that does not include the No. 1 cylinder.

PROCEDURE

1. CHECK MIL

(a) Check that the Malfunction Indicator Lamp (MIL) illuminates when turning the ignition switch to ON.

OK:

MIL lights up.

NG -- CHECK CONNECTION BETWEEN TECHSTREAM AND ECM

OK -- PROCEED TO NEXT SUSPECTED AREA SHOWN IN PROBLEM SYMPTOMS TABLE Symptom Related Diagnostic Procedures

2. CHECK CONNECTION BETWEEN TECHSTREAM AND ECM

(a) Connect the Techstream to the DLC3.

(b) Turn the ignition switch to ON.

(c) Turn the Techstream on.

(d) Check the communication between the Techstream and ECM.

Result





B -- GO TO MIL CIRCUIT Testing and Inspection
A -- Continue to next step.

3. CHECK MIL (THROTTLE POSITION SENSOR)

(a) Disconnect the throttle position sensor connector.

(b) Turn the ignition switch to ON.

(c) Check the MIL.

Result





(d) Reconnect the throttle position sensor connector.

B -- REPLACE THROTTLE WITH MOTOR BODY ASSEMBLY Removal
A -- Continue to next step.

4. CHECK MIL (ACCELERATOR PEDAL SENSOR ASSEMBLY)

(a) Disconnect the accelerator pedal sensor assembly connector.

(b) Turn the ignition switch to ON.

(c) Check the MIL.

Result





(d) Reconnect the accelerator pedal sensor assembly connector.

B -- REPLACE ACCELERATOR PEDAL SENSOR ASSEMBLY Removal
A -- Continue to next step.

5. CHECK MIL (VVT SENSOR FOR INTAKE SIDE BANK 1)

(a) Disconnect the VVT sensor for intake side bank 1 connector.

(b) Turn the ignition switch to ON.

(c) Check the MIL.

Result





(d) Reconnect the VVT sensor for intake side bank 1 connector.

B -- REPLACE VVT SENSOR FOR INTAKE SIDE BANK 1 Removal
A -- Continue to next step.

6. CHECK MIL (VVT SENSOR FOR INTAKE SIDE BANK 2)

(a) Disconnect the VVT sensor for intake side bank 2 connector.

(b) Turn the ignition switch to ON.

(c) Check the MIL.

Result





(d) Reconnect the VVT sensor for intake side bank 2 connector.

B -- REPLACE VVT SENSOR FOR INTAKE SIDE BANK 2 Removal
A -- Continue to next step.

7. CHECK MIL (VVT SENSOR FOR EXHAUST SIDE BANK 1)

(a) Disconnect the VVT sensor for exhaust side bank 1 connector.

(b) Turn the ignition switch to ON.

(c) Check the MIL.

Result





(d) Reconnect the VVT sensor for exhaust side bank 1 connector.

B -- REPLACE VVT SENSOR FOR EXHAUST SIDE BANK 1 Removal
A -- Continue to next step.

8. CHECK MIL (VVT SENSOR FOR EXHAUST SIDE BANK 2)

(a) Disconnect the VVT sensor for exhaust side bank 2 connector.

(b) Turn the ignition switch to ON.

(c) Check the MIL.

Result





(d) Reconnect the VVT sensor for exhaust side bank 2 connector.

B -- REPLACE VVT SENSOR FOR EXHAUST SIDE BANK 2 Removal
A -- Continue to next step.

9. CHECK MIL (CANISTER PUMP MODULE)

(a) Disconnect the canister pump module connector.

(b) Turn the ignition switch to ON.

(c) Check the MIL.

Result





(d) Reconnect the canister pump module connector.

B -- REPLACE CHARCOAL CANISTER ASSEMBLY Removal
A -- Continue to next step.

10. CHECK HARNESS AND CONNECTOR (THROTTLE POSITION SENSOR - ECM)

(a) Disconnect the throttle position sensor connector.

(b) Disconnect the ECM connector.

(c) Measure the resistance according to the value(s) in the table below.

Standard Resistance:





(d) Reconnect the throttle position sensor connector.

(e) Reconnect the ECM connector.

NG -- REPAIR OR REPLACE HARNESS OR CONNECTOR
OK -- Continue to next step.

11. CHECK HARNESS AND CONNECTOR (ACCELERATOR PEDAL SENSOR ASSEMBLY - ECM)

(a) Disconnect the accelerator pedal sensor assembly connector.

(b) Disconnect the ECM connector.

(c) Measure the resistance according to the value(s) in the table below.

Standard Resistance:





(d) Reconnect the accelerator pedal position sensor.

(e) Reconnect the ECM connector.

NG -- REPAIR OR REPLACE HARNESS OR CONNECTOR
OK -- Continue to next step.

12. CHECK HARNESS AND CONNECTOR (VVT SENSOR FOR INTAKE SIDE BANK 2 - ECM)

(a) Disconnect the VVT sensor for intake side bank 2 connector.

(b) Disconnect the ECM connector.

(c) Measure the resistance according to the value(s) in the table below.

Standard Resistance:





(d) Reconnect the VVT sensor for intake side bank 2 connector.

(e) Reconnect the ECM connector.

NG -- REPAIR OR REPLACE HARNESS OR CONNECTOR
OK -- Continue to next step.

13. CHECK HARNESS AND CONNECTOR (VCV1 CIRCUIT)

(a) Disconnect the VVT sensor for intake side bank 1 connector.

(b) Disconnect the VVT sensor for exhaust side bank 1 connector.

(c) Disconnect the VVT sensor for exhaust side bank 2 connector.

(d) Disconnect the canister pump module connector.

(e) Disconnect the ECM connector.

(f) Measure the resistance according to the value(s) in the table below.

Standard Resistance:





(g) Reconnect the canister pump module connector.

(h) Reconnect the VVT sensor for exhaust side bank 2 connector.

(i) Reconnect the VVT sensor for exhaust side bank 1 connector.

(j) Reconnect the VVT sensor for intake side bank 1 connector.

(k) Reconnect the ECM connector.

NG -- REPAIR OR REPLACE HARNESS OR CONNECTOR

OK -- REPLACE ECM Removal