Operation CHARM: Car repair manuals for everyone.
Manuals through 2025 now available!

Our trusted friends have launched a new website named LEMON, which has newer manuals. It also contains all the CHARM manuals.

LEMON is the spiritual successor to CHARM, I recommend you try it!

Link: lemon-manuals.la or lemon-manuals.org.ua

(Some people have issue connecting. LEMON is investigating. For now, use Firefox or change your DNS server)

Or, hide this message: temporarily or permanently

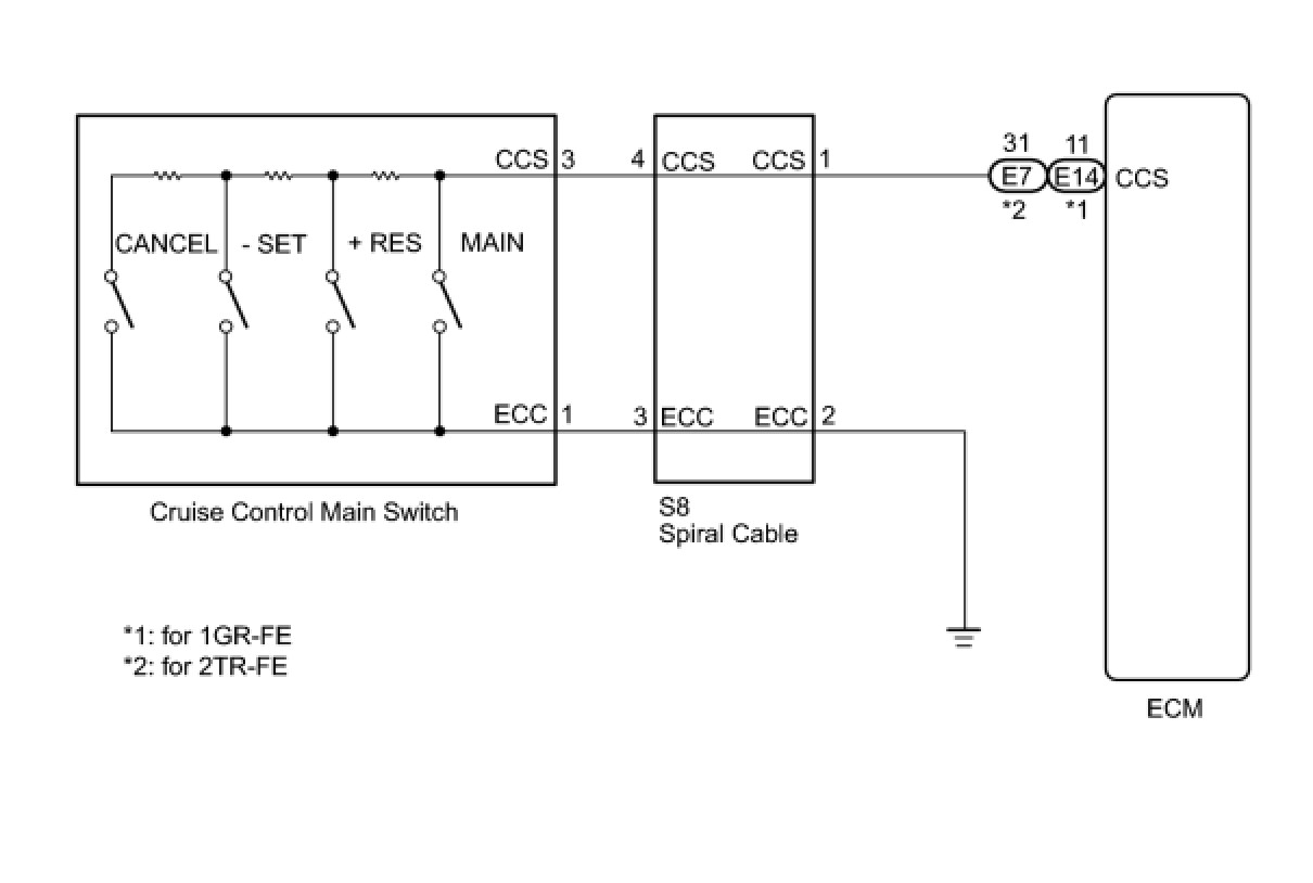
Cruise Control Switch Circuit





CRUISE CONTROL: CRUISE CONTROL SYSTEM: Cruise Control Switch Circuit
- Cruise Control Switch Circuit

DESCRIPTION

This circuit sends signals to the ECM depending on the cruise control main switch condition.

The battery supplies the positive (+) battery voltage to the cruise control main switch. Then terminal CCS of the ECM receives the voltage as the signal according to the switch condition.

WIRING DIAGRAM





INSPECTION PROCEDURE

PROCEDURE

1. INSPECT CRUISE CONTROL MAIN SWITCH

(a) Remove the cruise control main switch Removal.





(b) Measure the resistance according to the value(s) in the table below.

Standard Resistance:





(c) Reinstall the cruise control main switch.

NG -- REPLACE CRUISE CONTROL MAIN SWITCH Removal
OK -- Continue to next step.

2. CHECK HARNESS AND CONNECTOR (CRUISE CONTROL MAIN SWITCH - SPIRAL CABLE SUB-ASSEMBLY)

(a) Disconnect the spiral cable side and main switch side connector.





(b) Measure the resistance according to the value(s) in the table below.

Standard Resistance:





(c) Reconnect the spiral cable side and main switch side connector.

NG -- REPAIR OR REPLACE HARNESS OR CONNECTOR
OK -- Continue to next step.

3. INSPECT SPIRAL CABLE SUB-ASSEMBLY

NOTICE:
The spiral cable is an important part of the SRS airbag system. Incorrect removal or installation of the spiral cable may prevent the airbag from deploying. Be sure to read the page shown in the brackets.

HINT
* Removal Removal.
* Installation Installation.





(a) Remove the spiral cable.

(b) Measure the resistance according to the value(s) in the table below.

Standard Resistance:





(c) Reinstall the spiral cable.

NG -- REPLACE SPIRAL CABLE SUB-ASSEMBLY Removal
OK -- Continue to next step.

4. CHECK HARNESS AND CONNECTOR (SPIRAL CABLE SUB-ASSEMBLY - ECM AND BODY GROUND)

(a) Disconnect the E14 or E7 ECM connector.





(b) Disconnect the S8 spiral cable connector.

(c) Measure the resistance according to the value(s) in the table below.

Standard Resistance:





Standard Resistance (for 1GR-FE):





Standard Resistance (for 2TR-FE):





(d) Reconnect the ECM connector.

(e) Reconnect the spiral cable connector.

NG -- REPAIR OR REPLACE HARNESS OR CONNECTOR

OK -- PROCEED TO NEXT SUSPECTED AREA SHOWN IN PROBLEM SYMPTOMS TABLE