Operation CHARM: Car repair manuals for everyone.
Manuals through 2025 now available!

Our trusted friends have launched a new website named LEMON, which has newer manuals. It also contains all the CHARM manuals.

LEMON is the spiritual successor to CHARM, I recommend you try it!

Link: lemon-manuals.la or lemon-manuals.org.ua

(Some people have issue connecting. LEMON is investigating. For now, use Firefox or change your DNS server)

Or, hide this message: temporarily or permanently

Computers and Control Systems: Description and Operation





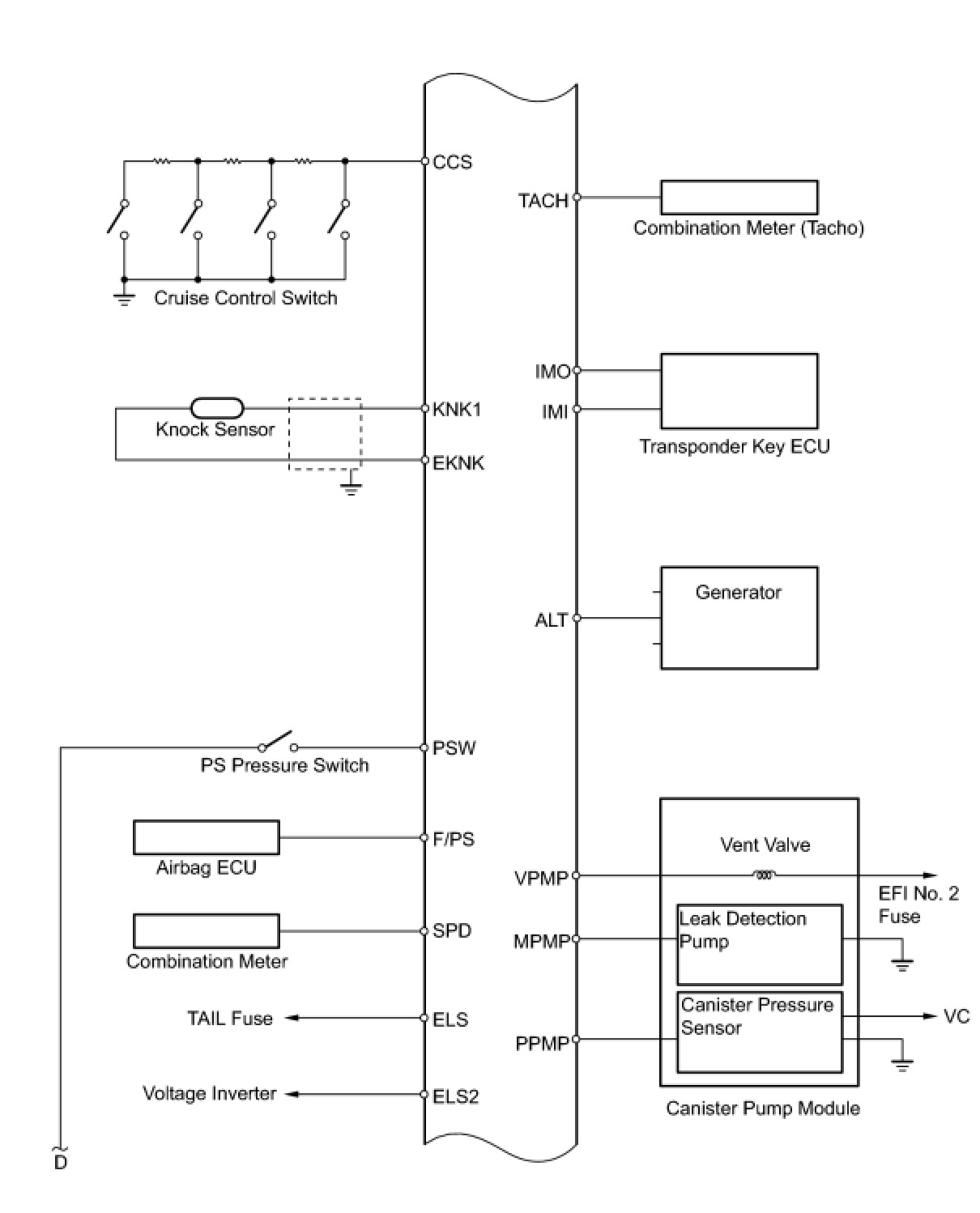
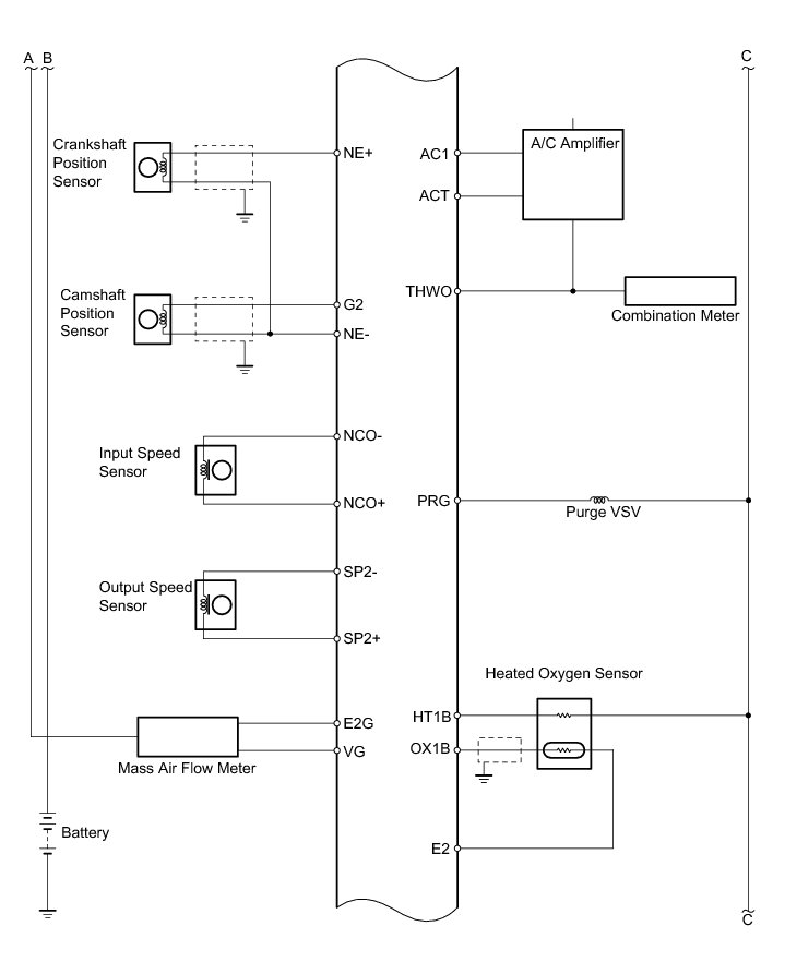
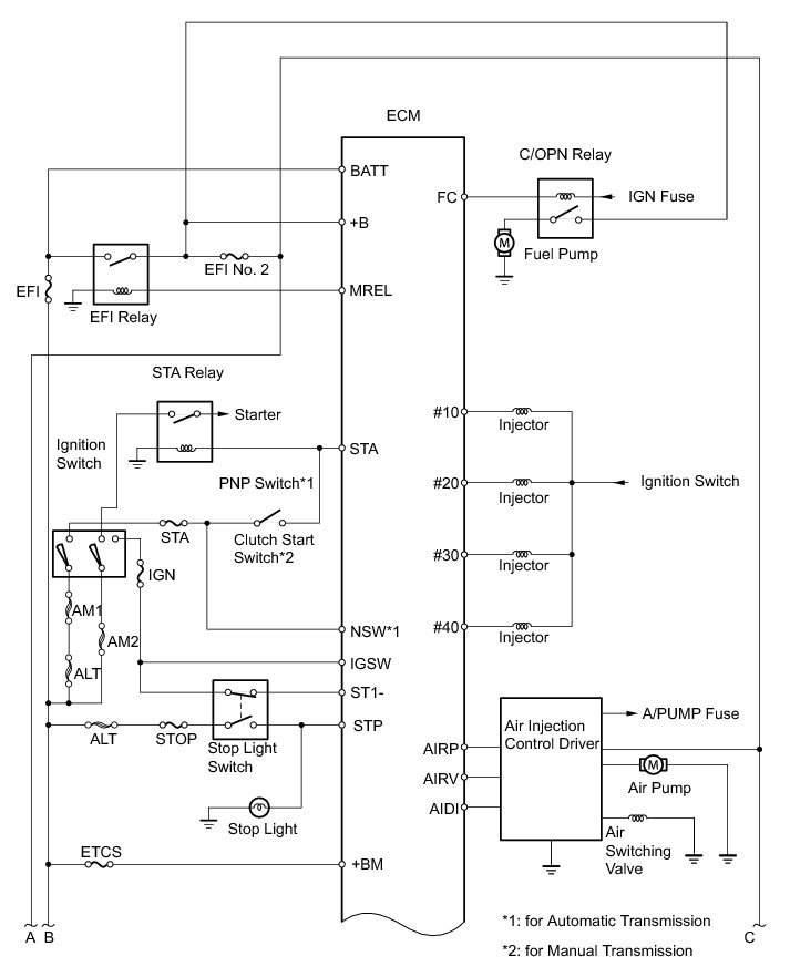
2TR-FE ENGINE CONTROL SYSTEM: SFI SYSTEM: SYSTEM DIAGRAM

1. SYSTEM DIAGRAM





















2. COMMUNICATION WITH OTHER COMPUTERS





HINT
Refer to CAN COMMUNICATION SYSTEM Description and Operation.

3. COMMUNICATION SIGNALS





HINT
Refer to CAN COMMUNICATION SYSTEM Description and Operation.