Operation CHARM: Car repair manuals for everyone.
Manuals through 2025 now available!

Our trusted friends have launched a new website named LEMON, which has newer manuals. It also contains all the CHARM manuals.

LEMON is the spiritual successor to CHARM, I recommend you try it!

Link: lemon-manuals.la or lemon-manuals.org.ua

(Some people have issue connecting. LEMON is investigating. For now, use Firefox or change your DNS server)

Or, hide this message: temporarily or permanently

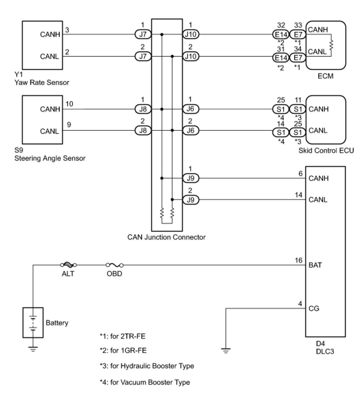
CAN Bus Line





CAN COMMUNICATION: CAN COMMUNICATION SYSTEM: CAN Bus Line
- CAN Bus Line

DESCRIPTION

When any DTC of the CAN communication system is output, first measure the resistance between the terminals of the DLC3 and the yaw rate sensor connector to specify the trouble area.

WIRING DIAGRAM





INSPECTION PROCEDURE

PROCEDURE

1. CHECK CAN BUS WIRE (MAIN BUS LINE FOR DISCONNECTION, BUS LINES FOR SHORT CIRCUIT)

(a) Measure the resistance according to the value(s) in the table below.





Standard Resistance:





NG-B -- CHECK CAN BUS WIRE (FOR SHORT CIRCUIT) Short in CAN Bus Lines

NG-A -- CHECK CAN BUS MAIN WIRE (FOR DISCONNECTION) CAN Main Bus Line for Disconnection
OK -- Continue to next step.

2. CHECK CAN BUS WIRE (FOR SHORT TO +B)

(a) Measure the resistance according to the value(s) in the table below.





Standard Resistance:





NG -- CHECK CAN BUS WIRE (FOR SHORT TO +B) Short to B+ in CAN Bus Line
OK -- Continue to next step.

3. CHECK CAN BUS WIRE (FOR SHORT TO GND)

(a) Measure the resistance according to the value(s) in the table below.





Standard Resistance:





NG -- CHECK CAN BUS WIRE (FOR SHORT TO GND) Short to GND in CAN Bus Line

OK -- GO TO HOW TO PROCEED WITH TROUBLESHOOTING How to Proceed With Troubleshooting