Operation CHARM: Car repair manuals for everyone.
Manuals through 2025 now available!

Our trusted friends have launched a new website named LEMON, which has newer manuals. It also contains all the CHARM manuals.

LEMON is the spiritual successor to CHARM, I recommend you try it!

Link: lemon-manuals.la or lemon-manuals.org.ua

(Some people have issue connecting. LEMON is investigating. For now, use Firefox or change your DNS server)

Or, hide this message: temporarily or permanently

Steering Angle Sensor Communication Stop Mode





CAN COMMUNICATION: CAN COMMUNICATION SYSTEM: Steering Angle Sensor Communication Stop Mode
- Steering Angle Sensor Communication Stop Mode

DESCRIPTION





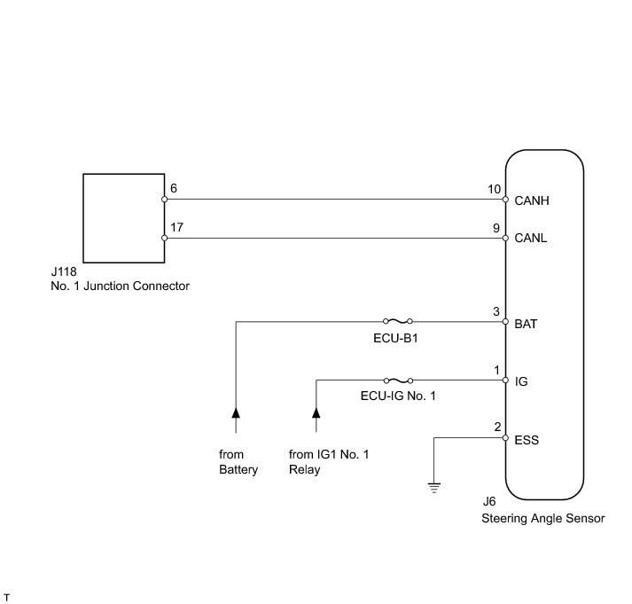
WIRING DIAGRAM





INSPECTION PROCEDURE

HINT
Operating the ignition switch, any switches or any doors triggers related ECU and sensor communication with the CAN, which causes resistance variation.

PROCEDURE

1. DISCONNECT CABLE FROM NEGATIVE BATTERY TERMINAL

(a) Disconnect the cable from the negative (-) battery terminal before measuring the resistances of the main wire and the branch wire.

CAUTION:
Wait at least 90 seconds after disconnecting the cable from the negative (-) battery terminal to prevent airbag and seat belt pretensioner activation.

NEXT -- Continue to next step.

2. CHECK FOR OPEN IN CAN BUS WIRE (STEERING ANGLE SENSOR BRANCH WIRE)

(a) Disconnect the J6 steering angle sensor connector.





(b) Measure the resistance according to the value(s) in the table below.

Standard resistance:





NG -- REPAIR OR REPLACE STEERING ANGLE SENSOR BRANCH WIRE OR CONNECTOR (CANH, CANL)
OK -- Continue to next step.

3. CHECK HARNESS AND CONNECTOR (STEERING ANGLE SENSOR - BATTERY AND BODY GROUND)

(a) Reconnect the cable to the negative (-) battery terminal before measuring the resistances of the main wire and the branch wire.

(b) Measure the resistance according to the value(s) in the table below.





Standard resistance:





(c) Measure the voltage according to the value(s) in the table below.

Standard voltage:





NG -- REPAIR OR REPLACE HARNESS OR CONNECTOR

OK -- REPLACE STEERING ANGLE SENSOR Removal