Operation CHARM: Car repair manuals for everyone.
Manuals through 2025 now available!

Our trusted friends have launched a new website named LEMON, which has newer manuals. It also contains all the CHARM manuals.

LEMON is the spiritual successor to CHARM, I recommend you try it!

Link: lemon-manuals.la or lemon-manuals.org.ua

(Some people have issue connecting. LEMON is investigating. For now, use Firefox or change your DNS server)

Or, hide this message: temporarily or permanently

Main Relay (Computer/Fuel System): Testing and Inspection





1GR-FE ENGINE CONTROL SYSTEM: EFI RELAY: ON-VEHICLE INSPECTION

1. INSPECT INTEGRATION RELAY (EFI RELAY)

NOTICE:
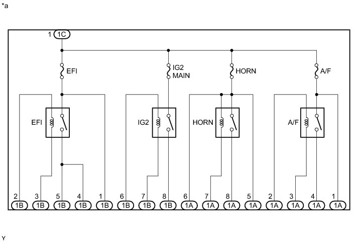
* Some relays are built into the integration relay (unit E). The integration relay cannot be disassembled. If there is a malfunction in the circuit of the integration relay, replace the integration relay.
* The internal circuit of the integration relay is as shown in the illustration below. Inspect the integration relay using the following procedures.






Text in Illustration





(a) Measure the resistance of the EFI fuse.

(1) Measure the resistance according to the value(s) in the table below.

Standard Resistance:





If the result is not as specified, replace the EFI fuse.





Measure the resistance of the EFI relay circuit.

(1) Measure the resistance according to the value(s) in the table below.

Standard Resistance:





Text in Illustration





If the result is not as specified, replace the integration relay.