Operation CHARM: Car repair manuals for everyone.
Manuals through 2025 now available!

Our trusted friends have launched a new website named LEMON, which has newer manuals. It also contains all the CHARM manuals.

LEMON is the spiritual successor to CHARM, I recommend you try it!

Link: lemon-manuals.la or lemon-manuals.org.ua

(Some people have issue connecting. LEMON is investigating. For now, use Firefox or change your DNS server)

Or, hide this message: temporarily or permanently

Part 1





NETWORKING: CAN COMMUNICATION SYSTEM: Check CAN Bus Lines for Short Circuit
- Check CAN Bus Lines for Short Circuit

DESCRIPTION

There may be a short circuit in the CAN bus main wire and/or CAN branch wire when the resistance between terminals 6 (CANH) and 14 (CANL) of the DLC3 is below 54 Ohms.





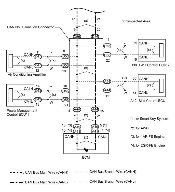
WIRING DIAGRAM









INSPECTION PROCEDURE

NOTICE:
* Turn the ignition switch off before measuring the resistances between CAN bus main wires and between CAN bus branch wires.
* Turn the ignition switch off before inspecting CAN bus wires for a ground short.
* After the ignition switch is turned off, check that the key reminder warning system and light reminder warning system are not operating.
* Before measuring the resistance, leave the vehicle as is for at least 1 minute and do not operate the ignition switch, any other switches or the doors. If any doors need to be opened in order to check connectors, open the doors and leave them open.

HINT
* Operating the ignition switch, any other switches or a door triggers related ECU and sensor communication on the CAN. This communication will cause the resistance value to change.
* Even after DTCs are cleared, if a DTC is stored again after driving the vehicle for a while, the malfunction may be occurring due to vibration of the vehicle. In such a case, wiggling the ECUs or wire harness while performing the inspection below may help determine the cause of the malfunction.

PROCEDURE

1. CHECK FOR SHORT IN CAN BUS WIRE (CAN NO. 1 JUNCTION CONNECTOR - CAN NO. 2 JUNCTION CONNECTOR)

(a) Turn the ignition switch off.

(b) Disconnect the CAN No. 1 junction connector (D56).





Text in Illustration





(c) Measure the resistance according to the value(s) in the table below.

Standard Resistance:





NG -- CHECK FOR SHORT IN CAN BUS WIRE (CAN NO. 2 JUNCTION CONNECTOR - CAN NO. 1 JUNCTION CONNECTOR)
OK -- Continue to next step.

2. CHECK FOR SHORT IN CAN BUS WIRE (CAN NO. 1 JUNCTION CONNECTOR - ECM)

(a) Disconnect the CAN No. 1 junction connector (A44).





Text in Illustration





(b) Measure the resistance according to the value(s) in the table below.

Standard Resistance:





NG -- CHECK FOR SHORT IN CAN BUS WIRE (ECM)
OK -- Continue to next step.

3. CHECK FOR SHORT IN CAN BUS WIRE (CAN NO. 1 JUNCTION CONNECTOR - SKID CONTROL ECU)

(a) Disconnect the skid control ECU connector.





Text in Illustration





(b) Measure the resistance according to the value(s) in the table below.





Standard Resistance:





Text in Illustration





NG -- REPAIR OR REPLACE CAN BUS BRANCH WIRE OR CONNECTOR (CAN NO. 1 JUNCTION CONNECTOR - SKID CONTROL ECU)
OK -- Continue to next step.

4. CHECK FOR SHORT IN CAN BUS WIRE (CAN NO. 1 JUNCTION CONNECTOR - AIR CONDITIONING AMPLIFIER)

(a) Disconnect the air conditioning amplifier connector.





Text in Illustration





(b) Measure the resistance according to the value(s) in the table below.





Standard Resistance:





Text in Illustration





Result:





D -- REPAIR OR REPLACE CAN BUS BRANCH WIRE OR CONNECTOR (CAN NO. 1 JUNCTION CONNECTOR - AIR CONDITIONING AMPLIFIER)

C -- CHECK FOR SHORT IN CAN BUS WIRES (CAN NO. 1 JUNCTION CONNECTOR)

B -- CHECK FOR SHORT IN CAN BUS WIRE (CAN NO. 1 JUNCTION CONNECTOR - POWER MANAGEMENT CONTROL ECU)
A -- Continue to next step.

5. CHECK FOR SHORT IN CAN BUS WIRE (CAN NO. 1 JUNCTION CONNECTOR - 4WD CONTROL ECU)

(a) Disconnect the 4WD control ECU connector.





Text in Illustration





(b) Measure the resistance according to the value(s) in the table below.





Standard Resistance:





Text in Illustration





Result:





C -- REPAIR OR REPLACE CAN BUS BRANCH WIRE OR CONNECTOR (CAN NO. 1 JUNCTION CONNECTOR - 4WD CONTROL ECU)

B -- CHECK FOR SHORT IN CAN BUS WIRES (CAN NO. 1 JUNCTION CONNECTOR)
A -- Continue to next step.

6. CHECK FOR SHORT IN CAN BUS WIRE (CAN NO. 1 JUNCTION CONNECTOR - POWER MANAGEMENT CONTROL ECU)

(a) Disconnect the power management control ECU connector (D43).





Text in Illustration





(b) Measure the resistance according to the value(s) in the table below.





Standard Resistance:





Text in Illustration





NG -- REPAIR OR REPLACE CAN BUS BRANCH WIRE OR CONNECTOR (CAN NO. 1 JUNCTION CONNECTOR - POWER MANAGEMENT CONTROL ECU)
OK -- Continue to next step.

7. CHECK FOR SHORT IN CAN BUS WIRES (CAN NO. 1 JUNCTION CONNECTOR)

(a) Reconnect the CAN No. 1 junction connector.

(b) Measure the resistance according to the value(s) in the table below.





Text in Illustration





NOTICE:
The resistance must be measured after the main wire connected ECUs (ECM and combination meter), and CAN No. 1 and No. 2 junction connectors are reconnected.

Standard Resistance:





NG -- REPLACE CAN NO. 1 JUNCTION CONNECTOR
OK -- Continue to next step.

8. CHECK FOR SHORT IN CAN BUS WIRES (SKID CONTROL ECU)

(a) Reconnect the skid control ECU connector.

(b) Measure the resistance according to the value(s) in the table below.





Standard Resistance:





Text in Illustration





Result:





C -- REPLACE BRAKE ACTUATOR (SKID CONTROL ECU) Removal

B -- REPLACE AIR CONDITIONING AMPLIFIER Removal
A -- Continue to next step.

9. CHECK FOR SHORT IN CAN BUS WIRES (AIR CONDITIONING AMPLIFIER)

(a) Reconnect the air conditioning amplifier connector.

(b) Measure the resistance according to the value(s) in the table below.





Standard Resistance:





Text in Illustration





Result:





D -- REPLACE AIR CONDITIONING AMPLIFIER Removal

C -- REPLACE POWER MANAGEMENT CONTROL ECU Removal

B -- REPLACE 4WD CONTROL ECU Removal
A -- Continue to next step.

10. CHECK FOR SHORT IN CAN BUS WIRES (4WD CONTROL ECU)

(a) Reconnect the 4WD control ECU connector.

(b) Measure the resistance according to the value(s) in the table below.





Standard Resistance:





Text in Illustration





NG -- REPLACE 4WD CONTROL ECU Removal

OK -- REPLACE POWER MANAGEMENT CONTROL ECU Removal

11. CHECK FOR SHORT IN CAN BUS WIRE (ECM)

(a) Disconnect the ECM connector.





Text in Illustration





(b) Disconnect the CAN No. 1 junction connector (A44).





Text in Illustration





(c) Measure the resistance according to the value(s) in the table below.

Standard Resistance:





Result:





C -- REPAIR OR REPLACE CAN BUS MAIN WIRE OR CONNECTOR (CAN NO. 1 JUNCTION CONNECTOR - ECM)

B -- REPLACE ECM Removal

A -- REPLACE ECM Removal