Operation CHARM: Car repair manuals for everyone.
Manuals through 2025 now available!

Our trusted friends have launched a new website named LEMON, which has newer manuals. It also contains all the CHARM manuals.

LEMON is the spiritual successor to CHARM, I recommend you try it!

Link: lemon-manuals.la or lemon-manuals.org.ua

(Some people have issue connecting. LEMON is investigating. For now, use Firefox or change your DNS server)

Or, hide this message: temporarily or permanently

ECM Communication Stop Mode





NETWORKING: CAN COMMUNICATION SYSTEM: ECM Communication Stop Mode
- ECM Communication Stop Mode

DESCRIPTION





WIRING DIAGRAM









INSPECTION PROCEDURE

NOTICE:
* Turn the ignition switch off before measuring the resistances between CAN bus main wires and between CAN bus branch wires.
* Turn the ignition switch off before inspecting CAN bus wires for a ground short.
* After the ignition switch is turned off, check that the key reminder warning system and light reminder warning system are not operating.
* Before measuring the resistance, leave the vehicle as is for at least 1 minute and do not operate the ignition switch, any other switches or the doors. If any doors need to be opened in order to check connectors, open the doors and leave them open.

HINT
* Operating the ignition switch, any other switches or a door triggers related ECU and sensor communication on the CAN. This communication will cause the resistance value to change.
* Even after DTCs are cleared, if a DTC is stored again after driving the vehicle for a while, the malfunction may be occurring due to vibration of the vehicle. In such a case, wiggling the ECUs or wire harness while performing the inspection below may help determine the cause of the malfunction.

PROCEDURE

1. CHECK CAN BUS WIRE FOR DISCONNECTION (ECM MAIN WIRE)

(a) Turn the ignition switch off.

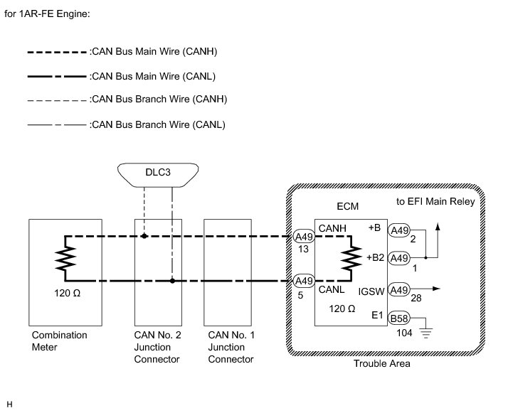
(b) for 1AR-FE engine:

(1) Disconnect the connector of the ECM.





Text in Illustration





(2) Measure the resistance according to the value(s) in the table below.

Standard Resistance:





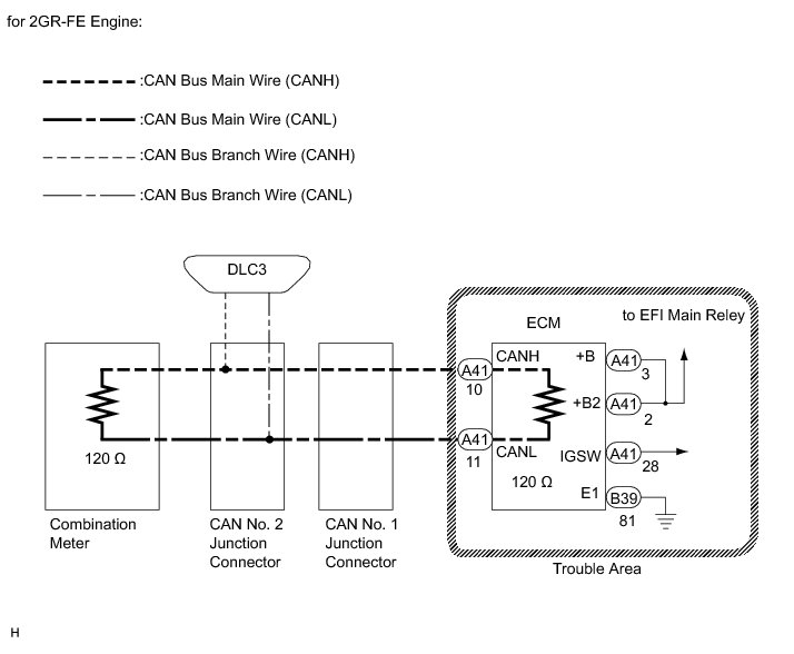
(c) for 2GR-FE engine:

(1) Disconnect the connector of the ECM.





Text in Illustration





(2) Measure the resistance according to the value(s) in the table below.

Standard Resistance:





NG -- REPAIR OR REPLACE CAN BUS MAIN WIRE OR CONNECTOR (ECM MAIN WIRE)
OK -- Continue to next step.

2. CHECK HARNESS AND CONNECTOR (POWER SOURCE TERMINAL)

(a) Check for ECM Power Source Circuit (1AR-FE: Component Tests and General Diagnostics, 2GR-FE: Component Tests and General Diagnostics).

Result:





C -- REPAIR OR REPLACE HARNESS OR CONNECTOR (POWER SOURCE CIRCUIT)

B -- REPLACE ECM Removal

A -- REPLACE ECM Removal