Operation CHARM: Car repair manuals for everyone.
Manuals through 2025 now available!

Our trusted friends have launched a new website named LEMON, which has newer manuals. It also contains all the CHARM manuals.

LEMON is the spiritual successor to CHARM, I recommend you try it!

Link: lemon-manuals.la or lemon-manuals.org.ua

(Some people have issue connecting. LEMON is investigating. For now, use Firefox or change your DNS server)

Or, hide this message: temporarily or permanently

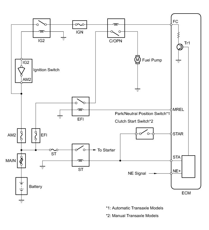
Fuel Pump Control Circuit





1NZ-FE ENGINE CONTROL SYSTEM: SFI SYSTEM: Fuel Pump Control Circuit
- Fuel Pump Control Circuit

DESCRIPTION

When the engine is cranked, the starter relay drive signal output from the STAR terminal of the ECM is input into the STA terminal of the ECM, and NE signal generated by the crankshaft position sensor is also input into the NE+ terminal. Thus, the ECM interprets that the engine is cranked, and turns the transistor Tr1 in the ECM internal circuit ON. The current flows to the C/OPN (Circuit Opening) relay by turning the Tr1 ON. Then, the fuel pump operates.

While the NE signal is input into the ECM, when engine is running, the ECM turns the Tr1 on continuously.





WIRING DIAGRAM





INSPECTION PROCEDURE

PROCEDURE

1. PERFORM ACTIVE TEST USING TECHSTREAM (CONTROL THE FUEL PUMP/SPEED)

(a) Connect the Techstream to the DLC3.

(b) Turn the ignition switch to ON.

(c) Turn the Techstream on.

(d) Enter the following menus: Powertrain / Engine and ECT / Active Test / Control the Fuel Pump/Speed.

(e) Check whether the fuel pump operating sound occurs when perform the Active Test on the Techstream.

OK:

Fuel pump operating sound occurs.

Result





B -- READ VALUE USING TECHSTREAM (STARTER SIGNAL)
A -- Continue to next step.

2. INSPECT MAIN BODY ECU (C/OPN RELAY INPUT VOLTAGE)

(a) Measure the voltage between the terminal of the main body ECU and the body ground when the ignition switch is turned to ON and OFF.





Standard voltage:





Result





B -- INSPECT MAIN BODY ECU (C/OPN RELAY)
A -- Continue to next step.

3. CHECK HARNESS AND CONNECTOR (MAIN BODY ECU - INTEGRATION RELAY)

(a) Remove the integration relay from the engine room relay block.





(b) Disconnect the main body ECU connector.

(c) Check the resistance.

Standard resistance (Check for open):





Standard resistance (Check for short):





(d) Reinstall the integration relay.

(e) Reconnect the main body ECU connector.

NG -- REPAIR OR REPLACE HARNESS OR CONNECTOR

OK -- GO TO ECM POWER SOURCE CIRCUIT Component Tests and General Diagnostics

4. INSPECT MAIN BODY ECU (C/OPN RELAY)

(a) Remove the main body ECU.





(b) Check the C/OPN relay resistance.

Standard resistance:





HINT
Relay coil circuit between 4D-1 and 4E-5 is not through IGN fuse.

(c) Reinstall the main body ECU.

NG -- REPLACE MAIN BODY ECU
OK -- Continue to next step.

5. CHECK HARNESS AND CONNECTOR (MAIN BODY ECU - ECM)

(a) Disconnect the A21 ECM connector.





(b) Disconnect the 4E connector from main body ECU.

(c) Check the resistance.

Standard resistance (Check for open):





Standard resistance (Check for short):





(d) Reconnect the main body ECU and the ECM connectors.

NG -- REPAIR OR REPLACE HARNESS OR CONNECTOR
OK -- Continue to next step.

6. CHECK HARNESS AND CONNECTOR (C/OPN RELAY - FUEL PUMP - BODY GROUND)

(a) Check the harness and the connectors between the main body ECU and the fuel pump.





(1) Disconnect the 4A main body ECU connector.

(2) Disconnect the J5 fuel pump connector.

(3) Check the resistance.

Standard resistance (Check for open):





Standard resistance (Check for short):





(b) Check the harness and the connectors between the fuel pump and the body ground.

(1) Disconnect the J5 fuel pump connector.

(2) Check the resistance.

Standard resistance (Check for open):





(c) Reconnect the main body ECU connector.

(d) Reconnect the fuel pump connector.

NG -- REPAIR OR REPLACE HARNESS OR CONNECTOR
OK -- Continue to next step.

7. INSPECT FUEL PUMP

(a) Inspect fuel pump resistance.





(1) Measure the resistance between the terminals.

Standard resistance:

0.2 to 3.0 Ohms at 20°C (68°F)

(b) Inspect fuel pump operation.

(1) Apply the battery voltage to both the terminals. Check that the pump operates.

NOTICE:
* These tests must be done quickly (within 10 seconds) to prevent the coil from burning out.
* Keep the fuel pump as far away from the battery as possible.
* Always switch at the battery side.

NG -- REPLACE FUEL PUMP Removal

OK -- REPLACE ECM Removal

8. READ VALUE USING TECHSTREAM (STARTER SIGNAL)

(a) Connect the Techstream to the DLC3.

(b) Turn the ignition switch to ON.

(c) Turn the Techstream on.

(d) Enter the following menus: Powertrain / Engine and ECT / Data List / All Data / Starter Signal.

(e) Check the result when the ignition switch is turned to ON and START.

OK:





NG -- REPAIR OR REPLACE STARTING SYSTEM Component Tests and General Diagnostics
OK -- Continue to next step.

9. READ VALUE USING TECHSTREAM (ENGINE SPEED)

(a) Connect the Techstream to the DLC3.

(b) Turn the ignition switch to ON.

(c) Turn the Techstream on.

(d) Enter the following menus: Powertrain / Engine and ECT / Data List / All Data / Engine Speed.

(e) Read the values displayed on the Techstream while cranking.

OK:

Values are displayed continuously.

NG -- REPAIR OR REPLACE CRANKSHAFT POSITION SENSOR CIRCUIT P0335

OK -- REPLACE ECM Removal