Operation CHARM: Car repair manuals for everyone.
Manuals through 2025 now available!

Our trusted friends have launched a new website named LEMON, which has newer manuals. It also contains all the CHARM manuals.

LEMON is the spiritual successor to CHARM, I recommend you try it!

Link: lemon-manuals.la or lemon-manuals.org.ua

(Some people have issue connecting. LEMON is investigating. For now, use Firefox or change your DNS server)

Or, hide this message: temporarily or permanently

Alternator: Testing and Inspection





1NZ-FE CHARGING: GENERATOR: INSPECTION

1. INSPECT GENERATOR BRUSH HOLDER ASSEMBLY





(a) Using vernier calipers, measure the exposed brush length.

Standard exposed length:

9.5 to 11.5 mm (0.374 to 0.453 in.)

Minimum exposed length:

1.5 mm (0.059 in.)

If the exposed length is less than the minimum, replace the generator brush holder assembly.

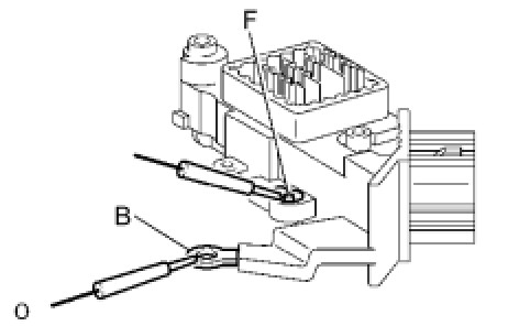
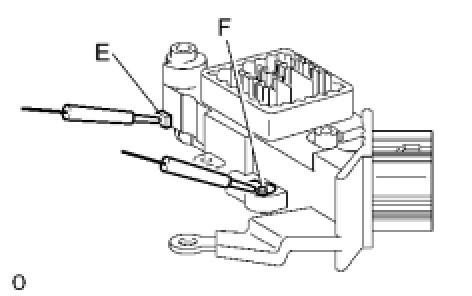
2. INSPECT GENERATOR REGULATOR ASSEMBLY





(a) Using an ohmmeter, check the continuity between terminals F and B.

Standard:

When the positive and negative poles between terminals F and B are exchanged, there is continuity in one direction but no continuity in the other direction.

If the continuity is not as specified, replace the generator regulator assembly.

(b) Using an ohmmeter, check the continuity between terminals F and E.





Standard:

When the positive and negative poles between terminals F and E are exchanged, there is continuity in one direction but no continuity in the other direction.

If the continuity is not as specified, replace the generator regulator assembly.

3. INSPECT GENERATOR DRIVE END FRAME





(a) Check the stator coil for open circuits.

(1) Using an ohmmeter, check the resistance between the coil leads.

Standard resistance:

Below 1 Ohms

If the result is not as specified, replace the generator assembly.

(b) Inspect the stator for ground.





(1) Using an ohmmeter, check the resistance between the coil lead and drive end frame.

Standard resistance:

10 kOhms or higher

If the result is not as specified, replace the generator assembly.

(c) Inspect the bearing.

(1) Make sure that the bearing is not rough or worn.

If necessary, replace the generator assembly.

4. INSPECT GENERATOR HOLDER WITH RECTIFIER





(a) Using an ohmmeter, check the continuity among terminals P1, P2, P3 and B, and among P1, P2, P3 and E.

Standard:

When the positive and negative poles among terminals P1, P2, P3 and B are exchanged, there is continuity in one direction but no continuity in the other direction.

When the positive and negative poles among terminals P1, P2, P3 and E are exchanged, there is continuity in one direction but no continuity in the other direction.

If the continuity is not as specified, replace the generator holder with rectifier.

5. INSPECT GENERATOR ROTOR ASSEMBLY





(a) Check the generator rotor for open circuits.

(1) Using an ohmmeter, measure the resistance between the slip rings.

Standard resistance:

1.7 to 2.1 Ohms at 20°C (68°F)

If the resistance is not as specified, replace the generator rotor assembly.

(b) Check the generator rotor for short circuits.





(1) Using an ohmmeter, check the resistance between the slip ring and generator rotor assembly.

Standard resistance:

10 kOhms or higher

If the result is not as specified, replace the generator rotor assembly.

(c) Inspect the slip rings.

(1) Make sure that the slip rings are not rough or scored.

If rough or scored, replace the generator rotor assembly.

(2) Using vernier calipers, measure the slip ring diameter.





Standard diameter:

14.2 to 14.4 mm (0.559 to 0.567 in.)

Minimum diameter:

12.8 mm (0.504 in.)

If the diameter is less than the minimum, replace the generator rotor assembly.