Operation CHARM: Car repair manuals for everyone.
Manuals through 2025 now available!

Our trusted friends have launched a new website named LEMON, which has newer manuals. It also contains all the CHARM manuals.

LEMON is the spiritual successor to CHARM, I recommend you try it!

Link: lemon-manuals.la or lemon-manuals.org.ua

(Some people have issue connecting. LEMON is investigating. For now, use Firefox or change your DNS server)

Or, hide this message: temporarily or permanently

Procedures





2GR-FE ENGINE MECHANICAL: ENGINE UNIT: REPLACEMENT

1. REMOVE SPARK PLUG TUBE GASKET

(a) Pry up the 3 claws of the ventilation baffle plate.





(b) Using a screwdriver with its tip taped and a hammer, tap out the 3 spark plug tube gaskets.





2. REMOVE ENGINE REAR OIL SEAL

(a) Place the oil seal retainer on wooden blocks.





NOTICE:
Be careful not to damage the engine rear oil seal retainer.

(b) Using a screwdriver and a hammer, tap out the oil seal.

HINT
Tape the screwdriver tip before use.

3. REMOVE TIMING CHAIN COVER OIL SEAL

(a) Using a screwdriver, pry out the timing chain case oil seal.





HINT
Tape the screwdriver tip before use.

4. INSTALL TIMING CHAIN COVER OIL SEAL

(a) Using SST, tap in a new oil seal until its surface is flush with the timing gear case edge.





SST : 09316-60011

09316-00011

NOTICE:
* Keep the lip free from foreign matter.
* Do not tap on the oil seal at an angle.
* Make sure that the oil seal edge does not stick out of the timing chain case.

5. INSTALL ENGINE REAR OIL SEAL

(a) Place the oil seal retainer on wooden blocks.

(b) Using SST, tap in a new oil seal until its surface is flush with the oil seal retainer edge.





SST : 09223-15030

SST : 09950-70010

09951-07100

NOTICE:
* Keep the lip free from foreign matter.
* Do not tap on the oil seal at an angle.

6. INSTALL SPARK PLUG TUBE GASKET

(a) Using a 32 mm socket wrench, tap in 6 new spark plug tube gaskets to the head covers.





NOTICE:
* Keep the lip free from foreign matter.
* Do not tap on the oil seal at an angle.

(b) Return the claw of the ventilation baffle plate to its original position.

7. REMOVE INTAKE VALVE GUIDE BUSH

(a) Heat the cylinder head to 80 to 100°C (176 to 212°F).





(b) Place the cylinder head on wooden blocks.

(c) Using SST and a hammer, tap out the guide bush.

SST : 09201-10000

09201-01050

SST : 09950-70010

09951-07100

8. REMOVE EXHAUST VALVE GUIDE BUSH

(a) Heat the cylinder head to 80 to 100°C (176 to 212°F).





(b) Place the cylinder head on wooden blocks.

(c) Using SST and a hammer, tap out the guide bush.

SST : 09201-10000

09201-01050

SST : 09950-70010

09951-07100

9. INSTALL INTAKE VALVE GUIDE BUSH

(a) Using a caliper gauge, measure the bush bore diameter of the cylinder head.





Cylinder bore diameter:

10.285 to 10.306 mm (0.4049 to 0.4057 in.)

(b) Select a new guide bush (STD or O/S 0.05).





If the bush bore diameter of the cylinder head is greater than 10.306 mm (0.4057 in.), machine the bush bore to the dimension of 10.335 to 10.356 mm (0.4069 to 0.4077 in.) to install a O/S 0.05 valve guide bush.

If the bush bore diameter of the cylinder head is greater than 10.356 mm (0.4077 in.), replace the cylinder head.

(c) Heat the cylinder head to 80 to 100°C (176 to 212°F)

(d) Place the cylinder head on wooden blocks.





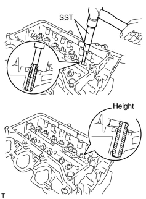
(e) Using SST, tap in a new valve guide bush to the specified protrusion height.

SST : 09201-10000

09201-01050

SST : 09950-70010

09951-07100

Protrusion height:

9.30 to 9.70 mm (0.3661 to 0.3819 in.)

(f) Using a sharp 5.5 mm reamer, ream the valve guide bush to obtain the standard specified clearance.





Standard oil clearance:

0.025 to 0.060 mm (0.0010 to 0.0023 in.)

10. INSTALL EXHAUST VALVE GUIDE BUSH

(a) Using a caliper gauge, measure the bush bore diameter of the cylinder head.





Cylinder bore diameter:

10.285 to 10.306 mm (0.4049 to 0.4057 in.)

(b) Select a new guide bush (STD or O/S 0.05).





If the bush bore diameter of the cylinder head is greater than 10.306 mm (0.4057 in.), machine the bush bore to the dimension of 10.335 to 10.356 mm (0.4069 to 0.4077 in.) to install a O/S 0.05 valve guide bush.

If the bush bore diameter of the cylinder head is greater than 10.356 mm (0.4077 in.), replace the cylinder head.

(c) Heat the cylinder head to 80 to 100°C (176 to 212°F).

(d) Place the cylinder head on wooden blocks.





(e) Using SST, tap in a new valve guide bush to the specified protrusion height.

SST : 09201-10000

09201-01050

SST : 09950-70010

09951-07100

Protrusion height:

9.30 to 9.70 mm (0.3661 to 0.3819 in.)

(f) Using a sharp 5.5 mm reamer, ream the valve guide bushing to obtain the standard specified clearance.





Standard oil clearance:

0.030 to 0.065 mm (0.0012 to 0.0026 in.)

11. INSTALL CONNECTING ROD SMALL END BUSH

(a) Align the oil holes of a new bush and the connecting rod.





(b) Using SST and a press, press in the bush.





SST : 09222-30010

(c) Using a pin hole grinder, hone the bush to obtain the standard clearance between the bush and piston pin.





(d) Check that the piston pin fits at normal room temperature.





(1) Coat the piston pin with engine oil, and push it into the connecting rod with your thumb.