Operation CHARM: Car repair manuals for everyone.
Manuals through 2025 now available!

Our trusted friends have launched a new website named LEMON, which has newer manuals. It also contains all the CHARM manuals.

LEMON is the spiritual successor to CHARM, I recommend you try it!

Link: lemon-manuals.la or lemon-manuals.org.ua

(Some people have issue connecting. LEMON is investigating. For now, use Firefox or change your DNS server)

Or, hide this message: temporarily or permanently

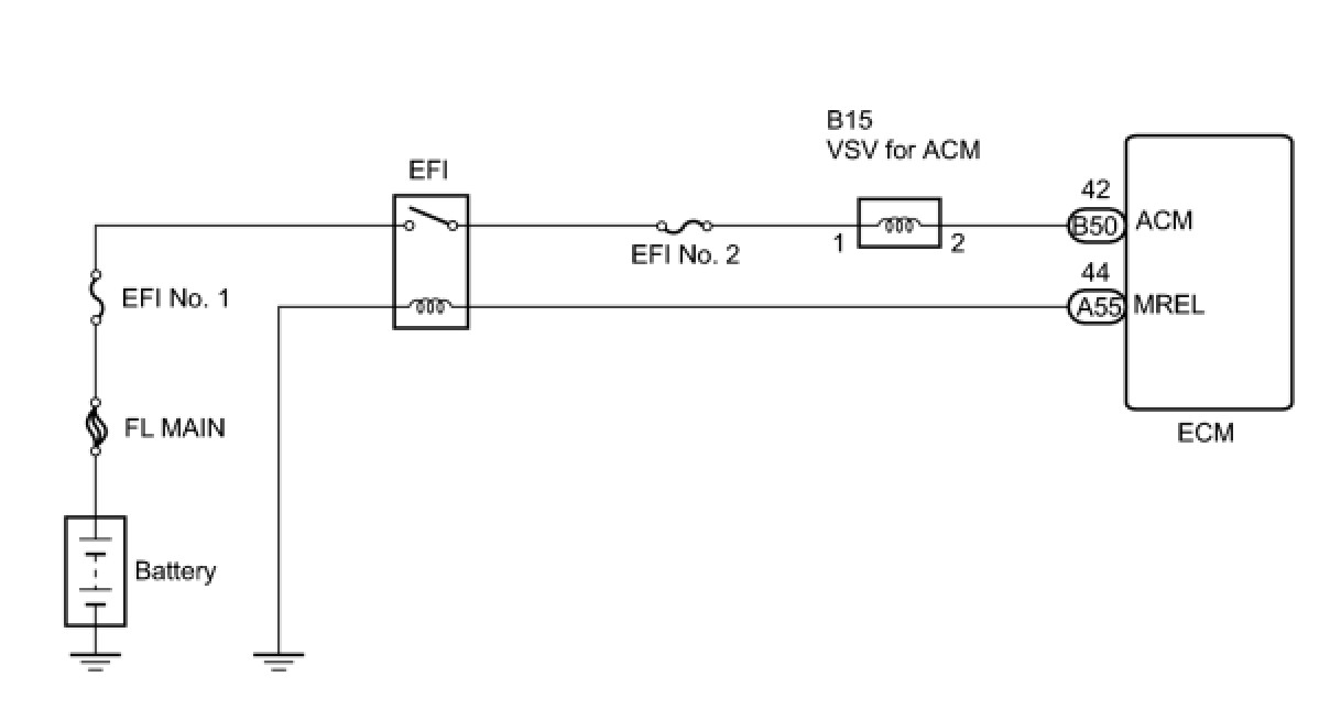
Active Control Engine Mount System





2GR-FE ENGINE CONTROL SYSTEM: SFI SYSTEM: Active Control Engine Mount System
- Active Control Engine Mount System

DESCRIPTION

LOCATION





The Active Control Engine Mount (ACM) system decreases engine vibration at a low engine speed using the ACM VSV. The VSV is controlled by a pulse signal transmitted to the VSV from the ECM. The frequency of this pulse signal is matched to the engine speed to decrease engine vibration.

WIRING DIAGRAM





INSPECTION PROCEDURE

NOTICE:
Inspect the fuses for circuits related to this system before performing the following inspection procedure.

PROCEDURE

1. CHECK VACUUM HOSES

(a) If the hose is damaged, replace the vacuum hose assembly.





(b) Check the air and vacuum hoses for looseness, disconnection and blockage.

NG -- REPAIR OR REPLACE VACUUM HOSES
OK -- Continue to next step.

2. CHECK VACUUM

(a) Disconnect the vacuum hose from the air cleaner cap.





(b) Start the engine.

(c) Check that the disconnected port located on the vacuum tank applies suction to your finger.

OK:

Vacuum pressure exists.

(d) Reconnect the vacuum hose.

NG -- CHECK AND REPLACE VACUUM SOURCE AND HOSES
OK -- Continue to next step.

3. INSPECT DUTY VACUUM SWITCHING VALVE (OPERATION)

(a) Remove the VSV for ACM.





(b) Check operation of the VSV for ACM when positive battery voltage is applied to the terminals of the VSV for the ACM connector.

Positive battery voltage is not applied:

The air from pipe G is flowing out through pipes E and H.

Positive battery voltage is applied:

The air from pipe F is flowing out through pipes E and H.

(c) Reinstall the VSV for ACM.

NG -- REPLACE DUTY VACUUM SWITCHING VALVE
OK -- Continue to next step.

4. INSPECT DUTY VACUUM SWITCHING VALVE (RESISTANCE)

(a) Disconnect the VSV for ACM connector.





(b) Measure the resistance between terminals 1 and 2.

Standard resistance:

19 to 21 Ohms at 20°C (68°F)

(c) Reconnect the VSV for ACM connector.

NG -- REPLACE DUTY VACUUM SWITCHING VALVE
OK -- Continue to next step.

5. INSPECT FRONT ENGINE MOUNTING INSULATOR ASSEMBLY

(a) Disconnect the vacuum hose from the front engine mount insulator.





(b) Using a vacuum pump, apply vacuum of 80 kPa (600 mmHg, 24 in.Hg) and wait for 1 minute.

(c) Check that there is no change in the needle movement of the vacuum pump gauge.

(d) Check that there is no fluid leakage caused by a break in the diaphragm.

OK:

Vacuum pressure leak.

(e) Reconnect the vacuum hose.

NG -- REPLACE FRONT ENGINE MOUNTING INSULATOR ASSEMBLY
OK -- Continue to next step.

6. CHECK HARNESS AND CONNECTOR (VSV FOR ACM - ECM)

(a) Check the wire harness between the VSV for ACM connector and the ECM connector.

(1) Disconnect the VSV for ACM connector.

(2) Disconnect the ECM connector.

(3) Measure the resistance between the wire harness side connectors.

Standard resistance (Check for open):





Standard resistance (Check for open):





(4) Reconnect the ECM connector.

(5) Reconnect the VSV for ACM connector.

NG -- REPAIR OR REPLACE HARNESS OR CONNECTOR (VSV FOR ACM - ECM)
OK -- Continue to next step.

7. INSPECT DUTY VACUUM SWITCHING VALVE (VOLTAGE)

(a) Disconnect the VSV for ACM connector.





(b) Turn the ignition switch to ON.

(c) Measure the voltage between the terminals.

Standard voltage:





(d) Reconnect the VSV for ACM connector.

NG -- CHECK HARNESS AND CONNECTOR (VSV FOR ACM - ENGINE JUNCTION BLOCK (EFI RELAY))

OK -- REPLACE ECM Removal

8. CHECK HARNESS AND CONNECTOR (VSV FOR ACM - ENGINE JUNCTION BLOCK (EFI RELAY))

(a) Check the wire harness between the VSV for ACM and the EFI relay.

(1) Disconnect the VSV for ACM connector.

(2) Remove the engine room junction block.

(3) Measure the resistance between the wire harness side connectors.

Standard resistance (Check for open):





Standard resistance (Check for short):





(4) Reconnect the VSV for ACM connector.

(5) Reinstall the engine room junction block.

NG -- REPAIR OR REPLACE HARNESS OR CONNECTOR

OK -- REPLACE ECM Removal