Operation CHARM: Car repair manuals for everyone.
Manuals through 2025 now available!

Our trusted friends have launched a new website named LEMON, which has newer manuals. It also contains all the CHARM manuals.

LEMON is the spiritual successor to CHARM, I recommend you try it!

Link: lemon-manuals.la or lemon-manuals.org.ua

(Some people have issue connecting. LEMON is investigating. For now, use Firefox or change your DNS server)

Or, hide this message: temporarily or permanently

Installation





2GR-FE ENGINE CONTROL: AIR FUEL RATIO SENSOR: INSTALLATION

HINT
Perform "Inspection After Repair" after replacing the air fuel ratio sensor Programming and Relearning.

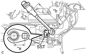
1. INSTALL AIR FUEL RATIO SENSOR (for Bank 1 Sensor 1)

(a) Using SST, install the air fuel ratio sensor to the exhaust manifold RH.





Text in Illustration





SST : 09224-00010

without SST - Torque : 44 Nm (449 kgf-cm, 33 ft-lbf)

with SST - Torque : 40 Nm (408 kgf-cm, 30 ft-lbf)

NOTICE:
* The "with SST" torque value is effective when using SST with a fulcrum length of 30 mm (1.18 in.) and a torque wrench with a fulcrum length of 180 mm (7.09 in.) Service Precautions.
* The "with SST" torque value is effective when SST is parallel to the torque wrench.

HINT
Perform "Inspection After Repair" after replacing the air fuel ratio sensor Programming and Relearning.

(b) Connect the harness clamp.

(c) Connect the air fuel ratio sensor connector.

2. INSTALL FRONT EXHAUST PIPE ASSEMBLY

Installation.

3. INSTALL AIR FUEL RATIO SENSOR (for Bank 2 Sensor 1)

(a) Using SST, install the air fuel ratio sensor to the exhaust manifold LH.





Text in Illustration





SST : 09224-00010

without SST - Torque : 44 Nm (449 kgf-cm, 33 ft-lbf)

with SST - Torque : 40 Nm (408 kgf-cm, 30 ft-lbf)

NOTICE:
* The "with SST" torque value is effective when using SST with a fulcrum length of 30 mm (1.18 in.) and a torque wrench with a fulcrum length of 180 mm (7.09 in.) Service Precautions.
* The "with SST" torque value is effective when SST is parallel to the torque wrench.

HINT
Perform "Inspection After Repair" after replacing the air fuel ratio sensor Programming and Relearning.

(b) Connect the air fuel ratio sensor connector.

(c) Install the wire harness clamp.

4. INSPECT FOR EXHAUST GAS LEAK

5. INSTALL V-BANK COVER SUB-ASSEMBLY Installation

6. INSTALL COOL AIR INTAKE DUCT SEAL Installation