Operation CHARM: Car repair manuals for everyone.
Manuals through 2025 now available!

Our trusted friends have launched a new website named LEMON, which has newer manuals. It also contains all the CHARM manuals.

LEMON is the spiritual successor to CHARM, I recommend you try it!

Link: lemon-manuals.la or lemon-manuals.org.ua

(Some people have issue connecting. LEMON is investigating. For now, use Firefox or change your DNS server)

Or, hide this message: temporarily or permanently

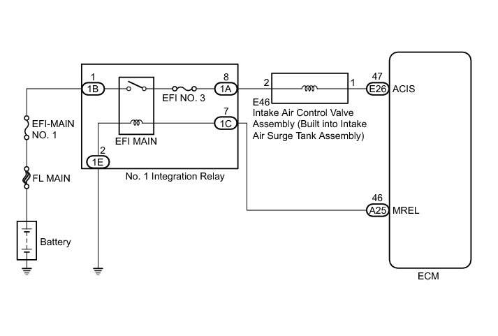
ACIS Control Circuit





2GR-FE ENGINE CONTROL: SFI SYSTEM: ACIS Control Circuit
- ACIS Control Circuit

DESCRIPTION

This circuit opens and closes the intake air control valve assembly (built into intake air surge tank assembly) in response to changes in the engine load in order to increase the intake efficiency using the acoustic control induction system.

When the engine speed is between 0 and 4200 rpm and the throttle valve opening angle is 60° or more, the ECM supplies current to the actuator (on status), to close the intake air control valve assembly. Under other conditions, the intake air control valve assembly is open.





WIRING DIAGRAM





INSPECTION PROCEDURE

NOTICE:
Inspect the fuses for circuits related to this system before performing the following inspection procedure.

PROCEDURE

1. PERFORM ACTIVE TEST USING TECHSTREAM (ACTIVATE THE VSV FOR INTAKE CONTROL)

(a) Connect the Techstream to the DLC3.

(b) Turn the engine switch on (IG).

(c) Turn the Techstream on.

(d) Enter the following menus: Powertrain / Engine / Active Test / Activate the VSV for Intake Control.

(e) Check if operating noise can be heard when operating the intake air control valve assembly using the Techstream.

OK:

Operating noise can be heard.

NG -- INSPECT INTAKE AIR SURGE TANK ASSEMBLY (INTAKE AIR CONTROL VALVE ASSEMBLY OPERATION)

OK -- PROCEED TO NEXT SUSPECTED AREA SHOWN IN PROBLEM SYMPTOMS TABLE Symptom Related Diagnostic Procedures

2. INSPECT INTAKE AIR SURGE TANK ASSEMBLY (INTAKE AIR CONTROL VALVE ASSEMBLY OPERATION)

(a) Inspect the intake air surge tank assembly (intake air control valve assembly) Intake Air Control Valve (for ACIS).

NG -- REPLACE INTAKE AIR SURGE TANK ASSEMBLY Removal
OK -- Continue to next step.

3. CHECK TERMINAL VOLTAGE (POWER SOURCE OF INTAKE AIR CONTROL VALVE ASSEMBLY)

(a) Disconnect the intake air control valve assembly connector.





(b) Turn the engine switch on (IG).

(c) Measure the voltage according to the value(s) in the table below.

Standard Voltage:





Text in Illustration





NG -- CHECK HARNESS AND CONNECTOR (NO. 1 INTEGRATION RELAY - INTAKE AIR CONTROL VALVE ASSEMBLY)
OK -- Continue to next step.

4. CHECK HARNESS AND CONNECTOR (INTAKE AIR CONTROL VALVE ASSEMBLY - ECM)

(a) Disconnect the intake air control valve assembly connector.

(b) Disconnect the ECM connector.

(c) Measure the resistance according to the value(s) in the table below.

Standard Resistance:





NG -- REPAIR OR REPLACE HARNESS OR CONNECTOR

OK -- REPLACE ECM Removal

5. CHECK HARNESS AND CONNECTOR (NO. 1 INTEGRATION RELAY - INTAKE AIR CONTROL VALVE ASSEMBLY)

(a) Remove the No. 1 integration relay from the engine room relay block and junction block assembly.

(b) Disconnect the intake air control valve assembly connector.

(c) Measure the resistance according to the value(s) in the table below.

Standard Resistance:





NG -- REPAIR OR REPLACE HARNESS OR CONNECTOR

OK -- GO TO ECM POWER SOURCE CIRCUIT ECM Power Source Circuit