Operation CHARM: Car repair manuals for everyone.
Manuals through 2025 now available!

Our trusted friends have launched a new website named LEMON, which has newer manuals. It also contains all the CHARM manuals.

LEMON is the spiritual successor to CHARM, I recommend you try it!

Link: lemon-manuals.la or lemon-manuals.org.ua

(Some people have issue connecting. LEMON is investigating. For now, use Firefox or change your DNS server)

Or, hide this message: temporarily or permanently

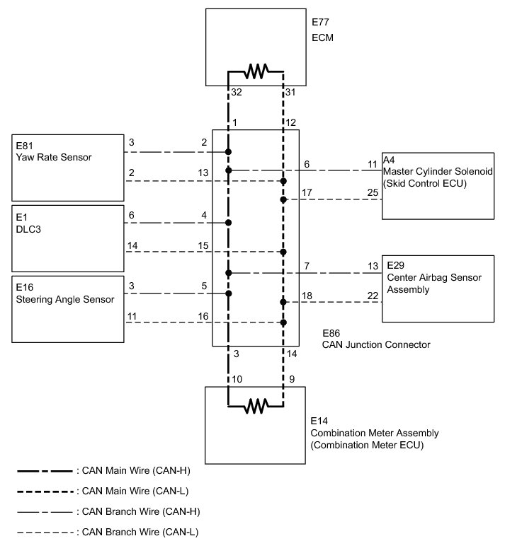
System Diagram





CAN COMMUNICATION: CAN COMMUNICATION SYSTEM: SYSTEM DIAGRAM





HINT
The master cylinder solenoid (skid control ECU) stores DTCs and performs DTC communication by receiving information from the steering sensor and yaw rate sensor. These sensors cannot store DTCs or perform DTC communication.