Operation CHARM: Car repair manuals for everyone.
Manuals through 2025 now available!

Our trusted friends have launched a new website named LEMON, which has newer manuals. It also contains all the CHARM manuals.

LEMON is the spiritual successor to CHARM, I recommend you try it!

Link: lemon-manuals.la or lemon-manuals.org.ua

(Some people have issue connecting. LEMON is investigating. For now, use Firefox or change your DNS server)

Or, hide this message: temporarily or permanently

Transaxle Unit





U760E AUTOMATIC TRANSAXLE: AUTOMATIC TRANSAXLE UNIT: INSPECTION

1. INSPECT TRANSMISSION OIL CLEANER MAGNET

(a) Use the removed magnets to collect any steel chips. Examine the chips and particles in the pan and on the magnets to determine what type of wear has occurred in the transaxle:





Result:

Steel (magnetic)
Bearing, gear and plate wear

Brass (non-magnetic)
Bushing wear

2. INSPECT INPUT SHAFT SUB-ASSEMBLY

(a) Using a dial indicator, measure the input shaft end play.





End play:

0.020 to 1.242 mm (0.000787 to 0.0489 in.)

3. INSPECT PLANETARY SUN GEAR SUB-ASSEMBLY

(a) Using a dial indicator, measure the inside diameter of the bushings of the planetary sun gear.





Standard inside diameter:

25.525 to 25.546 mm (1.0049 to 1.0057 in.)

Maximum inside diameter:

25.546 mm (1.0057 in.)

If the inside diameter is greater than the maximum, replace the planetary sun gear.

4. INSPECT NO. 3 BRAKE DISC

(a) Check if the contact surfaces of the discs, plates and flanges are worn or burnt.





NOTICE:
* If the lining of any disc is peeled off or discolored, or even if part of the groove is damaged, replace all discs.
* Before assembling new discs, soak them in ATF for at least 15 minutes.

If necessary, replace them.

5. INSPECT UNDERDRIVE PLANETARY GEAR ASSEMBLY

(a) Using a feeler gauge, measure the clearance between the underdrive planetary gear and the pinion gear at 4 points.





Standard clearance:

0.18 to 0.54 mm (0.00709 to 0.0213 in.)

If the clearance is greater than the standard clearance, replace the automatic transaxle assembly.

6. INSPECT REAR PLANETARY SUN GEAR ASSEMBLY

(a) Using a dial indicator, measure the inside diameter of the bushing of the rear planetary sun gear sub-assembly.





Standard inside diameter:

25.580 to 25.601 mm (1.0071 to 1.0079 in.)

Maximum inside diameter:

25.601 mm (1.0079 in.)

If the inside diameter is greater than the maximum, replace the automatic transaxle assembly.

7. INSPECT NO. 1 BRAKE DISC

(a) Check if the contact surfaces of the discs, plates and flange are worn or burnt.





NOTICE:
* If the lining of any disc is peeled off or discolored, or even if part of the groove is damaged, replace all discs.
* Before assembling new discs, soak them in ATF for at least 15 minutes.

If necessary, replace them.

8. INSPECT 2ND BRAKE PISTON RETURN SPRING SUB-ASSEMBLY

(a) Using a vernier caliper, measure the free length of the 3 2nd brake piston return springs including the spring seats.





Standard free length:

23.26 mm (0.916 in.)

If the free length is shorter than the standard free length, replace the 2nd brake piston return spring.

9. INSPECT ONE-WAY CLUTCH ASSEMBLY

(a) Temporarily install the one-way clutch assembly to the planetary ring gear.





(b) Make sure that the one-way clutch assembly turns freely counterclockwise and locks when turned clockwise.

If the one-way clutch assembly does not operate normally, replace it.

10. INSPECT NO. 2 BRAKE DISC

(a) Check if the contact surfaces of the discs, plates and flange are worn or burnt.





NOTICE:
* If the lining of any disc is peeled off or discolored, or even if part of the groove is damaged, replace all discs.
* Before assembling new discs, soak them in ATF for at least 15 minutes.

If necessary, replace them.

11. INSPECT 1ST AND REVERSE BRAKE RETURN SPRING SUB-ASSEMBLY

(a) Using a vernier caliper, measure the free length of the 1st and reverse brake return spring together with the spring seat.





Standard free length:

15.79 mm (0.621 in.)

If the free length is shorter than the standard free length, replace the 1st and reverse brake return spring.

12. INSPECT CLEARANCE OF NO. 2 BRAKE

(a) Using a dial indicator, measure the clearance of the No. 2 brake while applying compressed air (200 kPa, 2.0 kgf/cm2, 29 psi).





Standard clearance:

0.884 to 1.196 mm (0.0348 to 0.0471 in.)

HINT
Measure the clearance at 3 points where the brake piston diameter is approximately 140 mm (5.51 in.) and calculate the average.

If the clearance is not as specified, select an appropriate No. 2 brake flange so that the clearance will be within the specified range.

HINT
There are 5 flanges of different thicknesses.

No. 2 Brake Flange Thickness: mm (in.)





13. INSPECT CLEARANCE OF NO. 1 BRAKE

(a) Using a dial indicator, measure the clearance of the No. 1 brake while applying compressed air (200 kPa, 2.0 kgf/cm2, 29 psi).





Standard clearance:

0.601 to 0.819 mm (0.0237 to 0.0322 in.)

HINT
Measure the clearance at 3 points where the brake piston diameter is approximately 140 mm (5.51 in.) and calculate the average.

If the clearance is not as specified, select an appropriate No. 1 brake flange so that the clearance will be within the specified range.

HINT
There are 6 flanges of different thicknesses.

No. 1 Brake Flange Thickness: mm (in.)





14. INSPECT NO. 3 BRAKE PISTON RETURN SPRING SUB-ASSEMBLY

(a) Using a vernier caliper, measure the free length of the No. 3 brake piston return spring together with the spring seat.





Standard free length:

9.15 mm (0.360 in.)

If the free length is shorter than the standard free length, replace the No. 3 brake piston return spring.

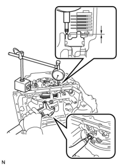
15. INSPECT CLEARANCE OF NO. 3 BRAKE

(a) Using a vernier caliper and a straightedge, measure the distance shown in the illustration (Dimension A) while a load of 500 N (51 kgf, 112 lbf) is being applied to the flange.





HINT
Measure dimension A at 3 points where the flange diameter is approximately 166 mm (6.54 in.) and calculate the average.

(b) Using a vernier caliper and a straightedge, measure the distance shown in the illustration(Dimension B).

HINT
Measure dimension B at 3 points where the No. 3 brake diameter is approximately 166 mm (6.54 in.) and calculate the average.

(c) Calculate the clearance value using the following formula:

Clearance = Dimension B - Dimension A - Flange Thickness

Standard clearance:

0.599 to 0.799 mm (0.0236 to 0.0315 in.)

If the clearance is not as specified, select an appropriate brake flange so that the clearance will be within the specified range.

HINT
There are 6 flanges of different thicknesses.

No. 3 Brake Flange Thickness: mm (in.)





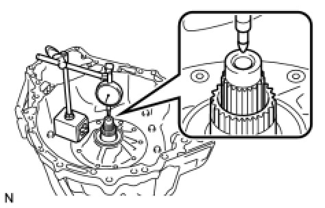
16. INSPECT CLEARANCE OF NO. 1 CLUTCH DISC

(a) Install the direct multiple disc clutch assembly onto the rear transaxle cover sub-assembly.





(b) Check that the piston moves when compressed air (200 kPa, 2.0 kgf/cm2, 29 psi) is applied to the oil hole.

(c) Using a feeler gauge, measure the No. 1 clutch pack clearance.





HINT
Measure the clearance at 3 points where the flange diameter is approximately 152 mm (5.98 in.) and calculate the average.

Pack clearance:

0.601 to 0.819 mm (0.0237 to 0.0322 in.)

If the pack clearance is not as specified, replace the automatic transaxle assembly.

17. INSPECT CLEARANCE OF NO. 2 CLUTCH DISC

(a) Install the direct multiple disc clutch assembly onto the rear transaxle cover sub-assembly.





(b) Using a dial indicator, measure the No. 2 clutch pack clearance while applying and releasing compressed air (200 kPa, 2.0 kgf/cm2, 29 psi).

HINT
Measure the clearance at 3 points where the diameter of the No. 2 direct multiple clutch piston is approximately 152 mm (5.98 in.) and calculate the average.

Pack clearance:

0.394 to 0.605 mm (0.0155 to 0.0238 in.)

If the pack clearance is not as specified, replace the automatic transaxle assembly.