Operation CHARM: Car repair manuals for everyone.
Manuals through 2025 now available!

Our trusted friends have launched a new website named LEMON, which has newer manuals. It also contains all the CHARM manuals.

LEMON is the spiritual successor to CHARM, I recommend you try it!

Link: lemon-manuals.la or lemon-manuals.org.ua

(Some people have issue connecting. LEMON is investigating. For now, use Firefox or change your DNS server)

Or, hide this message: temporarily or permanently

Entry Functions Do Not Operate At All





DOOR LOCK: SMART KEY SYSTEM: Entry Functions do not Operate at All
- Entry Functions do not Operate at All

DESCRIPTION

When the entry functions do not operate at all, it is possible that the certification ECU is malfunctioning or that the wire harness leading to the certification ECU is short circuited.

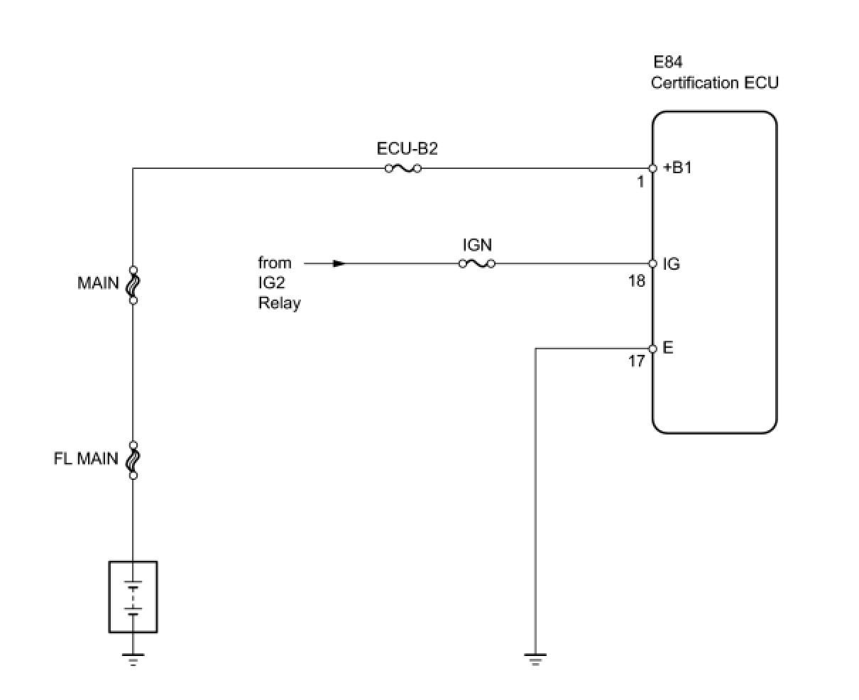
WIRING DIAGRAM





INSPECTION PROCEDURE

PROCEDURE

1. CHECK KEY CANCEL FUNCTION

(a) Check that the key cancel function has been set Door Lock - Smart Key System.

OK:

Key cancel function is set.

NG -- CHECK WIRE HARNESS (CERTIFICATION ECU - BATTERY AND BODY GROUND)

OK -- END (UNSET KEY CANCEL FUNCTION)

2. CHECK WIRE HARNESS (CERTIFICATION ECU - BATTERY AND BODY GROUND)





(a) Disconnect the E84 ECU connector.

(b) Measure the resistance and voltage of the wire harness side connectors.

Standard resistance:





Standard voltage:





NG -- REPAIR OR REPLACE HARNESS AND CONNECTOR

OK -- REPLACE ECU AGGREGATION BOX (CERTIFICATION ECU) Removal