Operation CHARM: Car repair manuals for everyone.
Manuals through 2025 now available!

Our trusted friends have launched a new website named LEMON, which has newer manuals. It also contains all the CHARM manuals.

LEMON is the spiritual successor to CHARM, I recommend you try it!

Link: lemon-manuals.la or lemon-manuals.org.ua

(Some people have issue connecting. LEMON is investigating. For now, use Firefox or change your DNS server)

Or, hide this message: temporarily or permanently

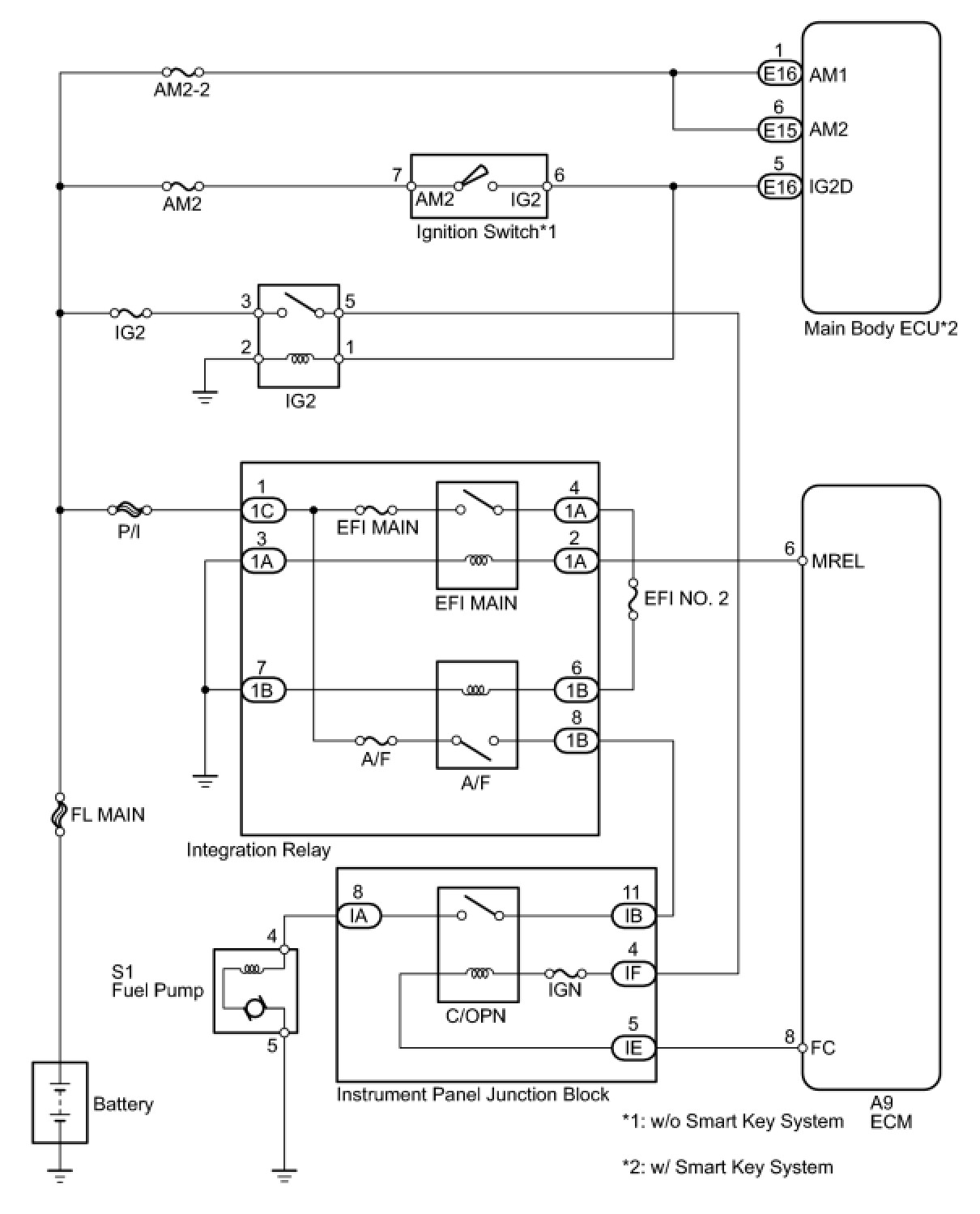
Fuel Pump Control Circuit





2AR-FE ENGINE CONTROL SYSTEM: SFI SYSTEM: Fuel Pump Control Circuit
- Fuel Pump Control Circuit

DESCRIPTION

When the engine is cranked, the starter relay drive signal output from the STAR terminal of the ECM is input into the STA terminal of the ECM, and the NE signal generated by the crankshaft position sensor is also input into the NE+ terminal. The ECM interprets that the engine is cranked, and turns transistor Tr1 in the ECM internal circuit on. The current flows to the C/OPN (Circuit Opening) relay by turning Tr1 on. Then, the fuel pump operates.

While the NE signal is input into the ECM, when the engine is running, the ECM turns Tr1 on continuously.





WIRING DIAGRAM





INSPECTION PROCEDURE

NOTICE:
Inspect the fuses of circuits related to this system before performing the following inspection procedure.

PROCEDURE

1. PERFORM ACTIVE TEST USING TECHSTREAM (ACTIVE THE FUEL PUMP SPEED CONTROL)

(a) Connect the Techstream to the DLC3.

(b) Turn the ignition switch to ON and turn the Techstream on.

(c) Enter the following menus: Powertrain / Engine and ECT / Active Test / Control the Fuel Pump / Speed.

(d) Check whether the fuel pump operating sound occurs when performing the Active Test on the Techstream.

OK:

Fuel pump operating sound occurs.

NG -- INSPECT INSTRUMENT PANEL JUNCTION BLOCK (C/OPN RELAY INPUT VOLTAGE)
OK -- Continue to next step.

2. READ VALUE USING TECHSTREAM (STARTER SIGNAL)

(a) Connect the Techstream to the DLC3.

(b) Turn the ignition switch to ON and turn the Techstream on.

(c) Enter the following menus: Powertrain / Engine and ECT / Data List / Starter Signal.

(d) Check the result when the ignition switch is turned to ON and START.

OK:





NG -- REPAIR OR REPLACE STARTING SYSTEM
OK -- Continue to next step.

3. READ VALUE USING TECHSTREAM (ENGINE SPEED)

(a) Connect the Techstream to the DLC3.

(b) Turn the ignition switch to ON and turn the Techstream on.

(c) Enter the following menus: Powertrain / Engine and ECT / Data List / Engine Speed.

(d) Read the values displayed on the Techstream while cranking the engine.

OK:

Values are displayed continuously.

NG -- REPAIR OR REPLACE CRANKSHAFT POSITION SENSOR CIRCUIT

OK -- REPLACE ECM Removal

4. INSPECT INSTRUMENT PANEL JUNCTION BLOCK (C/OPN RELAY INPUT VOLTAGE)

(a) Measure the voltage according to the value(s) in the table below.





Standard Voltage:





NG -- INSPECT INTEGRATION NO.1 RELAY (A/F)
OK -- Continue to next step.

5. INSPECT INSTRUMENT PANEL JUNCTION BLOCK (C/OPN RELAY)

(a) Remove the instrument panel junction block.





(b) Measure the resistance according to the value(s) in the table below.

Standard Resistance:





(c) Reinstall the instrument panel junction block.

NG -- REPLACE MAIN BODY ECU
OK -- Continue to next step.

6. CHECK HARNESS AND CONNECTOR (MAIN BODY ECU - ECM)

(a) Disconnect the ECM connector.





(b) Disconnect the instrument panel junction block connector.

(c) Measure the resistance according to the value(s) in the table below.

Standard Resistance (Check for open):





Standard Resistance (Check for short):





(d) Reconnect the instrument panel junction block connector.

(e) Reconnect the ECM connector.

NG -- REPAIR OR REPLACE HARNESS OR CONNECTOR
OK -- Continue to next step.

7. CHECK HARNESS AND CONNECTOR (C/OPN RELAY - FUEL PUMP - BODY GROUND)

(a) Check the harness and connectors between the instrument panel junction block and fuel pump.





(1) Disconnect the instrument panel junction block connector.

(2) Disconnect the fuel pump connector.

(3) Measure the resistance according to the value(s) in the table below.

Standard Resistance (Check for open):





Standard Resistance (Check for short):





(b) Check the harness and connectors between the fuel pump and body ground.

(1) Disconnect the fuel pump connector.

(2) Measure the resistance according to the value(s) in the table below.

Standard Resistance (Check for open):





(c) Reconnect the instrument panel junction block connector.

(d) Reconnect the fuel pump connector.

NG -- REPAIR OR REPLACE HARNESS OR CONNECTOR
OK -- Continue to next step.

8. INSPECT FUEL PUMP

(a) Inspect the fuel pump Inspection.

NG -- REPLACE FUEL PUMP Removal

OK -- REPLACE ECM Removal

9. INSPECT INTEGRATION NO.1 RELAY (A/F) P0031

NG -- REPLACE INTEGRATION NO.1 RELAY
OK -- Continue to next step.

10. CHECK HARNESS AND CONNECTOR (INSTRUMENT PANEL JUNCTION BLOCK - ENGINE ROOM NO. 1 RELAY BLOCK, INTEGRATION RELAY)

(a) Remove the IG2 relay from the engine room No. 1 relay block.

(b) Remove the integration relay from the engine room No. 1 relay block.

(c) Disconnect the instrument panel junction block connectors.

(d) Measure the resistance according to the value(s) in the table below.





Standard Resistance (Check for open):





Standard Resistance (Check for short):





(e) Reinstall the IG2 relay.

(f) Reinstall the integration relay.

(g) Reconnect the instrument panel junction block connectors.

NG -- REPAIR OR REPLACE HARNESS OR CONNECTOR

OK -- GO TO ECM POWER SOURCE CIRCUIT ECM Power Source Circuit