Operation CHARM: Car repair manuals for everyone.
Manuals through 2025 now available!

Our trusted friends have launched a new website named LEMON, which has newer manuals. It also contains all the CHARM manuals.

LEMON is the spiritual successor to CHARM, I recommend you try it!

Link: lemon-manuals.la or lemon-manuals.org.ua

(Some people have issue connecting. LEMON is investigating. For now, use Firefox or change your DNS server)

Or, hide this message: temporarily or permanently

Power Source Mode Does Not Change





2AR-FE STARTING: SMART KEY SYSTEM: Power Source Mode does not Change
- Power Source Mode does not Change

DESCRIPTION

When the certification ECU has detected the electrical key inside the cabin before the brake pedal is depressed, the power source mode can be changed in the following order sequentially by pressing the engine switch: off -> on (ACC) -> on (IG) -> off.





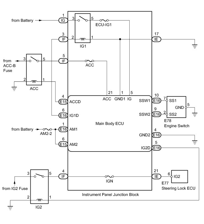
WIRING DIAGRAM





INSPECTION PROCEDURE

NOTICE:
When one of the DTCs shown in the illustration above is detected, troubleshoot the DTC(s) by following the troubleshooting procedure relevant to the DTC(s). If the power source mode still cannot be changed normally, despite troubleshooting, one of the following may have occurred:

* The LIN communication line is malfunctioning.
* The certification ECU has determined that no key is inside the cabin.
* The engine switch is malfunctioning.
* The main body ECU is malfunctioning.

HINT
If the vehicle is in key cancel mode, change to normal mode Door Lock - Smart Key System.

PROCEDURE

1. CHECK WHETHER DTC OUTPUT OCCURS

(a) Connect the Techstream to the DLC3.

(b) Turn the engine switch on (IG) and turn the Techstream on.

HINT
When it is impossible to turn the engine switch on (IG), connect the Techstream to the vehicle, and turn a courtesy light switch on and off at 1.5 second intervals until communication between the tester and vehicle begins.

(c) Enter the following menus: Body Electrical / Main Body / Trouble Codes.

(d) Clear the DTCs.

HINT
After all DTCs are cleared, check if the trouble occurs again 5 seconds after the engine switch is turned on (IG).

(e) Check for DTCs again.

OK:

No DTC is output.

NG -- GO TO DIAGNOSTIC TROUBLE CODE CHART Smart Key System
OK -- Continue to next step.

2. CHECK SMART KEY SYSTEM

(a) Remove the battery of the electrical key transmitter Transmitter Battery (w/ Smart Key System).





(b) With the brake pedal depressed, touch the TOYOTA mark of the key to the engine switch.

(c) When operating the engine switch, check whether the engine switch changes to on (ACC) or on (IG).

HINT
* When the electrical key transmitter cannot be verified even when it is in the operational area, the engine start check can be performed by removing the transmitter battery from the electrical key transmitter and holding the transmitter against the engine switch.
* When performing the check, if the engine switch turns on (ACC) or on (IG), there is a problem with key certification inside the cabin.

Result





B -- GO TO SMART KEY SYSTEM (FOR ENTRY FUNCTION) (ROOM OSCILLATOR DOES NOT RECOGNIZE KEY) Room Oscillator Does Not Recognize Key
A -- Continue to next step.

3. INSPECT FUSE (AM2-2)

(a) Remove the AM2-2 fuse from the engine room No. 1 relay block.

(b) Measure the resistance according to the value(s) in the table below.

Standard Resistance:





NG -- REPLACE FUSE
OK -- Continue to next step.

4. READ VALUE USING TECHSTREAM (RELAY MONITOR)

(a) Connect the Techstream to the DLC3.

(b) Turn the engine switch on (IG) and turn the Techstream on.

(c) Enter the following menus: Body Electrical / Main Body / Data List.

(d) Read the display on the Techstream.

Main Body





OK:

When the engine switch is turned on (IG), IG1 Relay Monitor(Inside) is ON and IG2 Relay Monitor(Inside) is ON.

When the engine switch is turned on (ACC), ACC Relay Monitor is ON.

NG -- INSPECT IG1 RELAY

OK -- REPLACE MAIN BODY ECU (INSTRUMENT PANEL JUNCTION BLOCK)

5. INSPECT IG1 RELAY

(a) Inspect the IG1 relay.





(1) Remove the IG1 relay from the instrument panel junction block.

(2) Measure the resistance according to the value(s) in the table below.

Standard Resistance:





NG -- REPLACE RELAY
OK -- Continue to next step.

6. INSPECT IG2 RELAY

(a) Inspect the IG2 relay.





(1) Remove the IG2 relay from the engine room No. 1 relay block.

(2) Measure the resistance according to the value(s) in the table below.

Standard Resistance:





NG -- REPLACE RELAY
OK -- Continue to next step.

7. INSPECT ACC RELAY

(a) Inspect the ACC relay.





(1) Remove the ACC relay from the engine room No. 5 relay block.

(2) Measure the resistance according to the value(s) in the table below.

Standard Resistance:





NG -- REPLACE RELAY
OK -- Continue to next step.

8. CHECK HARNESS AND CONNECTOR (IG2 RELAY - MAIN BODY ECU)

(a) Remove the IG2 relay from the engine room No. 1 relay block.





(b) Disconnect the E16 main body ECU connector.

(c) Measure the resistance according to the value(s) in the table below.

Standard Resistance:





NG -- REPAIR OR REPLACE HARNESS OR CONNECTOR
OK -- Continue to next step.

9. CHECK HARNESS AND CONNECTOR (ACC RELAY - MAIN BODY ECU)

(a) Remove the ACC relay from the No. 5 relay block.





(b) Disconnect the E15 main body ECU connector.

(c) Measure the resistance according to the value(s) in the table below.

Standard Resistance:





NG -- REPAIR OR REPLACE HARNESS OR CONNECTOR
OK -- Continue to next step.

10. INSPECT ENGINE SWITCH

(a) Remove the engine switch Removal.





(b) Measure the resistance of the switch.

Standard Resistance:





NG -- REPLACE ENGINE SWITCH Removal
OK -- Continue to next step.

11. CHECK HARNESS AND CONNECTOR (MAIN BODY ECU - BATTERY AND BODY GROUND)

(a) Disconnect the E15 and E16 main body ECU connectors.





(b) Measure the voltage and resistance according to the value(s) in the table below.

Standard Voltage:





Standard Resistance:





NG -- REPAIR OR REPLACE HARNESS OR CONNECTOR

OK -- REPLACE MAIN BODY ECU (INSTRUMENT PANEL JUNCTION BLOCK)