Operation CHARM: Car repair manuals for everyone.
Manuals through 2025 now available!

Our trusted friends have launched a new website named LEMON, which has newer manuals. It also contains all the CHARM manuals.

LEMON is the spiritual successor to CHARM, I recommend you try it!

Link: lemon-manuals.la or lemon-manuals.org.ua

(Some people have issue connecting. LEMON is investigating. For now, use Firefox or change your DNS server)

Or, hide this message: temporarily or permanently

Driver Side Power Window Auto Up / Down Function does not Operate with Power Window Master Switch





WINDSHIELD / WINDOWGLASS: POWER WINDOW CONTROL SYSTEM: Driver Side Power Window Auto Up / Down Function does not Operate with Power Window Master Switch
- Driver Side Power Window Auto Up / Down Function does not Operate with Power Window Master Switch

DESCRIPTION

* When the AUTO UP / DOWN does not function, the power window control system may be in fail-safe mode. If the system has not been initialized after replacement of the driver door power window regulator motor, it also results in the same problem.

NOTICE:
* The power window control system uses a multiplex communication system (LIN). Inspect the communication function by following HOW TO PROCEED WITH TROUBLESHOOTING. Troubleshoot the power window control system after confirming that the communication system is functioning properly.
* When the power window regulator motor assembly (on the driver side) is reinstalled or replaced, the power window control system must be initialized.
* After a door glass or a door glass run has been replaced, the jam protection function may operate unexpectedly when the AUTO UP function is used. In such cases, the AUTO UP function can be resumed by repeating the following operation at least 5 times:
(1) Close the power window by fully pulling up the power window switch and holding it in the AUTO UP position.
(2) Open the power window by fully pushing down the switch.

HINT
If the pulse sensor built into the power window regulator motor assembly (on the driver side) malfunctions, the power window control system enters fail-safe mode. The remote UP / DOWN and AUTO UP / DOWN functions cannot be operated during fail-safe mode. (However, the power window can be closed by holding the power window switch at the AUTO UP position, and opened manually by pushing down the switch.)

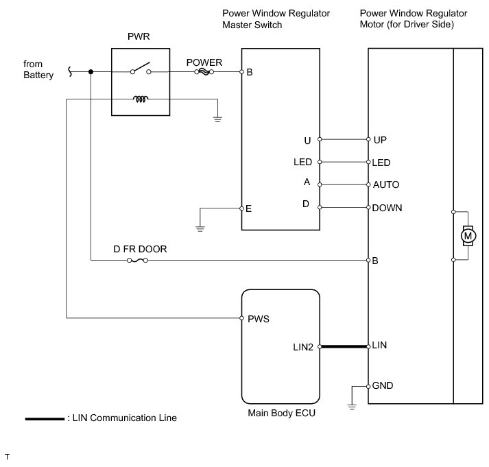
WIRING DIAGRAM





INSPECTION PROCEDURE

PROCEDURE

1. CHECK DTC

(a) Check for DTCs.

(b) Connect Techstream to the DLC3.

(c) By following the tester screen display, check whether any DTCs are output.

Result





B -- PROCEED TO INSPECTION PROCEDURE RELEVANT TO OUTPUT DTC
A -- Continue to next step.

2. READ VALUE USING TECHSTREAM (MASTER SWITCH)

(a) Use the Data List to check the function of the power window master switch.

D-Door Motor





OK:

ON (switch operates) appears on screen.

OK -- REPLACE POWER WINDOW REGULATOR MOTOR ASSEMBLY (for Driver Side)
NG -- Continue to next step.

3. INSPECT POWER WINDOW REGULATOR MASTER SWITCH ASSEMBLY

(a) Remove the power window regulator master switch assembly





(b) Measure the resistance of the master switch

Standard resistance:





NG -- REPLACE POWER WINDOW REGULATOR MASTER SWITCH ASSEMBLY
OK -- Continue to next step.

4. INSPECT FUSE (D FR DOOR)

(a) Remove the D FR DOOR fuse from the instrument panel junction block.

Standard resistance:

Below 1 Ohms

NG -- REPLACE FUSE (D FR DOOR)
OK -- Continue to next step.

5. CHECK WIRE HARNESS (MASTER SWITCH - REGULATOR MOTOR)

(a) Disconnect the H2 switch connector.





(b) Disconnect the H4 motor connector.

(c) Measure the resistance of the wire harness side connectors.

Standard resistance:





NG -- REPAIR OR REPLACE HARNESS AND CONNECTOR

OK -- REPLACE POWER WINDOW REGULATOR MOTOR ASSEMBLY (for Driver Side)