Operation CHARM: Car repair manuals for everyone.
Manuals through 2025 now available!

Our trusted friends have launched a new website named LEMON, which has newer manuals. It also contains all the CHARM manuals.

LEMON is the spiritual successor to CHARM, I recommend you try it!

Link: lemon-manuals.la or lemon-manuals.org.ua

(Some people have issue connecting. LEMON is investigating. For now, use Firefox or change your DNS server)

Or, hide this message: temporarily or permanently

Suspension Control ECU Communication Stop Mode





NETWORKING: CAN COMMUNICATION SYSTEM: Suspension Control ECU Communication Stop Mode
- Suspension Control ECU Communication Stop Mode

DESCRIPTION





* For vehicles with an air suspension system.

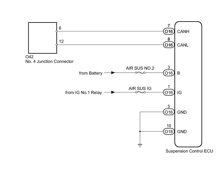
WIRING DIAGRAM





INSPECTION PROCEDURE

NOTICE:
Inspect the fuses for circuits related to this system before performing the following inspection procedure.

HINT
Operating the ignition switch, any switches or any doors triggers related ECU and sensor communication with the CAN, which causes resistance variation.

PROCEDURE

1. PRECAUTION

NOTICE:
After turning the ignition switch off, waiting time may be required before disconnecting the cable from the battery terminal. Therefore, make sure to read the disconnecting the cable from the battery terminal notice before proceeding with work Service Precautions.

NEXT -- Continue to next step.

2. DISCONNECT CABLE FROM NEGATIVE BATTERY TERMINAL

(a) Disconnect the cable from the negative (-) battery terminal before measuring the resistances of the CAN main wire and the CAN branch wire.

CAUTION:
Wait at least 90 seconds after disconnecting the cable from the negative (-) battery terminal to disable the SRS system.

NOTICE:
When disconnecting the cable, some systems need to be initialized after the cable is reconnected Repair Instruction - Initialization.

NEXT -- Continue to next step.

3. CHECK FOR OPEN IN CAN BUS WIRE (SUSPENSION CONTROL ECU CAN BRANCH WIRE)

(a) Disconnect the O16 suspension control ECU connector.





(b) Measure the resistance according to the value(s) in the table below.

Standard Resistance:





Text in Illustration





NG -- REPAIR OR REPLACE SUSPENSION CONTROL ECU CAN BRANCH WIRE OR CONNECTOR (CANH, CANL)
OK -- Continue to next step.

4. CHECK HARNESS AND CONNECTOR (SUSPENSION CONTROL ECU - BATTERY AND BODY GROUND)

(a) Connect the cable to the negative (-) battery terminal.





NOTICE:
When disconnecting the cable, some systems need to be initialized after the cable is reconnected Repair Instruction - Initialization.

(b) Disconnect the O18 suspension control ECU connector.

(c) Measure the voltage according to the value(s) in the table below.

Standard Voltage:





(d) Measure the resistance according to the value(s) in the table below.

Standard Resistance:





Text in Illustration





NG -- REPAIR OR REPLACE HARNESS OR CONNECTOR

OK -- REPLACE SUSPENSION CONTROL ECU Removal