Operation CHARM: Car repair manuals for everyone.
Manuals through 2025 now available!

Our trusted friends have launched a new website named LEMON, which has newer manuals. It also contains all the CHARM manuals.

LEMON is the spiritual successor to CHARM, I recommend you try it!

Link: lemon-manuals.la or lemon-manuals.org.ua

(Some people have issue connecting. LEMON is investigating. For now, use Firefox or change your DNS server)

Or, hide this message: temporarily or permanently

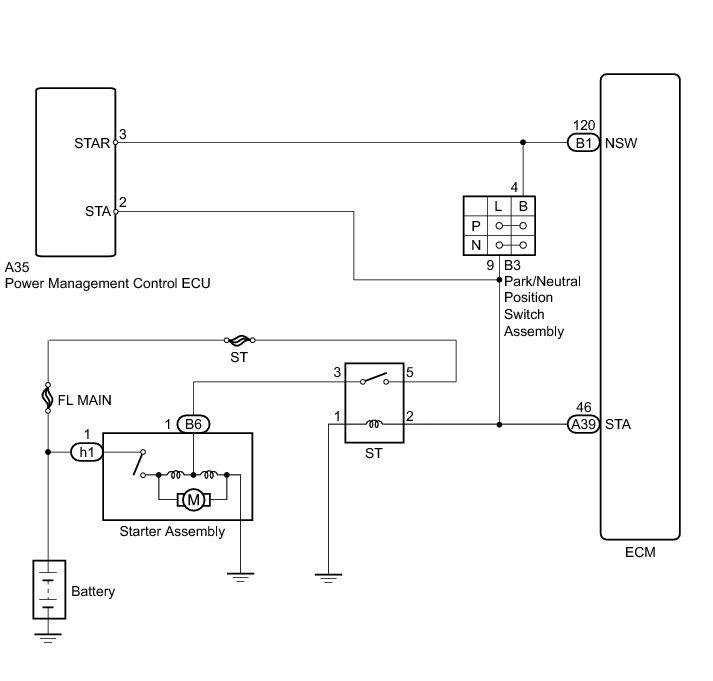
Cranking Holding Function Circuit





2GR-FE ENGINE CONTROL: SFI SYSTEM: Cranking Holding Function Circuit
- Cranking Holding Function Circuit

DESCRIPTION

The cranking holding control system keeps energizing the ST relay from when the power management control ECU detects the starter signal from the ignition switch assembly until the power management control ECU performs a judgement of "Engine started".

When the power management control ECU detects the STSW signal, the power management control ECU outputs the ST relay drive signal (STAR signal) to the ST relay through the park/neutral position switch assembly, and then, the engine is cranked. When the power management control ECU receives a stable engine speed signal (NE signal), more specifically, when the NE signal reaches a predetermined value, the power management control ECU stops outputting the STAR signal.

Also, the power management control ECU monitors the ST relay operating conditions based on the STA terminal voltage status.

WIRING DIAGRAM





INSPECTION PROCEDURE

NOTICE:
Inspect the fuses for circuits related to this system before performing the following inspection procedure.

PROCEDURE

1. READ VALUE USING TECHSTREAM (STARTER SIGNAL)

(a) Connect the Techstream to the DLC3.

(b) Turn the ignition switch to ON.

(c) Turn the Techstream on.

(d) Enter the following menus: Powertrain / Engine / Data List / Starter Signal.

(e) Check the result when the ignition switch is turned ON and the engine starts.

OK:





NG -- INSPECT PARK/NEUTRAL POSITION SWITCH ASSEMBLY (B - L)
OK -- Continue to next step.

2. CHECK HARNESS AND CONNECTOR (PARK/NEUTRAL POSITION SWITCH ASSEMBLY - ECM - ST RELAY)

(a) Remove the ST relay from the engine room relay block.

(b) Disconnect the park/neutral position switch assembly connector.

(c) Disconnect the ECM connector.

(d) Measure the resistance according to the value(s) in the table below.

Standard Resistance (Check for Open):





Standard Resistance (Check for Short):





NG -- REPAIR OR REPLACE HARNESS OR CONNECTOR
OK -- Continue to next step.

3. INSPECT BATTERY

(a) Check that the battery is not depleted.

OK:

Battery is not depleted.

NG -- REPLACE BATTERY
OK -- Continue to next step.

4. CHECK BATTERY TERMINAL

(a) Check that the battery terminals are not loose or corroded.

OK:

Battery terminals are not loose or corroded.

NG -- REPAIR OR REPLACE BATTERY TERMINAL

OK -- REPAIR OR REPLACE STARTER CIRCUIT (STARTER ASSEMBLY - ST RELAY)

5. INSPECT PARK/NEUTRAL POSITION SWITCH ASSEMBLY (B - L)

(a) Inspect the park/neutral position switch assembly for 2WD, Component Tests and General Diagnostics for AWD).

Result





B -- REPLACE PARK/NEUTRAL POSITION SWITCH ASSEMBLY (FOR 2WD)

C -- REPLACE PARK/NEUTRAL POSITION SWITCH ASSEMBLY (FOR AWD) Removal
A -- Continue to next step.

6. CHECK HARNESS AND CONNECTOR (POWER MANAGEMENT CONTROL ECU - PARK/NEUTRAL POSITION SWITCH ASSEMBLY)

(a) Disconnect the power management control ECU connector.

(b) Disconnect the park/neutral position switch assembly connector.

(c) Measure the resistance according to the value(s) in the table below.

Standard Resistance (Check for Open):





Standard Resistance (Check for Short):





NG -- REPAIR OR REPLACE HARNESS OR CONNECTOR
OK -- Continue to next step.

7. CHECK HARNESS AND CONNECTOR (PARK/NEUTRAL POSITION SWITCH ASSEMBLY - ECM - ST RELAY)

(a) Remove the ST relay from the engine room relay block.

(b) Disconnect the ECM connector.

(c) Disconnect the park/neutral position switch assembly connector.

(d) Measure the resistance according to the value(s) in the table below.

Standard Resistance (Check for Open):





Standard Resistance (Check for Short):





NG -- REPAIR OR REPLACE HARNESS OR CONNECTOR

OK -- CHECK SMART KEY SYSTEM Problem Symptoms Table