Operation CHARM: Car repair manuals for everyone.
Manuals through 2025 now available!

Our trusted friends have launched a new website named LEMON, which has newer manuals. It also contains all the CHARM manuals.

LEMON is the spiritual successor to CHARM, I recommend you try it!

Link: lemon-manuals.la or lemon-manuals.org.ua

(Some people have issue connecting. LEMON is investigating. For now, use Firefox or change your DNS server)

Or, hide this message: temporarily or permanently

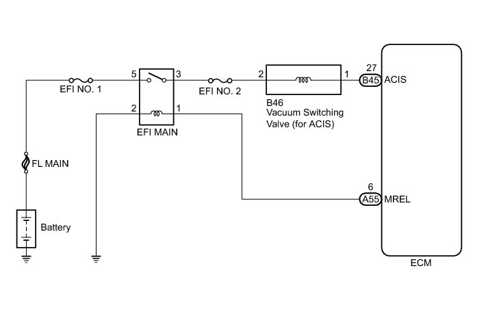
ACIS Control Circuit





1AR-FE ENGINE CONTROL: SFI SYSTEM: ACIS Control Circuit
- ACIS Control Circuit

DESCRIPTION

This circuit opens and closes the Intake Air Control Valve (IACV) in response to the engine load in order to increase the intake efficiency (ACIS: Acoustic Control Induction System).





WIRING DIAGRAM





INSPECTION PROCEDURE

NOTICE:
Inspect the fuses for circuits related to this system before performing the following inspection procedure.

PROCEDURE

1. PERFORM ACTIVE TEST USING TECHSTREAM (ACTIVATE THE VSV FOR INTAKE CONTROL)

(a) Disconnect the vacuum hose from port F on the vacuum switching valve for ACIS.





(b) Connect the Techstream to the DLC3.

(c) Start the engine.

(d) Turn the Techstream on.

(e) Enter the following menus: Powertrain / Engine / Active Test / Active the VSV for Intake Control.

(f) Operate the vacuum switching valve for ACIS.

(g) Check the vacuum switching valve for ACIS air flow when switching the vacuum switching valve for ACIS.

OK:





Text in Illustration





NG -- INSPECT VACUUM SWITCHING VALVE (VSV FOR ACIS)
OK -- Continue to next step.

2. CHECK VACUUM HOSES (VACUUM SWITCHING VALVE - INTAKE AIR CONTROL VALVE, INTAKE MANIFOLD)

(a) Check the vacuum hoses Intake System.

NG -- REPAIR OR REPLACE VACUUM HOSES
OK -- Continue to next step.

3. INSPECT INTAKE MANIFOLD (VACUUM TANK AND NO. 1 CHECK VALVE)

(a) Inspect the vacuum tank and No. 1 check valve on the intake manifold Testing and Inspection.

NG -- REPAIR OR REPLACE VACUUM SYSTEM FOR ACIS (INTAKE MANIFOLD OR NO. 1 CHECK VALVE) Removal
OK -- Continue to next step.

4. INSPECT INTAKE MANIFOLD (INTAKE AIR CONTROL VALVE)

(a) Inspect the intake air control valve Testing and Inspection.

NG -- REPLACE INTAKE MANIFOLD Removal

OK -- PROCEED TO NEXT SUSPECTED AREA SHOWN IN PROBLEM SYMPTOMS TABLE Symptom Related Diagnostic Procedures

5. INSPECT VACUUM SWITCHING VALVE (VSV FOR ACIS)

(a) Inspect the vacuum switching valve for ACIS Vacuum Switching Valve (for ACIS).

NG -- REPLACE VACUUM SWITCHING VALVE (VSV FOR ACIS) Removal
OK -- Continue to next step.

6. CHECK TERMINAL VOLTAGE (POWER SOURCE OF VACUUM SWITCHING VALVE FOR ACIS)

(a) Disconnect the vacuum switching valve for ACIS connector.





(b) Turn the ignition switch to ON.

(c) Measure the voltage according to the value(s) in the table below.

Standard Voltage:





Text in Illustration





NG -- CHECK HARNESS AND CONNECTOR (EFI MAIN RELAY - VACUUM SWITCHING VALVE FOR ACIS)
OK -- Continue to next step.

7. CHECK HARNESS AND CONNECTOR (VSV FOR ACIS - ECM)

(a) Disconnect the vacuum switching valve for ACIS connector.

(b) Disconnect the ECM connector.

(c) Measure the resistance according to the value(s) in the table below.

Standard Resistance:





NG -- REPAIR OR REPLACE HARNESS OR CONNECTOR

OK -- REPLACE ECM Removal

8. CHECK HARNESS AND CONNECTOR (EFI MAIN RELAY - VACUUM SWITCHING VALVE FOR ACIS)

(a) Disconnect the vacuum switching valve for ACIS connector.

(b) Remove the EFI MAIN relay from the engine room relay block.

(c) Measure the resistance according to the value(s) in the table below.

Standard Resistance:





NG -- REPAIR OR REPLACE HARNESS OR CONNECTOR

OK -- CHECK ECM POWER SOURCE CIRCUIT ECM Power Source Circuit