Operation CHARM: Car repair manuals for everyone.
Manuals through 2025 now available!

Our trusted friends have launched a new website named LEMON, which has newer manuals. It also contains all the CHARM manuals.

LEMON is the spiritual successor to CHARM, I recommend you try it!

Link: lemon-manuals.la or lemon-manuals.org.ua

(Some people have issue connecting. LEMON is investigating. For now, use Firefox or change your DNS server)

Or, hide this message: temporarily or permanently

Air Intake Control Circuit





1AR-FE ENGINE CONTROL: SFI SYSTEM: Air Intake Control Circuit
- Air Intake Control Circuit

DESCRIPTION

The air cleaner is equipped with two inlets, one of which is opened or closed by the Air Intake Control Valve (AICV). This system reduces intake noise and increases engine power at low-to-high engine speed range.

When the engine is operating in the low-to-mid speed range, this control operates the air intake control valve to close one of the air cleaner inlets. When the engine speed is more than 3600 rpm and the opening angle of the throttle valve is more than 60°, the ECM activates the Vacuum Switching Valve (VSV) and opens the air intake control valve.





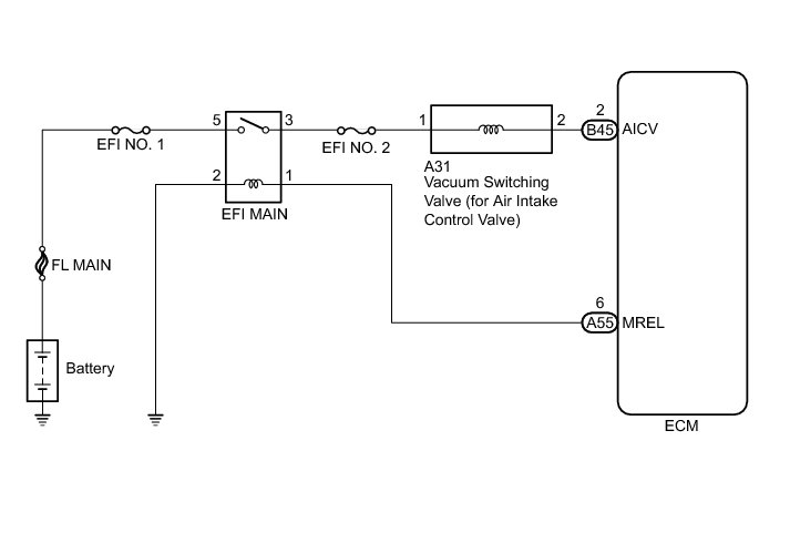
WIRING DIAGRAM





INSPECTION PROCEDURE

NOTICE:
Inspect the fuses for circuits related to this system before performing the following inspection procedure.

PROCEDURE

1. PERFORM ACTIVE TEST USING TECHSTREAM (ACTIVATE THE VSV FOR AICS)

(a) Disconnect the 2 hoses from the VSV for air intake control valve.





(b) Connect the Techstream to the DLC3.

(c) Turn the ignition switch to ON and turn the Techstream on.

(d) Enter the following menus: Powertrain / Engine / Active Test / Activate the VSV for AICS.

(e) Check the operation of the VSV when the VSV is operated by the Techstream.

OK:





Text in Illustration





NG -- INSPECT VACUUM SWITCHING VALVE (VSV FOR AIR INTAKE CONTROL VALVE)
OK -- Continue to next step.

2. CHECK VACUUM HOSES (VACUUM SWITCHING VALVE - AIR INTAKE CONTROL VALVE, VACUUM TANK)

(a) Check the vacuum hoses Intake System.

NG -- REPAIR OR REPLACE VACUUM HOSES
OK -- Continue to next step.

3. INSPECT AIR CLEANER CASE SUB-ASSEMBLY (VACUUM TANK)

(a) Inspect the vacuum tank Testing and Inspection.

NG -- REPLACE AIR CLEANER CASE SUB-ASSEMBLY
OK -- Continue to next step.

4. INSPECT AIR CLEANER CASE SUB-ASSEMBLY (AIR INTAKE CONTROL VALVE)

(a) Inspect the air intake control valve Intake Air Control Valve Actuator (for Intake Air Control System).

NG -- REPLACE AIR CLEANER CASE SUB-ASSEMBLY

OK -- PROCEED TO NEXT SUSPECTED AREA SHOWN IN PROBLEM SYMPTOMS TABLE Symptom Related Diagnostic Procedures

5. INSPECT VACUUM SWITCHING VALVE (VSV FOR AIR INTAKE CONTROL VALVE)

(a) Inspect the VSV for air intake control valve Vacuum Switching Valve (for Intake Air Control System).

NG -- REPLACE VACUUM SWITCHING VALVE (VSV FOR AIR INTAKE CONTROL VALVE)
OK -- Continue to next step.

6. CHECK TERMINAL VOLTAGE (POWER SOURCE OF VACUUM SWITCHING VALVE)

(a) Disconnect the VSV for air intake control valve connector.





(b) Turn the ignition switch to ON.

(c) Measure the voltage according to the value(s) in the table below.

Standard Voltage:





Text in Illustration





NG -- CHECK HARNESS AND CONNECTOR (EFI MAIN RELAY - VSV FOR AIR INTAKE CONTROL VALVE)
OK -- Continue to next step.

7. CHECK HARNESS AND CONNECTOR (VSV FOR AIR INTAKE CONTROL VALVE - ECM)

(a) Disconnect the VSV for air intake control valve connector.

(b) Disconnect the ECM connector.

(c) Measure the resistance according to the value(s) in the table below.

Standard Resistance:





NG -- REPAIR OR REPLACE HARNESS OR CONNECTOR

OK -- REPLACE ECM Removal

8. CHECK HARNESS AND CONNECTOR (EFI MAIN RELAY - VSV FOR AIR INTAKE CONTROL VALVE)

(a) Remove the EFI MAIN relay from the engine room relay block.

(b) Disconnect the VSV for air intake control valve connector.

(c) Measure the resistance according to the value(s) in the table below.

Standard Resistance:





NG -- REPAIR OR REPLACE HARNESS OR CONNECTOR

OK -- CHECK ECM POWER SOURCE CIRCUIT ECM Power Source Circuit