Distance Sensor: Adjustments
CRUISE CONTROL: MILLIMETER WAVE RADAR SENSOR: ADJUSTMENT
1. ADJUST MILLIMETER WAVE RADAR SENSOR ASSEMBLY
CAUTION:
Exposure to radio frequency emissions is hazardous to your health. It is hazardous to your health to be within 20 cm (7.87 in.) of the device's radio frequency aperture.
NOTICE:
* This device complies with FCC radio frequency emission regulations.
* Perform measurements on a level surface.
* Make sure that no large pieces of metal are within a 10 m (32.8 ft.) x 14 m (45.9 ft.) area in front of the vehicle. If possible, the surrounding area should also be free of large metal objects.
Text in Illustration
(a) Before adjusting the radar beam axis, prepare the vehicle as follows.
(1) Check the tire pressure and adjust it if necessary.
(2) Remove all excess weight from the vehicle (luggage, heavy objects, etc.).
(b) Check and adjust the vertical direction of the radar sensor.
(1) Remove dust, oil and foreign matter from the radar sensor's level rack.
(2) Set a level on the radar sensor's level rack.
Text in Illustration
(3) Check that the level's air bubble is within the red frame.
Text in Illustration
OK:
Level's air bubble is within red frame.
If the bubble is not within the red frame, use a screwdriver with the adjustment hole to adjust bolt A until the air bubble is within the red frame.
HINT
* The adjustable range within the level's red frame is +/-0.2°.
* The target angle is +0.2° (upward angle of 0.2°).
Result:
(c) Adjust the reflector height.
Text in Illustration
(1) Adjust the reflector so that the center of SST reflector is the same height as the millimeter wave radar sensor.
SST : 09870-60000
09870-60010
SST : 09870-60040
HINT
Prepare a 10 m (32.8 ft.) string, a string with a sharp-pointed weight (plumb bob), and a 5 m (16.4 ft.) tape measure.
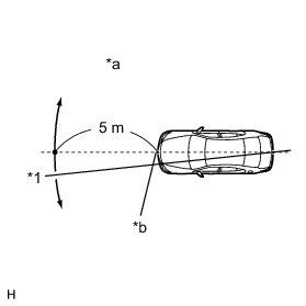
(d) Place the reflector.
Text in Illustration
(1) Hang the string (with weight) from the center of the vehicle's rear emblem. Mark the vehicle's rear center point on the ground. Repeat for the front of the vehicle.
(2) Set one end of the 10 m (32.8 ft.) string on the vehicle's rear center point. Run the string over the vehicle's front center point to a position 5 m (16.4 ft.) beyond the vehicle's front center point, as shown in the illustration. Mark the 5 m (16.4 ft.) position.
(3) Using a tape measure, measure 11.2 mm (0.441 in.) to the right of the 5 m (16.4 ft.) position. Place the reflector at that position.
NOTICE:
Perform the operation as precisely as possible.
Text in Illustration
(e) Check the radar beam axis.
(1) When using the Techstream:
1 Connect the Techstream to the DLC3.
2 Turn the ignition switch to ON.
3 Turn the Techstream on, and turn the cruise control main switch on.
4 Enter the following menus: Radar Cruise / Utility / Beam Axis Adjustment.
HINT
A buzzer will sound for 1 second.
5 Follow the Techstream display, and continue with the adjustment.
CAUTION:
Do not come within 20 cm (7.87 in.) of the radar sensor.
NOTICE:
* Turn the cruise control main switch on before pressing Next.
* Make sure there is at least 20 cm (7.87 in.) between the radar sensor and any nearby individuals.
(2) Check the following items on the radar cruise divergence data screen.
NOTICE:
While using the Techstream beam axis adjustment mode, the actual direction and angle of the radar sensor may be different from the Techstream data. In such a case, the deviation is displayed on the combination meter's multi-information display.
1 Confirm that the distance value is approximately 5 m (16.4 ft.).
HINT
* A value between 0.0 m (0.0 ft.) and 6.3 m (20.7 ft.) is indicated.
* If the distance is 0.0 m (0.0 ft.), the sensor cannot detect the target. Reconfirm that there is no metal in the specified area in front of the vehicle (refer to the NOTICE at the beginning of this adjustment procedure).
2 Confirm that the left/right side value is between 0.0 m (0.0 ft.) and 6.3 m (20.7 ft.).
HINT
If the distance is 0.0 m (0.0 ft.), the sensor cannot detect the target. Reconfirm that there is no metal in the specified area in front of the vehicle (refer to the NOTICE at the beginning of this adjustment procedure).
(f) Check and adjust the horizontal direction of the radar sensor.
(1) Check that the divergence of the radar beam axis is 0°.
Standard:
0° (Both right and left)
If the axis is not as specified, use a screwdriver with the adjustment hole to adjust bolt B until the divergence of the radar beam axis is 0°.
(2) Based on the measured divergence of the beam axis, turn and adjust bolt B for horizontal adjustment of the millimeter wave radar sensor using a screwdriver.
Text in Illustration
Result:
HINT
* If "LEFT SIDE: 1.0°" is displayed, the divergence is 1.0° in the left direction. Turn bolt B approximately 2.5 turns to the negative (-) side.
* If the value does not change to 0°, it is possible that the sensor is aiming at something different. Reconfirm that there are no reflective materials in the surrounding area.
(3) Select "Next". The driving learning value is automatically reset.
HINT
A buzzer will sound for 10 seconds or more.
(4) Disconnect the Techstream from the DLC3.
(g) Recheck and readjust the vertical direction of the radar sensor.
(1) Set a level on the radar sensor's level rack.
Text in Illustration
(2) Check that the level's air bubble is within the red frame.
Text in Illustration
OK:
Level's air bubble is within the red frame.
If the bubble is not within the red frame, use a screwdriver with the adjustment hole to adjust bolt A until the air bubble is within the red frame.
HINT
* The adjustable range within the red frame is +/-0.2°.
* The target angle is +0.2° (upward angle of 0.2°).
Result: