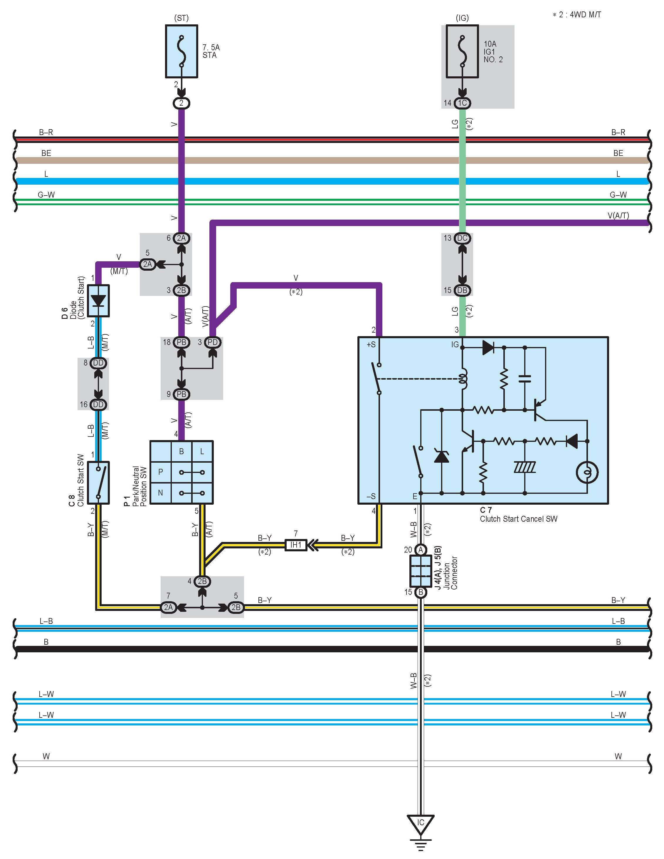
Engine Control Part 2
Engine Control Part 2:
Next Diagram Engine Control Part 3
Previous Diagram Engine Control Part 1
Locations: The locations of components, connectors, ground points, and splices referred to within these diagrams can be found at Vehicle Locations. Locations
Connector Views: Diagrams of the connectors referred to within these diagrams can be found at Connector Views by Connector Number. Connector Views By Connector Number