Operation CHARM: Car repair manuals for everyone.
Manuals through 2025 now available!

Our trusted friends have launched a new website named LEMON, which has newer manuals. It also contains all the CHARM manuals.

LEMON is the spiritual successor to CHARM, I recommend you try it!

Link: lemon-manuals.la or lemon-manuals.org.ua

(Some people have issue connecting. LEMON is investigating. For now, use Firefox or change your DNS server)

Or, hide this message: temporarily or permanently

Heated Oxygen Sensor





2GR-FE ENGINE CONTROL: HEATED OXYGEN SENSOR: INSPECTION

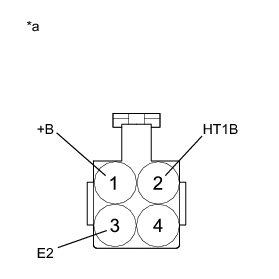
1. INSPECT OXYGEN SENSOR (for Bank 1 Sensor 2)

(a) Measure the resistance according to the value(s) in the table below.





Text in Illustration





Standard Resistance:





If the resistance is not as specified, replace the oxygen sensor.

2. INSPECT NO. 2 OXYGEN SENSOR (for Bank 2 Sensor 2)

(a) Measure the resistance according to the value(s) in the table below.





Text in Illustration





Standard Resistance:





If the resistance is not as specified, replace the No. 2 oxygen sensor.