Operation CHARM: Car repair manuals for everyone.
Manuals through 2025 now available!

Our trusted friends have launched a new website named LEMON, which has newer manuals. It also contains all the CHARM manuals.

LEMON is the spiritual successor to CHARM, I recommend you try it!

Link: lemon-manuals.la or lemon-manuals.org.ua

(Some people have issue connecting. LEMON is investigating. For now, use Firefox or change your DNS server)

Or, hide this message: temporarily or permanently

Part 1





2GR-FE ENGINE CONTROL: SFI SYSTEM: EVAP System
- EVAP System

RELATED DTCS





If any EVAP system DTCs are stored, the malfunctioning area can be determined using the table below.





NOTICE:
If the reference pressure difference between the first and second checks is more than the specification, all the DTCs relating to the reference pressure (P043E, P043F, P0441, P0455, P0456, P2401, P2420) will all be stored.

DESCRIPTION





Text in Illustration





HINT
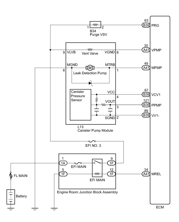
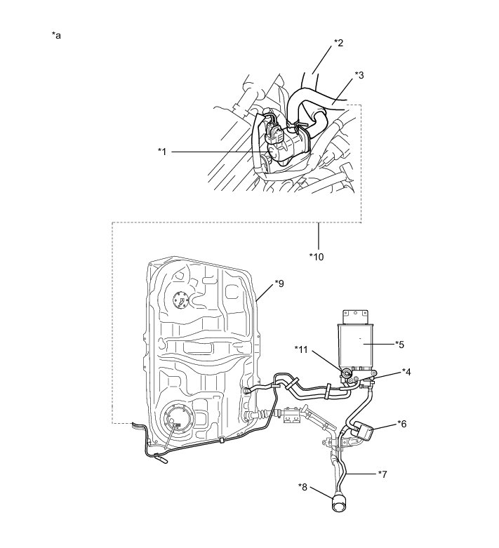
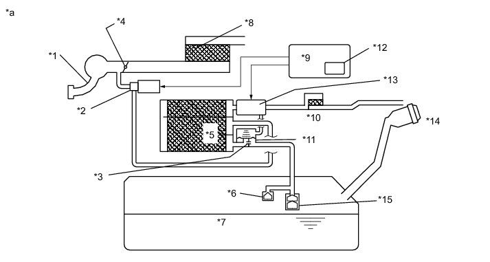
The canister pressure sensor, the leak detection pump and the vent valve are built into the canister pump module.





Text in Illustration





NOTICE:
In the EVAP system of this vehicle, turning ON the vent valve does not seal off the EVAP system. To check for leaks in the EVAP system, disconnect the air inlet vent hose and apply pressure from atmospheric side of the canister.

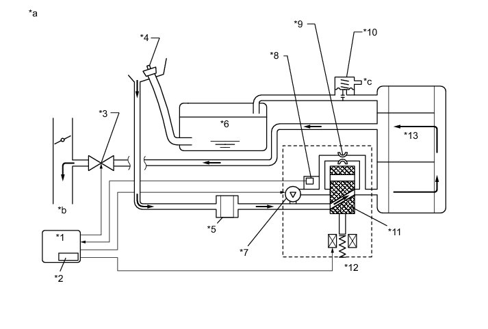
While the engine is running, if a predetermined condition (closed-loop, etc.) is met, the purge VSV is opened by the ECM and fuel vapors stored in the canister are purged to the intake manifold. The ECM changes the duty cycle ratio of the purge VSV to control purge flow volume.

The purge flow volume is also determined by the intake manifold pressure. Atmospheric pressure is allowed into the canister through the vent valve to ensure that the purge flow is maintained when negative pressure (vacuum) is applied to the canister.

The following two monitors run to confirm appropriate EVAP system operation.

1. Key-off monitor

This monitor checks for EVAP (evaporative emission) system leaks and canister pump module malfunctions. The monitor starts 5 hours* after the ignition switch is turned off. At least 5 hours are required for the fuel to cool down to stabilize the EVAP pressure, thus making the EVAP system monitor more accurate.

The leak detection pump creates negative pressure (vacuum) in the EVAP system and the pressure is measured. Finally, the ECM monitors for leaks from the EVAP system, and malfunctions in both the canister pump module and purge VSV based on the EVAP pressure.

HINT
*: If the engine coolant temperature is not below 35°C (95°F) 5 hours after the ignition switch is turned off, the monitor check starts 2 hours later. If it is still not below 35°C (95°F) 7 hours after the ignition switch is turned off, the monitor check starts 2.5 hours later.

2. Purge flow monitor

The purge flow monitor consists of the 2 monitors. The 1st monitor is conducted every time and the 2nd monitor is activated if necessary.

* The 1st monitor

While the engine is running and the purge VSV (Vacuum Switching Valve) is on (open), the ECM monitors the purge flow by measuring the EVAP pressure change. If negative pressure is not created, the ECM begins the 2nd monitor.

* The 2nd monitor

The vent valve is turned ON (closed) and the EVAP pressure is then measured. If the variation in the pressure is less than 0.15 kPa (gauge) [1.13 mmHg (gauge)], the ECM interprets this as the purge VSV being stuck closed, and illuminates the MIL and stores DTC P0441 (2 trip detection logic).

* Atmospheric pressure check:

* In order to ensure reliable malfunction detection, the variation between the atmospheric pressures, before and after of the purge flow monitor, is measured by the ECM.





Text in Illustration













Text in Illustration













WIRING DIAGRAM





INSPECTION PROCEDURE

NOTICE:
* Inspect the fuses for circuits related to this system before performing the following inspection procedure.
* The Techstream is required to conduct the following diagnostic troubleshooting procedure.

HINT
* Using the Techstream monitor results enables the EVAP (Evaporative Emission) system to be confirmed.
* Read freeze frame data using the Techstream. The ECM records vehicle and driving condition information as freeze frame data the moment a DTC is stored. When troubleshooting, freeze frame data can help determine if the vehicle was moving or stationary, if the engine was warmed up or not, if the air fuel ratio was lean or rich, and other data from the time the malfunction occurred.

PROCEDURE

1. CONFIRM DTC

(a) Turn the ignition switch off and wait for 10 seconds.

(b) Turn the ignition switch to ON.

(c) Turn the ignition switch off and wait for 10 seconds.

(d) Connect the Techstream to the DLC3.

(e) Turn the ignition switch to ON and turn the Techstream on.

(f) Enter the following menus: Powertrain / Engine / Trouble Codes.

(g) Confirm DTCs and freeze frame data.

If any EVAP system DTCs are stored, the malfunctioning area can be determined using the table below.





NOTICE:
If the reference pressure difference between the first and second checks is greater than the specification, all the DTCs relating to the reference pressure (P043E, P043F, P2401, P2402 and P2419) are stored.

NEXT -- Continue to next step.

2. PERFORM EVAP SYSTEM CHECK (AUTOMATIC MODE)

NOTICE:
* The Evaporative System Check (Automatic Mode) consists of 6 steps performed automatically by the Techstream. It takes a maximum of approximately 24 minutes.
* Do not perform the Evaporative System Check when the fuel tank is more than 90% full because the cut-off valve may be closed, making the fuel tank leak check unavailable.
* Do not run the engine during this operation.
* When the temperature of the fuel is 35°C (95°F) or more, a large amount of vapor forms and any check results become inaccurate. When performing the Evaporative System Check, keep the temperature below 35°C (95°F).

(a) Connect the Techstream to the DLC3.

(b) Turn the ignition switch to ON.

(c) Turn the Techstream on.

(d) Clear DTCs Reading and Clearing Diagnostic Trouble Codes.

(e) Enter the following menus: Powertrain / Engine / Utility / Evaporative System Check / Automatic Mode.

(f) After the Evaporative System Check is completed, check for pending DTCs by entering the following menus: Powertrain / Engine / Trouble Codes.

HINT
If no pending DTCs are displayed, perform the Confirmation Driving Pattern. After this confirmation, check for pending DTCs. If no DTCs are displayed, the EVAP system is normal.

NEXT -- Continue to next step.

3. PERFORM EVAP SYSTEM CHECK (MANUAL MODE)





NOTICE:
* In the Evaporative System Check (Manual Mode), the series of 6 Evaporative System Check steps are performed manually using the Techstream.
* Do not perform the Evaporative System Check when the fuel tank is more than 90% full because the cut-off valve may be closed, making the fuel tank leak check unavailable.
* Do not run the engine during this operation.
* When the temperature of the fuel is 35°C (95°F) or more, a large amount of vapor forms and any check results become inaccurate. When performing the Evaporative System Check, keep the temperature below 35°C (95°F).

(a) Connect the Techstream to the DLC3.

(b) Turn the ignition switch to ON.

(c) Turn the Techstream on.

(d) Clear DTCs Reading and Clearing Diagnostic Trouble Codes.

(e) Enter the following menus: Powertrain / Engine / Utility / Evaporative System Check / Manual Mode.

NEXT -- Continue to next step.

4. PERFORM EVAP SYSTEM CHECK (STEP 1/6)





(a) Check the EVAP pressure in step 1/6.

Result





* *1: These DTCs are already present in the ECM when the vehicle arrives and are confirmed in the "Confirm DTC" procedure above.

* *2: If the canister pressure sensor circuit has an open or short, DTC P0452 or P0453 is stored 0.5 seconds after the ignition switch is turned to ON.

HINT
*3: Canister pressure sensor standard output range is 70 to 110 kPa(abs) [525 to 825 mmHg(abs)]. This varies by weather.

B -- REPLACE CANISTER

C -- INSPECT CANISTER PUMP MODULE (CANISTER PRESSURE SENSOR CIRCUIT)
A -- Continue to next step.

5. PERFORM EVAP SYSTEM CHECK (STEP 1/6 TO 2/6)





(a) Check the EVAP pressure in steps 1/6 and 2/6.

Result





*: These DTCs are already present in the ECM when the vehicle arrives and are confirmed in the "Confirm DTC" procedure above.

HINT
The first reference pressure is the value determined in step 2/6.

B -- PERFORM ACTIVE TEST USING TECHSTREAM (ACTIVATE THE VACUUM PUMP)
A -- Continue to next step.

6. PERFORM EVAP SYSTEM CHECK (STEP 2/6)





HINT
Make a note of the pressures checked in inspection items (A) and (B) below.

(a) Check the EVAP pressure 4 seconds after the leak detection pump is activated*1 (A).

*1: The leak detection pump begins to operate as step 1/6 finishes and step 2/6 starts.

(b) Check the EVAP pressure again when it has stabilized. This pressure is the reference pressure (B).

Result





*2: These DTCs are already present in the ECM when the vehicle arrives and are confirmed in the "Confirm DTC" procedure above.

B -- PERFORM EVAP SYSTEM CHECK (STEP 3/6)

C -- REPLACE CANISTER

D -- INSPECT CANISTER PUMP MODULE (VENT VALVE OPERATION)
A -- Continue to next step.

7. PERFORM EVAP SYSTEM CHECK (STEP 2/6 TO 3/6)





(a) Check the EVAP pressure in step 3/6.

Result





*: These DTCs are already present in the ECM when the vehicle arrives and are confirmed in the "Confirm DTC" procedure above.

B -- INSPECT CANISTER PUMP MODULE (POWER SOURCE FOR VENT VALVE)

C -- CHECK HARNESS AND CONNECTOR (CANISTER PUMP MODULE - BODY GROUND)
A -- Continue to next step.

8. PERFORM EVAP SYSTEM CHECK (STEP 3/6)





(a) Wait until the EVAP pressure change is less than 0.1 kPa (gauge) [0.75 mmHg (gauge)] for 60 seconds.

(b) Measure the EVAP pressure and record it.

HINT
A few minutes are required for the EVAP pressure to become saturated. When there is little fuel in the fuel tank, it takes up to 15 minutes.

NEXT -- Continue to next step.

9. PERFORM EVAP SYSTEM CHECK (STEP 4/6)





(a) Check the EVAP pressure in step 4/6.

Result





* *1: These DTCs are already present in the ECM when the vehicle arrives and are confirmed in the "Confirm DTC" procedure above.

* *2: This result suggests that due to purge line blockage or purge VSV malfunction, the DTC was stored by the purge flow monitor while the engine was running, or that key-off monitor test result were nearly borderline values.

B -- INSPECT EVAP HOSE (PURGE VSV - CANISTER)

C -- PERFORM ACTIVE TEST USING TECHSTREAM (PURGE VSV)
A -- Continue to next step.

10. PERFORM EVAP SYSTEM CHECK (STEP 5/6)





(a) Check the EVAP pressure in step 5/6.

(b) Compare the EVAP pressure in step 3/6 and the second reference pressure (step 5/6).

Result





*: These DTCs are already present in the ECM when the vehicle arrives and are confirmed in the "Confirm DTC" procedure above.

A -- REPAIR OR REPLACE PARTS AND COMPONENTS INDICATED BY OUTPUT DTCS

B -- PERFORM ACTIVE TEST USING TECHSTREAM (PURGE VSV)

11. PERFORM EVAP SYSTEM CHECK (STEP 3/6)





(a) Check the EVAP pressure in step 3/6.

Result





*: These DTCs are already present in the ECM when the vehicle arrives and are confirmed in the "Confirm DTC" procedure above.

HINT
The first reference pressure is the value determined in step 2/6.

A -- REPLACE CANISTER

B -- PERFORM ACTIVE TEST USING TECHSTREAM (ACTIVATE THE VACUUM PUMP)

12. INSPECT CANISTER PUMP MODULE (CANISTER PRESSURE SENSOR CIRCUIT)

(a) Check the canister pressure sensor circuit, referring to DTC P0451 canister pressure sensor circuit inspection procedure P0451.

NEXT -- PERFORM EVAP SYSTEM CHECK (AUTOMATIC MODE)

13. INSPECT CANISTER PUMP MODULE (VENT VALVE OPERATION)

(a) Turn the ignition switch off.

(b) Disconnect the canister pump module connector.





Text in Illustration





(c) Apply the battery voltage to terminals VLVB and VGND of the pump module.

(d) Touch the canister pump module to confirm the vent valve operation.

Result





B -- REPLACE CANISTER
A -- Continue to next step.

14. CHECK HARNESS AND CONNECTOR (CANISTER PUMP MODULE - ECM)

(a) Turn the ignition switch off.

(b) Disconnect the canister pump module connector.

(c) Disconnect the ECM connector.

(d) Measure the resistance according to the value(s) in the table below.

Standard Resistance:





Result





B -- REPAIR OR REPLACE HARNESS OR CONNECTOR
A -- Continue to next step.

15. CHECK HARNESS AND CONNECTOR (CANISTER PUMP MODULE - BODY GROUND)

(a) Disconnect the canister pump module connector.

(b) Measure the resistance according to the value(s) in the table below.

Result





B -- REPAIR OR REPLACE HARNESS OR CONNECTOR
A -- Continue to next step.

16. CHECK HARNESS AND CONNECTOR (ECM - CANISTER PUMP MODULE)

(a) Disconnect the canister pump module connector.

(b) Disconnect the ECM connector.

(c) Measure the resistance according to the value(s) in the table below.

Result





A -- REPLACE CANISTER

B -- REPAIR OR REPLACE HARNESS OR CONNECTOR

17. PERFORM ACTIVE TEST USING TECHSTREAM (PURGE VSV)

(a) Enter the following menus: Powertrain / Engine / Active Test / Activate the VSV for EVAP Control.

(b) Disconnect the hose (connected to the canister) from the purge VSV.





Text in Illustration





(c) Start the engine.

(d) Using the Techstream, turn off the purge VSV (Activate the VSV for Evap Control: OFF).

(e) Use your finger to confirm that the purge VSV has no suction.

(f) Using the Techstream, turn on the purge VSV (Activate the VSV for Evap Control: ON).

(g) Use your finger to confirm that the purge VSV has suction.

Result





B -- CHECK FUEL CAP ASSEMBLY

C -- INSPECT PURGE VSV

D -- CHECK EVAP HOSE (PURGE VSV - INTAKE MANIFOLD)
A -- Continue to next step.

18. INSPECT EVAP HOSE (PURGE VSV - CANISTER)

(a) Check for blockages in the EVAP purge line between the purge VSV and canister.

OK:

No blockages in the EVAP purge line between the purge VSV and canister.

NG -- REPAIR OR REPLACE EVAP PURGE LINE (PURGE VSV - CANISTER)
OK -- Continue to next step.

19. INSPECT CANISTER (CHARCOAL FILTER INSIDE CANISTER)

(a) Check for filter blockage in the canister Testing and Inspection.

OK:

No blockages in the canister.

OK -- REPLACE ECM

NG -- REPLACE CANISTER

20. CHECK FUEL CAP ASSEMBLY

(a) Check that the fuel cap is correctly installed and confirm that the fuel cap meets OEM specifications.

(b) Tighten the fuel cap firmly (only one click sound could be heard).

HINT
If an EVAP tester is available, check the fuel cap using the Techstream.

(1) Remove the fuel cap and install it onto a fuel cap adapter.

(2) Connect an EVAP tester pump hose to the adapter, and pressurize the cap to 3.2 to 3.7 kPa (gauge) [24 to 28 mmHg (gauge)] using an EVAP tester pump.

(3) Seal the adapter and wait for 2 minutes.

(4) Check the pressure. If the pressure is 2 kPa (gauge) [15 mmHg (gauge)] or more, the fuel cap is normal.

Result





A -- LOCATE EVAP LEAK PART

B -- CORRECTLY REINSTALL OR REPLACE FUEL CAP

C -- REPLACE FUEL CAP

21. INSPECT PURGE VSV

(a) Turn the ignition switch off.

(b) Disconnect the purge VSV connector.





Text in Illustration





(c) Disconnect the hose (connected to the canister) from the purge VSV.

(d) Start the engine.

(e) Use your finger to confirm that the purge VSV has no suction.

Result





A -- CHECK HARNESS AND CONNECTOR (PURGE VSV - ECM)

B -- REPLACE PURGE VSV

22. INSPECT EVAP HOSE (PURGE VSV - CANISTER)

(a) Check for blockages in the EVAP purge line between the purge VSV and canister.

OK:

No blockages in the EVAP purge line between the purge VSV and canister.

NG -- REPAIR OR REPLACE EVAP PURGE LINE (PURGE VSV - CANISTER)
OK -- Continue to next step.

23. CHECK EVAP HOSE (PURGE VSV - INTAKE MANIFOLD)

(a) Disconnect the hose (connected to the intake manifold) from the purge VSV.





Text in Illustration





(b) Start the engine.

(c) Use your finger to confirm that the hose has suction.

Result





B -- INSPECT INTAKE MANIFOLD (EVAP PURGE PORT)
A -- Continue to next step.