Operation CHARM: Car repair manuals for everyone.
Manuals through 2025 now available!

Our trusted friends have launched a new website named LEMON, which has newer manuals. It also contains all the CHARM manuals.

LEMON is the spiritual successor to CHARM, I recommend you try it!

Link: lemon-manuals.la or lemon-manuals.org.ua

(Some people have issue connecting. LEMON is investigating. For now, use Firefox or change your DNS server)

Or, hide this message: temporarily or permanently

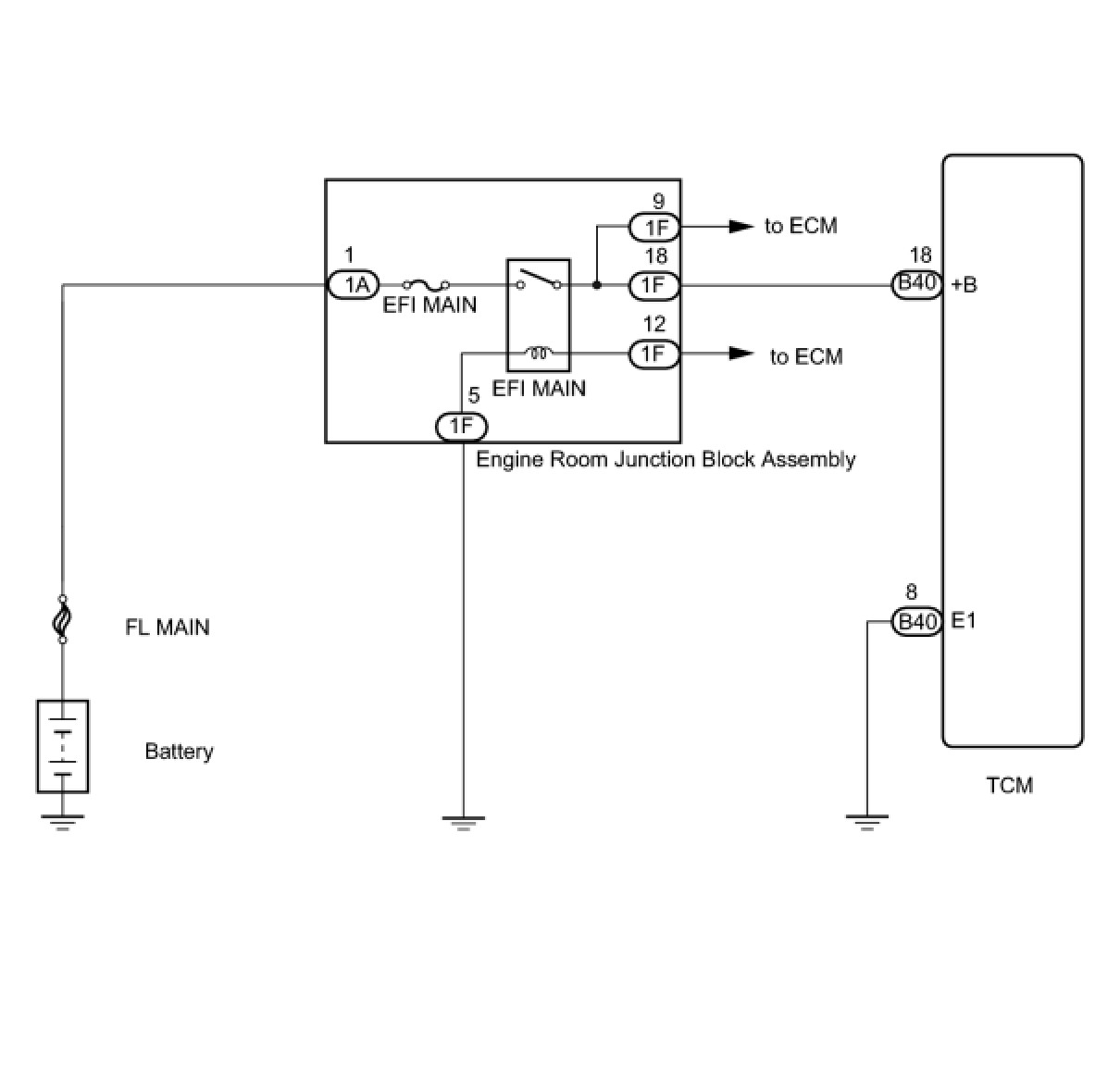
ECU Power Source Circuit





U660F AUTOMATIC TRANSMISSION / TRANSAXLE: AUTOMATIC TRANSAXLE SYSTEM: ECU Power Source Circuit
- ECU Power Source Circuit

DESCRIPTION

When the ignition switch is turned to ON, voltage from the ECM's MREL terminal is applied to the EFI MAIN relay. This causes the contacts of the EFI MAIN relay to close, which supplies power to terminal +B of the TCM.

WIRING DIAGRAM





INSPECTION PROCEDURE

PROCEDURE

1. CHECK HARNESS AND CONNECTOR (TCM - BODY GROUND)

(a) Turn the ignition switch off.





(b) Disconnect the TCM connectors.

(c) Measure the resistance according to the value(s) in the table below.

Standard Resistance:





Text in Illustration





NG -- REPAIR OR REPLACE HARNESS OR CONNECTOR
OK -- Continue to next step.

2. INSPECT ECU TERMINAL VOLTAGE (+B TERMINAL)

(a) Disconnect the TCM connectors.





(b) Turn the ignition switch to ON.

(c) Measure the voltage according to the value(s) in the table below.

Standard Voltage:





Text in Illustration





NG -- CHECK HARNESS AND CONNECTOR (TCM - ENGINE ROOM JUNCTION BLOCK ASSEMBLY)

OK -- PROCEED TO NEXT SUSPECTED AREA SHOWN IN PROBLEM SYMPTOMS TABLE Symptom Related Diagnostic Procedures

3. CHECK HARNESS AND CONNECTOR (TCM - ENGINE ROOM JUNCTION BLOCK ASSEMBLY)

(a) Turn the ignition switch off.

(b) Disconnect the TCM connector.

(c) Remove the engine room junction block assembly from the engine room relay block.

(d) Measure the resistance according to the value(s) in the table below.





Standard Resistance (Check for Open):





Standard Resistance (Check for Short):





Text in Illustration





NG -- REPAIR OR REPLACE HARNESS OR CONNECTOR
OK -- Continue to next step.

4. INSPECT ENGINE ROOM JUNCTION BLOCK ASSEMBLY

(a) Measure the resistance according to the value(s) in the table below.





Standard Resistance:





Text in Illustration





NG -- REPLACE ENGINE ROOM JUNCTION BLOCK ASSEMBLY

OK -- GO TO ECM POWER SOURCE CIRCUIT (ENGINE CONTROL SYSTEM / SFI SYSTEM) ECM Power Source Circuit