Operation CHARM: Car repair manuals for everyone.
Manuals through 2025 now available!

Our trusted friends have launched a new website named LEMON, which has newer manuals. It also contains all the CHARM manuals.

LEMON is the spiritual successor to CHARM, I recommend you try it!

Link: lemon-manuals.la or lemon-manuals.org.ua

(Some people have issue connecting. LEMON is investigating. For now, use Firefox or change your DNS server)

Or, hide this message: temporarily or permanently

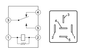
Compressor Clutch Relay: Testing and Inspection





HEATING / AIR CONDITIONING: RELAY (for Hatchback): ON-VEHICLE INSPECTION

1. INSPECT HEATER BLOWER MOTOR RELAY ASSEMBLY

(a) Check the resistance.





(1) Measure the resistance according to the value(s) in the table below.

Standard Resistance:





* If the result is not as specified, replace the heater blower motor relay.