Manuals through 2025 now available!
Our trusted friends have launched a new website named LEMON, which has newer manuals. It also contains all the CHARM manuals.
LEMON is the spiritual successor to CHARM, I recommend you try it!
Link:
lemon-manuals.la or
lemon-manuals.org.ua
(Some people have issue connecting. LEMON is investigating. For now, use Firefox or change your DNS server)
Or, hide this message:
temporarily or
permanently
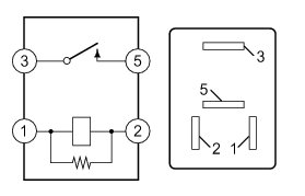
Starter Relay: Testing and Inspection
1NZ-FE STARTING: RELAY (for Hatchback): ON-VEHICLE INSPECTION 1.
INSPECT
STARTER RELAY (a)
Check the resistance.
(1)
Measure the resistance according to the value(s) in the table below.
Standard Resistance: *
If the result is not as specified, replace the relay.