Operation CHARM: Car repair manuals for everyone.
Manuals through 2025 now available!

Our trusted friends have launched a new website named LEMON, which has newer manuals. It also contains all the CHARM manuals.

LEMON is the spiritual successor to CHARM, I recommend you try it!

Link: lemon-manuals.la or lemon-manuals.org.ua

(Some people have issue connecting. LEMON is investigating. For now, use Firefox or change your DNS server)

Or, hide this message: temporarily or permanently

Combination Meter ECU Communication Stop Mode





NETWORKING: CAN COMMUNICATION SYSTEM (for Sedan): Combination Meter ECU Communication Stop Mode
- Combination Meter ECU Communication Stop Mode

DESCRIPTION





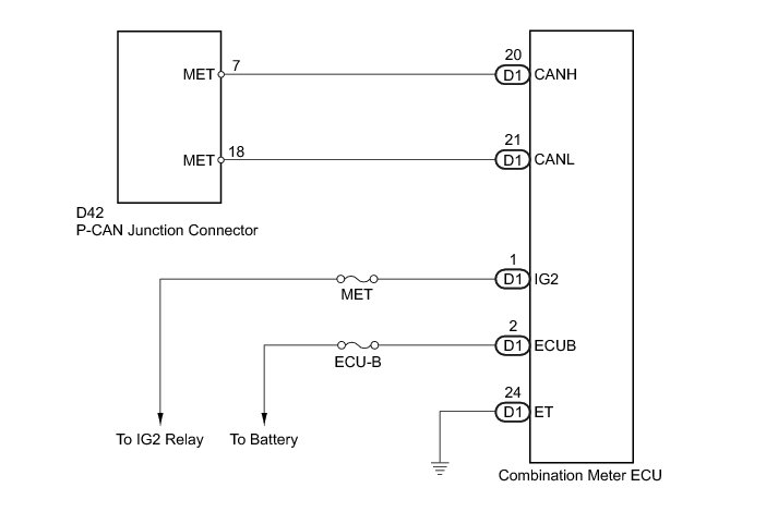
WIRING DIAGRAM





INSPECTION PROCEDURE

NOTICE:
* Turn the ignition switch off before measuring the resistances of the CAN main wire and the CAN branch wire.
* After the ignition switch is turned off, check that the key reminder warning system and light reminder warning system are not in operation.
* Before measuring the resistance, leave the vehicle as is for at least 1 minute and do not operate the ignition switch, any other switches or the doors. If doors need to be opened in order to check connectors, open the doors and leave them open.
* Inspect the fuses for circuits related to this system before performing the following inspection procedure.

HINT
* Operating the ignition switch, any switches or any doors triggers related ECU and sensor communication with the CAN, which causes resistance variation.

PROCEDURE

1. CHECK CAN BUS LINE FOR DISCONNECTION (COMBINATION METER ECU BRANCH WIRE)

(a) Turn the ignition switch off.





(b) Disconnect the D1 combination meter ECU connector.

(c) Measure the resistance according to the value(s) in the table below.

Standard Resistance:





Text in Illustration





NG -- REPAIR OR REPLACE CAN BRANCH WIRE CONNECTED TO COMBINATION METER ECU (CAN-H, CAN-L)
OK -- Continue to next step.

2. CHECK HARNESS AND CONNECTOR (IG2, ECUB, ET)

(a) Disconnect the D1 combination meter ECU connector.





(b) Measure the resistance according to the value(s) in the table below.

Standard Resistance:





(c) Measure the voltage according to the value(s) in the table below.

Standard Voltage:





Text in Illustration





NG -- REPAIR OR REPLACE HARNESS OR CONNECTOR

OK -- REPLACE COMBINATION METER ECU Removal