Operation CHARM: Car repair manuals for everyone.
Manuals through 2025 now available!

Our trusted friends have launched a new website named LEMON, which has newer manuals. It also contains all the CHARM manuals.

LEMON is the spiritual successor to CHARM, I recommend you try it!

Link: lemon-manuals.la or lemon-manuals.org.ua

(Some people have issue connecting. LEMON is investigating. For now, use Firefox or change your DNS server)

Or, hide this message: temporarily or permanently

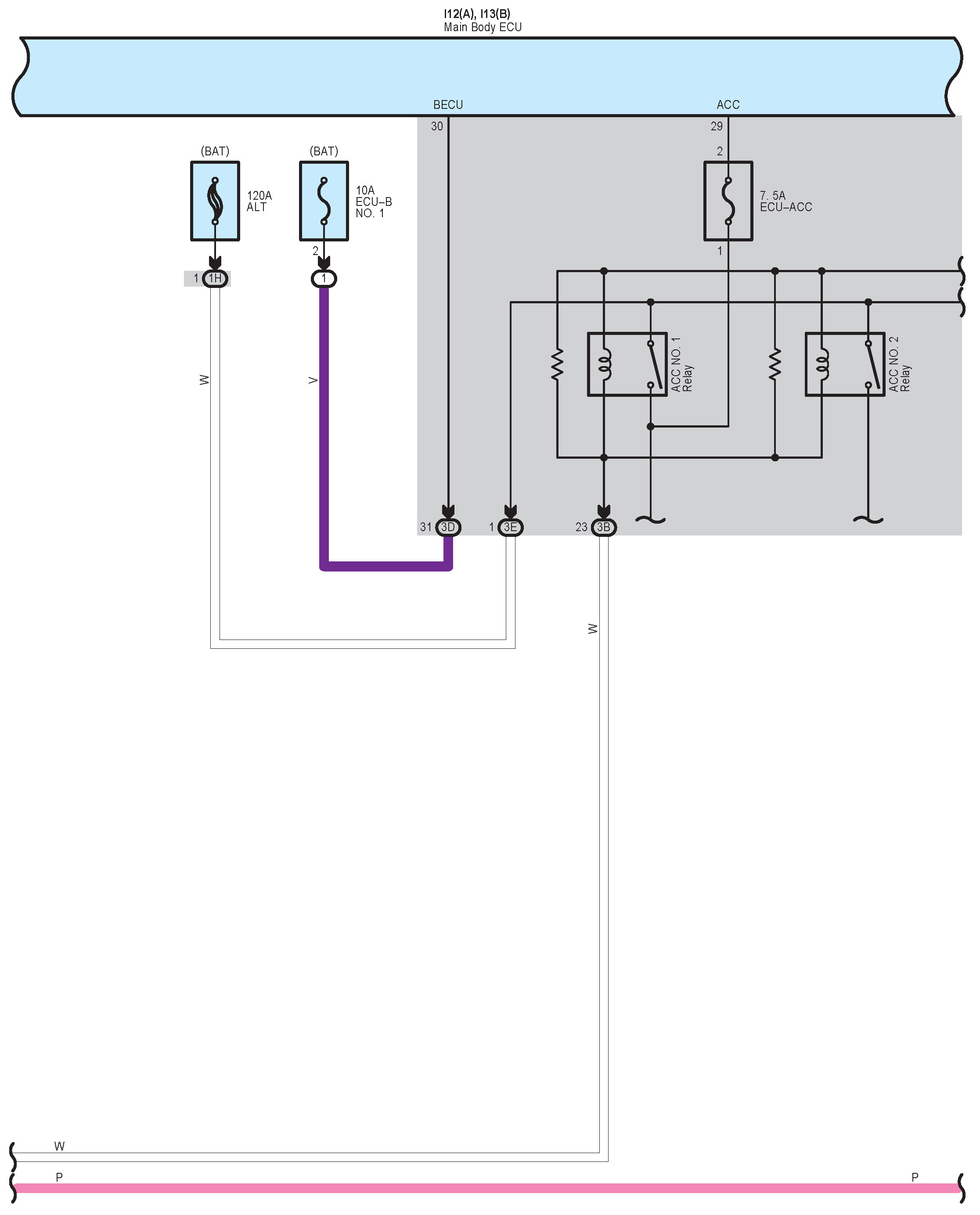
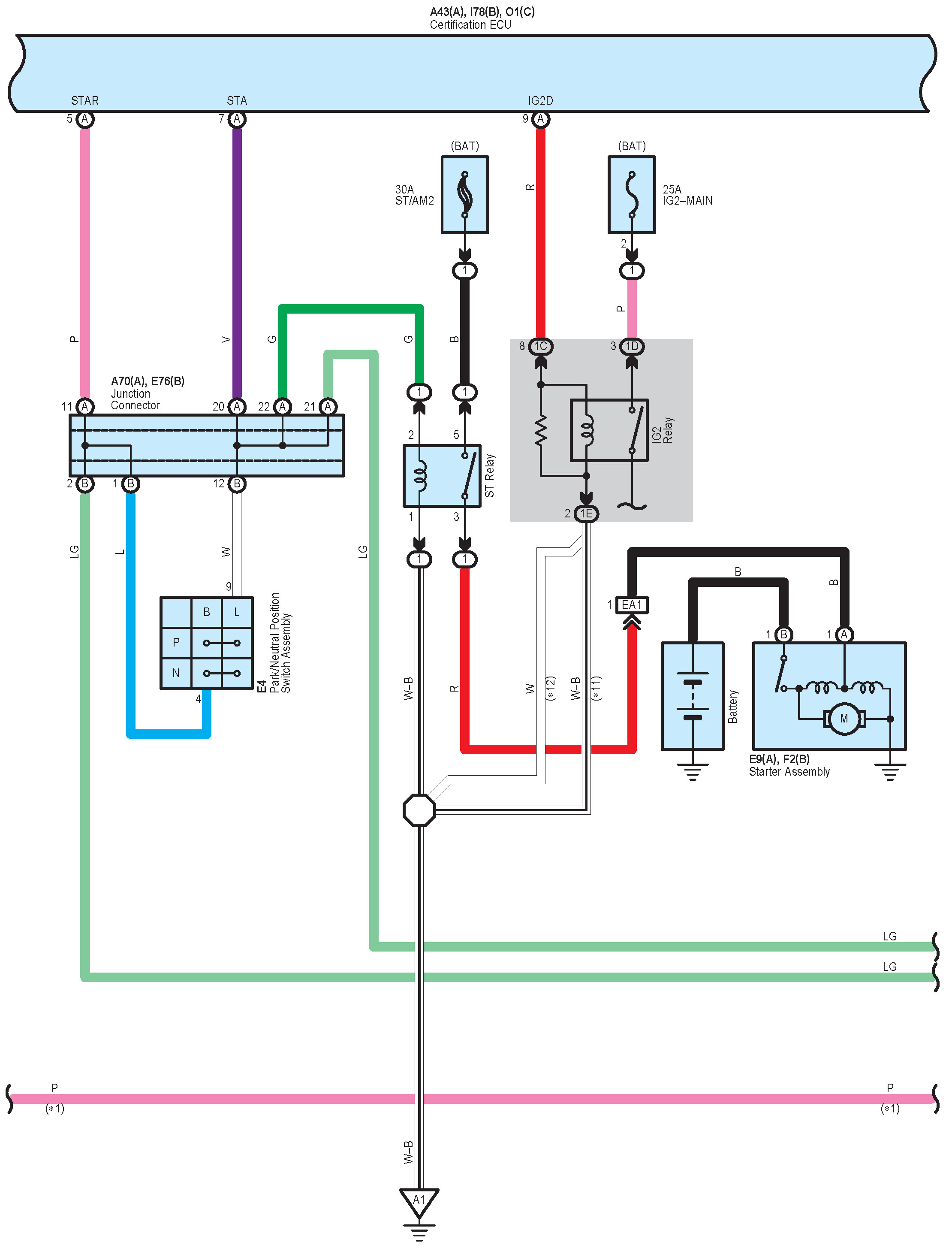
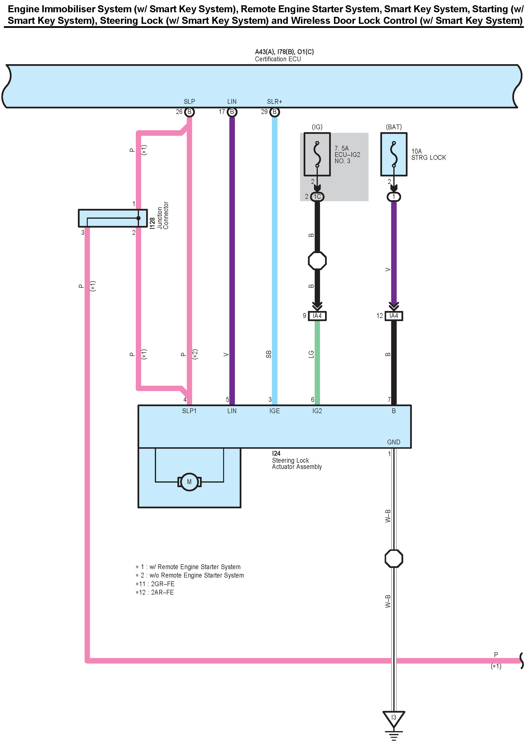
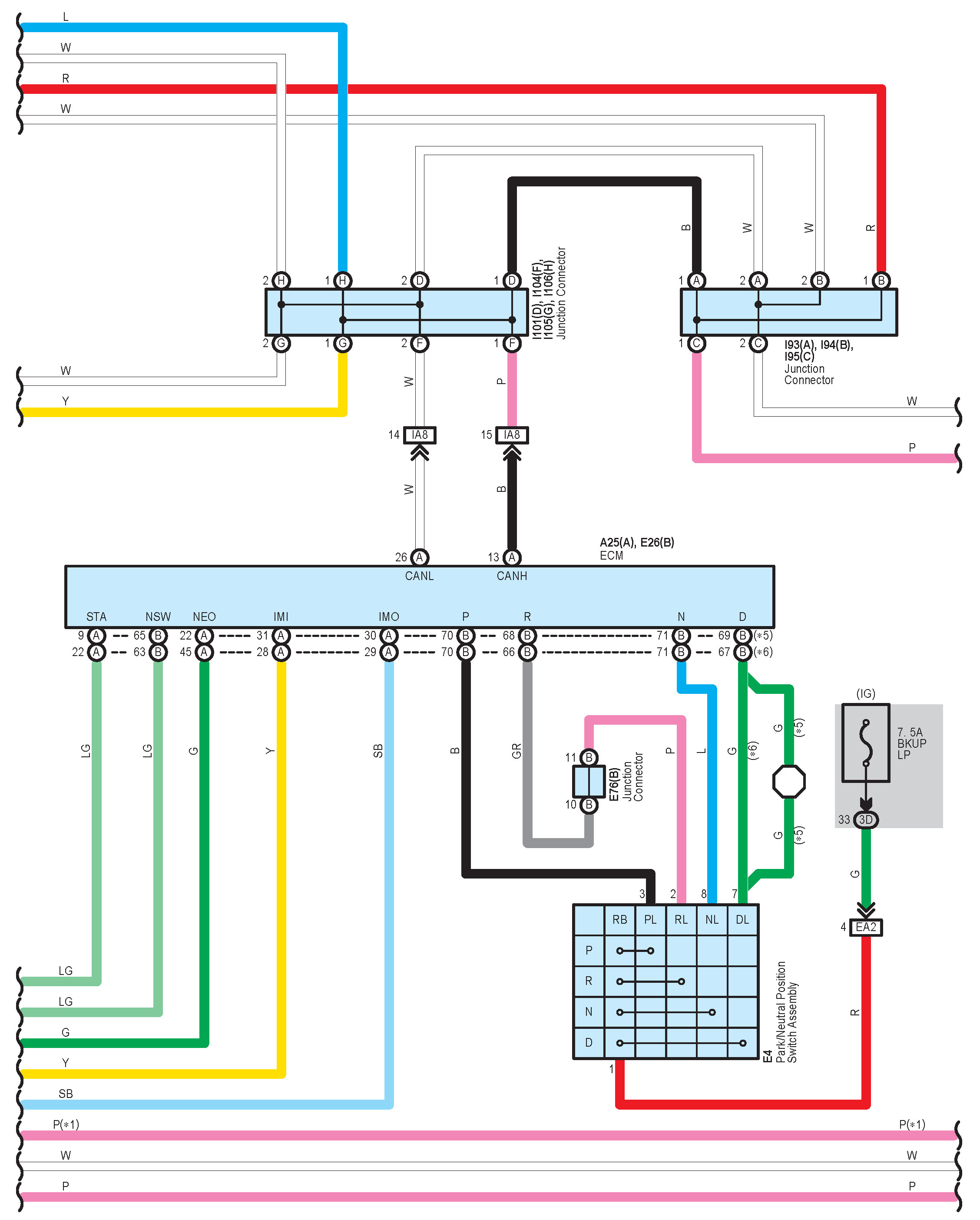
Keyless Starting System

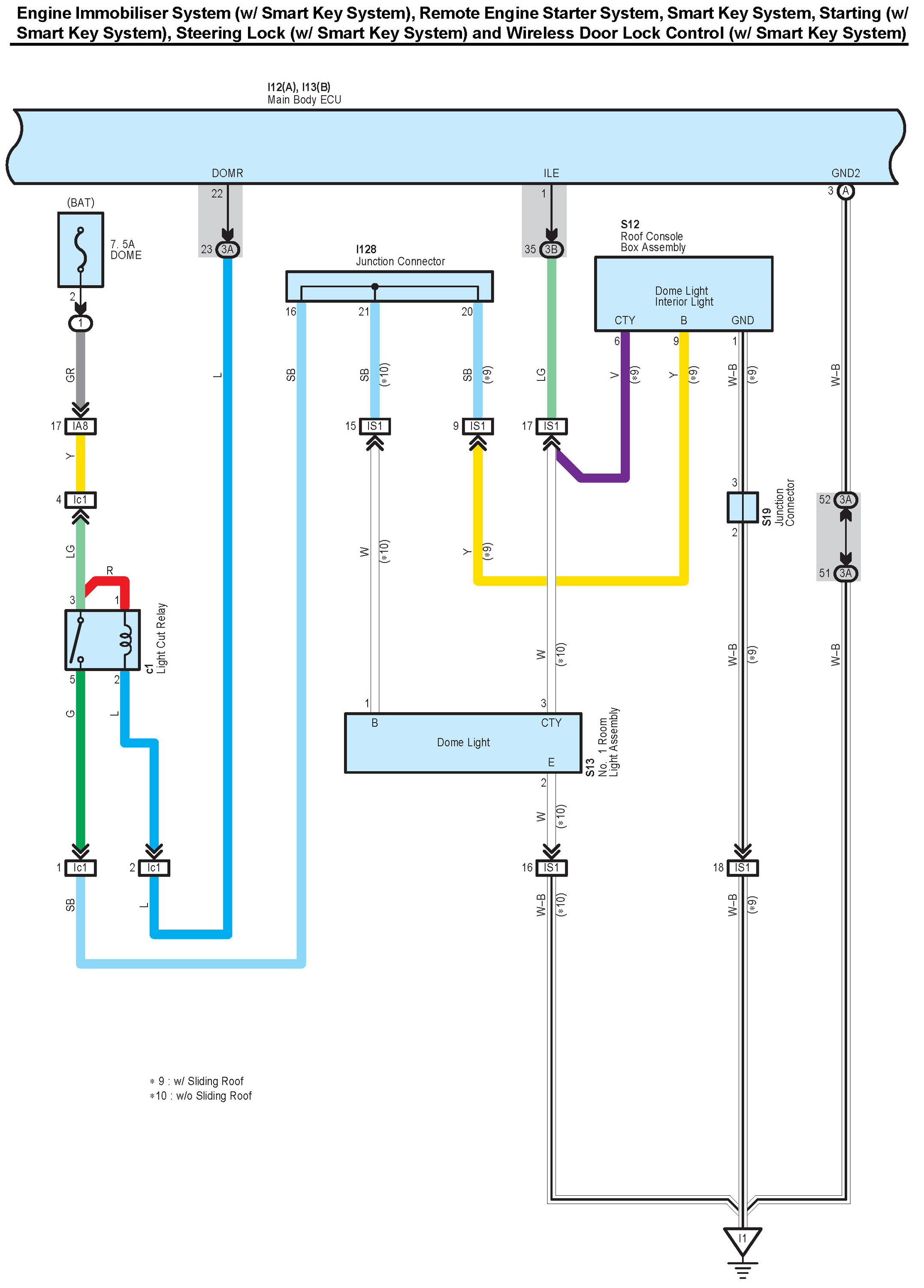
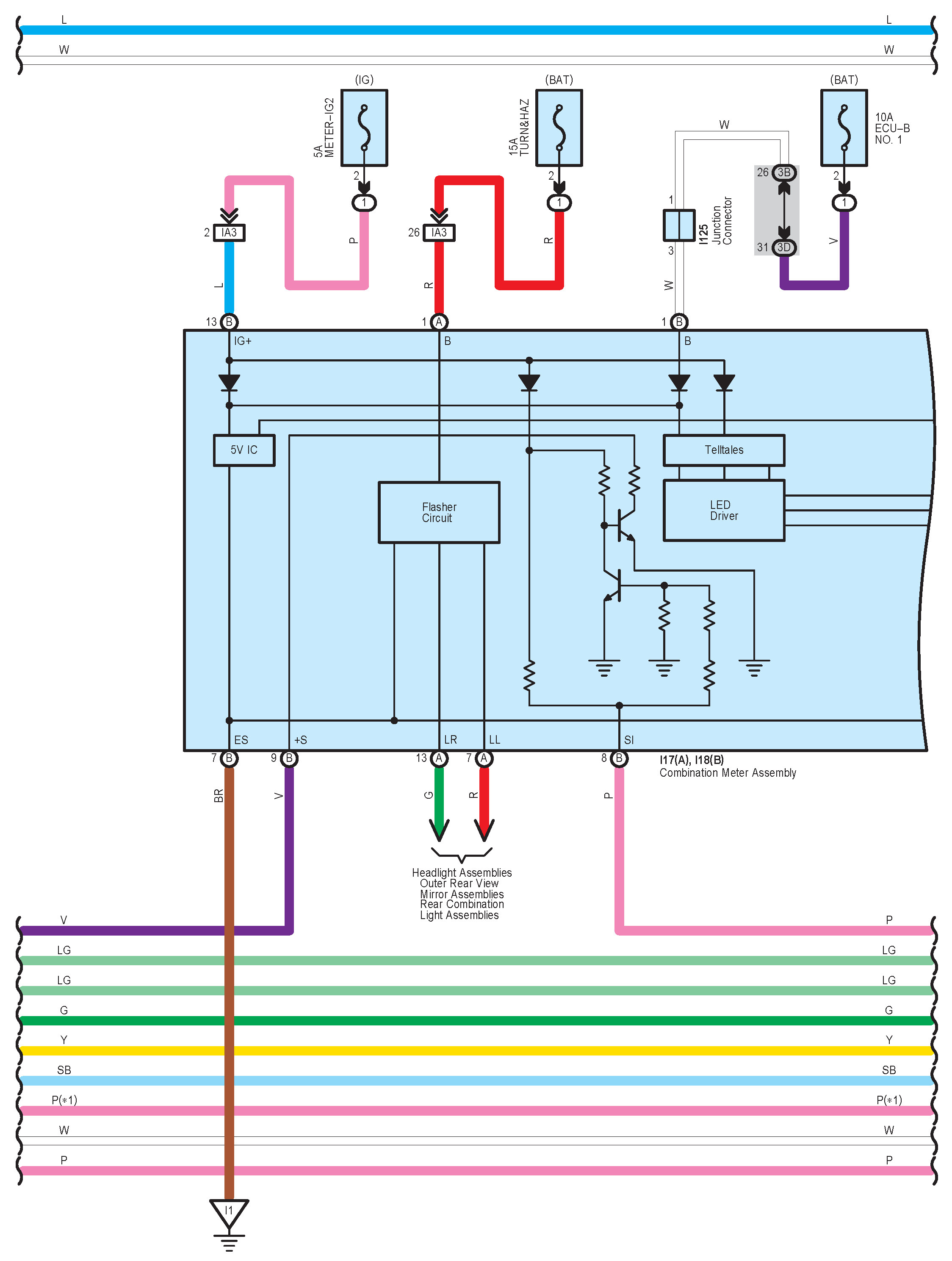
Engine Immobilizer System (w/ Smart Key System), Remote Engine Starter System, Smart Key System, Starting (w/ Smart Key System), Steering Lock (w/ Smart Key System) and Wireless Door Lock Control (w/ Smart Key System) Part 1:




Engine Immobilizer System (w/ Smart Key System), Remote Engine Starter System, Smart Key System, Starting (w/ Smart Key System), Steering Lock (w/ Smart Key System) and Wireless Door Lock Control (w/ Smart Key System) Part 2:




Engine Immobilizer System (w/ Smart Key System), Remote Engine Starter System, Smart Key System, Starting (w/ Smart Key System), Steering Lock (w/ Smart Key System) and Wireless Door Lock Control (w/ Smart Key System) Part 3:




Engine Immobilizer System (w/ Smart Key System), Remote Engine Starter System, Smart Key System, Starting (w/ Smart Key System), Steering Lock (w/ Smart Key System) and Wireless Door Lock Control (w/ Smart Key System) Part 4:




Engine Immobilizer System (w/ Smart Key System), Remote Engine Starter System, Smart Key System, Starting (w/ Smart Key System), Steering Lock (w/ Smart Key System) and Wireless Door Lock Control (w/ Smart Key System) Part 5:




Engine Immobilizer System (w/ Smart Key System), Remote Engine Starter System, Smart Key System, Starting (w/ Smart Key System), Steering Lock (w/ Smart Key System) and Wireless Door Lock Control (w/ Smart Key System) Part 6:




Engine Immobilizer System (w/ Smart Key System), Remote Engine Starter System, Smart Key System, Starting (w/ Smart Key System), Steering Lock (w/ Smart Key System) and Wireless Door Lock Control (w/ Smart Key System) Part 7:




Engine Immobilizer System (w/ Smart Key System), Remote Engine Starter System, Smart Key System, Starting (w/ Smart Key System), Steering Lock (w/ Smart Key System) and Wireless Door Lock Control (w/ Smart Key System) Part 8:




Engine Immobilizer System (w/ Smart Key System), Remote Engine Starter System, Smart Key System, Starting (w/ Smart Key System), Steering Lock (w/ Smart Key System) and Wireless Door Lock Control (w/ Smart Key System) Part 9:




Engine Immobilizer System (w/ Smart Key System), Remote Engine Starter System, Smart Key System, Starting (w/ Smart Key System), Steering Lock (w/ Smart Key System) and Wireless Door Lock Control (w/ Smart Key System) Part 10:




Engine Immobilizer System (w/ Smart Key System), Remote Engine Starter System, Smart Key System, Starting (w/ Smart Key System), Steering Lock (w/ Smart Key System) and Wireless Door Lock Control (w/ Smart Key System) Part 11:




Engine Immobilizer System (w/ Smart Key System), Remote Engine Starter System, Smart Key System, Starting (w/ Smart Key System), Steering Lock (w/ Smart Key System) and Wireless Door Lock Control (w/ Smart Key System) Part 12:




Engine Immobilizer System (w/ Smart Key System), Remote Engine Starter System, Smart Key System, Starting (w/ Smart Key System), Steering Lock (w/ Smart Key System) and Wireless Door Lock Control (w/ Smart Key System) Part 13:




Engine Immobilizer System (w/ Smart Key System), Remote Engine Starter System, Smart Key System, Starting (w/ Smart Key System), Steering Lock (w/ Smart Key System) and Wireless Door Lock Control (w/ Smart Key System) Part 14:




Engine Immobilizer System (w/ Smart Key System), Remote Engine Starter System, Smart Key System, Starting (w/ Smart Key System), Steering Lock (w/ Smart Key System) and Wireless Door Lock Control (w/ Smart Key System) Part 15:




Engine Immobilizer System (w/ Smart Key System), Remote Engine Starter System, Smart Key System, Starting (w/ Smart Key System), Steering Lock (w/ Smart Key System) and Wireless Door Lock Control (w/ Smart Key System) Part 16:




Engine Immobilizer System (w/ Smart Key System), Remote Engine Starter System, Smart Key System, Starting (w/ Smart Key System), Steering Lock (w/ Smart Key System) and Wireless Door Lock Control (w/ Smart Key System) Part 17:




Engine Immobilizer System (w/ Smart Key System), Remote Engine Starter System, Smart Key System, Starting (w/ Smart Key System), Steering Lock (w/ Smart Key System) and Wireless Door Lock Control (w/ Smart Key System) Part 18:




Engine Immobilizer System (w/ Smart Key System), Remote Engine Starter System, Smart Key System, Starting (w/ Smart Key System), Steering Lock (w/ Smart Key System) and Wireless Door Lock Control (w/ Smart Key System) Part 19:




Engine Immobilizer System (w/ Smart Key System), Remote Engine Starter System, Smart Key System, Starting (w/ Smart Key System), Steering Lock (w/ Smart Key System) and Wireless Door Lock Control (w/ Smart Key System) Part 20:












Locations: The locations of components, connectors, ground points, and splices referred to within these diagrams can be found at Vehicle Locations. Locations

Connector Views: Diagrams of the connectors referred to within these diagrams can be found at Connector Views by Connector Number. Connector Views By Connector Number