Operation CHARM: Car repair manuals for everyone.
Manuals through 2025 now available!

Our trusted friends have launched a new website named LEMON, which has newer manuals. It also contains all the CHARM manuals.

LEMON is the spiritual successor to CHARM, I recommend you try it!

Link: lemon-manuals.la or lemon-manuals.org.ua

(Some people have issue connecting. LEMON is investigating. For now, use Firefox or change your DNS server)

Or, hide this message: temporarily or permanently

Cylinder Head Assembly


















Cylinder Head

The cylinder head bolts are tightened in 2 successive steps.





Using several steps, uniformly install and tighten the 10 cylinder head set bolts and plate washers with a 10 mm bi-hexagon wrench in the order shown in the illustration.

Torque 70 Nm (714 kgf-cm, 52 ft-lbf)

Mark the front of the cylinder head bolts with paint.





Further tighten the cylinder head bolts 90° as shown in the illustration.
Check that the paint mark is now at a 90° angle to the front.

CAMSHAFT

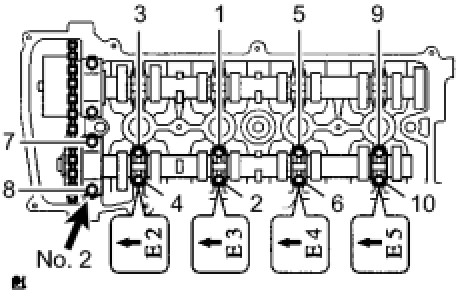
Uniformly tighten the 10 bearing cap bolts in the sequence shown in the illustration.





No. 1 Bearing cap - Torque 30 Nm (301 kgf-cm, 22 ft-lbf)
No. 3 Bearing cap - Torque 9.0 Nm (92 kgf-cm, 80 in-lbf)

NO. 2 CAMSHAFT

Uniformly tighten the 10 bearing cap bolts in the sequence shown in the illustration.





No. 2 Bearing cap - Torque 30 Nm (301 kgf-cm, 22 ft-lbf)
No. 3 Bearing cap - Torque 9.0 Nm (92 kgf-cm, 80 in-lbf)

Maximum Warpage
Cylinder block side 0.08 mm (0.00315 in.)
Intake manifold side 0.08 mm (0.00315 in.)
Exhaust manifold side 0.08 mm (0.00315 in.)

CYLINDER HEAD SET BOLT

Using a vernier caliper, measure the length of the head bolts from the seat to the end.





Standard bolt length 141.3 to 142.7 mm (5.563 to 5.618 in.)

Maximum bolt length 144.2 mm (5.677 in.)

If the bolt length is greater than the maximum, replace the cylinder head set bolt.

Intake Manifold Torque and Sequence Specifications

Exhaust Manifold Torque and Sequence Specifications

Camshaft Gear/Sprocket Torque Specifications