Operation CHARM: Car repair manuals for everyone.
Manuals through 2025 now available!

Our trusted friends have launched a new website named LEMON, which has newer manuals. It also contains all the CHARM manuals.

LEMON is the spiritual successor to CHARM, I recommend you try it!

Link: lemon-manuals.la or lemon-manuals.org.ua

(Some people have issue connecting. LEMON is investigating. For now, use Firefox or change your DNS server)

Or, hide this message: temporarily or permanently

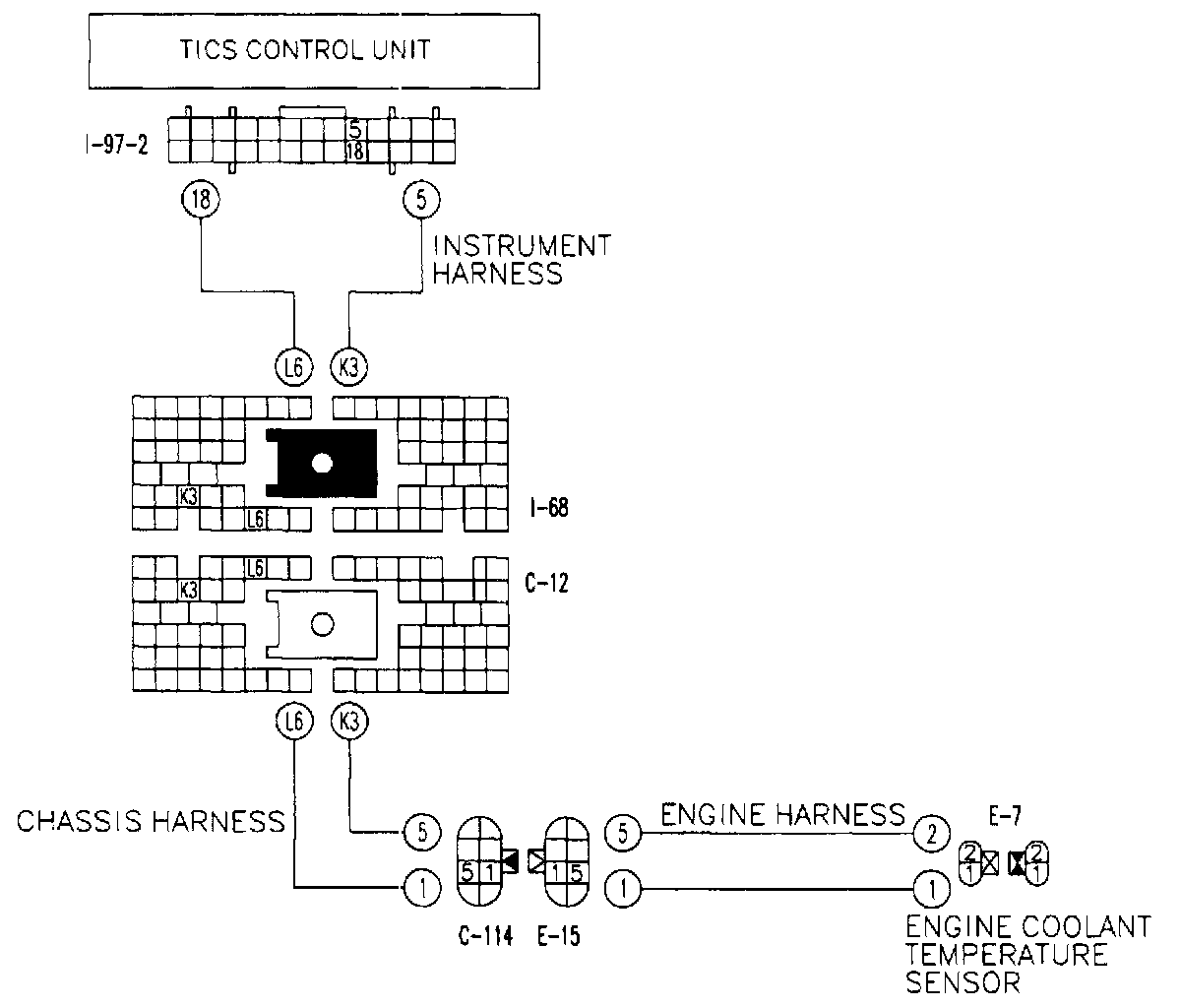
Checking Engine Coolant Temperature Sensor System

CHECKING ENGINE COOLANT TEMPERATURE SENSOR SYSTEM












[CHECK/1] Check harness between engine coolant temperature sensors at control unit
1. Turn the ignition key switch ON.
2. Remove instrument harness connector [I-97-2].
3. Measure the resistance between terminals (18) and (5) of connector [I-97-2].












4. Check for insulation and short circuit between the body and terminals (18) and (5) of connector [I-97-2].







5. Judgement
- Resistance corresponds to engine coolant temperature -> sensor normal
- Disconnection, short circuit, or defective insulation, or resistance does not correspond to engine coolant temperature -> go to [CHECK/2]







[CHECK/2] Check engine coolant temperature sensor body
1. Measure the resistance between terminals (1) and (2) of engine coolant temperature sensor harness connector [E-7].
For details of the resistance value of the engine coolant temperature sensor, see the table for [CHECK/1].
2. Judgement
- Resistance corresponds to engine coolant temperature -> engine coolant temperature sensor normal -> go to [CHECK/3]
- Disconnection, short circuit, or defective insulation, or resistance does not correspond to engine coolant temperature -> engine coolant temperature sensor abnormal -> replace engine coolant temperature sensor

[CHECK/3] Check for abnormality in harness







1. Check for continuity, short circuit, and insulation between instrument harness connector [I-97-2] and harness connector [E-7] of the engine coolant temperature sensor.







2. Judgement
- If harness is abnormal (disconnection, short circuit) -> repair or replace harness
- If there is no abnormality in the harness -> carry out [CHECK/1] again -> if it is normal, the control unit is abnormal -> replace unit

NOTE: After completing each operation, carry out trouble-shooting with the diagnostic light and confirm that there is no abnormality.